h1_key

TI(德州仪器) CSD18501Q5A
德州仪器 (TI) 全系列产品在线购买
  • TI(德州仪器) CSD18501Q5A
  • TI(德州仪器) CSD18501Q5A
  • TI(德州仪器) CSD18501Q5A
  • TI(德州仪器) CSD18501Q5A
  • TI(德州仪器) CSD18501Q5A
  • TI(德州仪器) CSD18501Q5A
立即查看
您当前的位置: 首页 > 电源管理 > MOSFET > N 沟道 MOSFET > CSD18501Q5A
CSD18501Q5A

CSD18501Q5A

正在供货

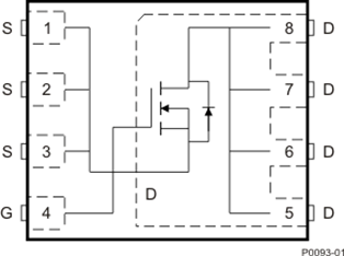
采用 5mm x 6mm SON 封装的单路、3.2mΩ、40V、N 沟道 NexFET™ 功率 MOSFET

产品详情
  • 说明
  • 特性
  • 参数
  • 封装 | 引脚 | 尺寸
VDS (V)40
ConfigurationSingle
Rds(on) at VGS=4.5 V (max) (mΩ)4.3
Rds(on) at VGS=10 V (max) (mΩ)3.2
IDM - pulsed drain current (max) (A)400
QG (typ) (nC)42
QGD (typ) (nC)5.9
QGS (typ) (nC)8.1
VGS (V)20
VGSTH typ (typ) (V)1.8
ID - silicon limited at TC=25°C (A)161
ID - package limited (A)100
Logic levelYes
Operating temperature range (°C)-55 to 150
RatingCatalog
VSONP (DQJ)829.4 mm² 4.9 x 6
产品购买
  • 商品型号
  • 封装
  • 工作温度
  • 包装
  • 价格
  • 现货库存
  • 操作
10s
温馨提示:
订单商品问题请移至我的售后服务提交售后申请,其他需投诉问题可移至我的投诉提交,我们将在第一时间给您答复
返回顶部