h1_key

TI(德州仪器) TPS51275
德州仪器 (TI) 全系列产品在线购买
  • TI(德州仪器) TPS51275
  • TI(德州仪器) TPS51275
  • TI(德州仪器) TPS51275
  • TI(德州仪器) TPS51275
  • TI(德州仪器) TPS51275
  • TI(德州仪器) TPS51275
立即查看
您当前的位置: 首页 > 电源管理 > 直流/直流开关稳压器 > 降压稳压器 > TPS51275
TPS51275

TPS51275

正在供货

具有 5V 和 3.3V LDO 的 5.5V 至 24V 双路同步降压控制器

产品详情
  • 说明
  • 特性
  • 参数
  • 封装 | 引脚 | 尺寸

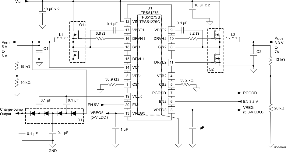
TPS51275,TPS51275B 和 TPS51275C 是针对笔记本系统电源解决方案的经济型,双路同步降压控制器。 它提供 5V 和 3.3V LDO 并且只需要使用极少的外部组件。 260kHz VCLK 输出可被用于驱动一个外部电荷泵,为负载开关生成栅极驱动电压而不会降低主转换器的效率。 TPS51275,TPS51275B 和 TPS51275C 支持高效,快速瞬态响应并提供一个组合电源正常信号。 自适应接通时间,D-CAP™ 控制提供便捷且有效的运行。 此器件运行电源输入电压范围介于 5V 至 24V 之间并且支持 5.0V 和 3.3V 的输出电压。 TPS51275,TPS51275B 和 TPS51275C 采用 20 引脚,3mm x 3mm,QFN 封装,额定运行温度 -40°C 至 85°C。

  • 输入电压范围:5V 至 24V
  • 输出电压:5V 和 3.3V(可调范围 ±10%)
  • 内置,100mA,5V 和 3.3V LDO
  • 用于电荷泵的时钟输出
  • ±1% 基准精度
  • 自适应接通时间 D-CAP 模式控制架构,此架构支持 300kHz 和 355kHz 频率设置
  • 自动跳跃轻负载运行(TPS51275 和 TPS51275C)
  • OOA 轻负载运行 (TPS51275B)
  • 内部 0.8ms 电压伺服器软启动
  • 低侧 RDS(on)电流感测机制
  • 内置输出放电功能
  • 用于开关的独立使能输入
  • 专用 OC 设置端子
  • 电源正常指示器
  • 过压 (OVP),欠压 (UVP) 和过流 (OCP) 保护
  • 非锁存欠压闭锁 (UVLO) 和过热 (OTP) 保护
  • 20 引脚,3mm x 3mm,四方扁平无引线 (QFN)(RUK) 封装

应用范围

  • 笔记本电脑
  • 平板电脑

Vin (min) (V)5
Vin (max) (V)24
Vout (min) (V)4.5
Vout (max) (V)5.5
Iout (max) (A)20
Iq (typ) (mA)0.8
Switching frequency (min) (kHz)300
Switching frequency (max) (kHz)355
FeaturesEnable, Light Load Efficiency, Power good, Synchronous Rectification
Operating temperature range (°C)-40 to 85
Regulated outputs (#)4
Number of phases1
RatingCatalog
Control modeD-CAP
TypeController
WQFN (RUK)209 mm² 3 x 3
产品购买
  • 商品型号
  • 封装
  • 工作温度
  • 包装
  • 价格
  • 现货库存
  • 操作
10s
温馨提示:
订单商品问题请移至我的售后服务提交售后申请,其他需投诉问题可移至我的投诉提交,我们将在第一时间给您答复
返回顶部