h1_key

TI(德州仪器) TPS2511
德州仪器 (TI) 全系列产品在线购买
  • TI(德州仪器) TPS2511
  • TI(德州仪器) TPS2511
  • TI(德州仪器) TPS2511
  • TI(德州仪器) TPS2511
  • TI(德州仪器) TPS2511
  • TI(德州仪器) TPS2511
立即查看
您当前的位置: 首页 > 电源管理 > USB 电源开关和充电端口控制器 > TPS2511
TPS2511

TPS2511

正在供货

USB 专用充电端口控制器和 2.2A 电源开关

产品详情
  • 说明
  • 特性
  • 参数
  • 封装 | 引脚 | 尺寸

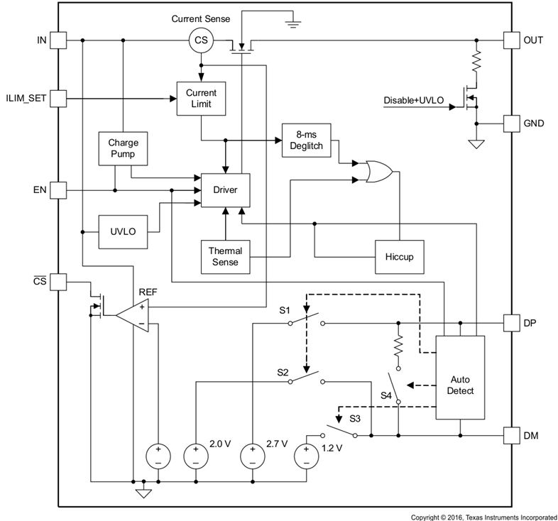
TPS2511 器件是 USB 专用充电端口 (DCP) 控制器和限流电源开关。它具有自动检测特性,可监控 USB 数据线路电压,并在数据线路上自动提供正确的电气特征,以便在下列专用充电方案中为器件兼容进行充电:
1. 分压器 DCP,需要分别在 D+ 和 D- 线路上应用 2.7V 和 2V 电压,或者分别在 D+ 和 D- 线路上应用 2V 和 2.7V 电压
2. BC1.2 DCP,需要将 D+ 线路短接至 D- 线路
3. D+ 和 D- 线路上的电压均为 1.2V

TPS2511 是一款 70mΩ 配电开关,适用于可能出现大型容性负载和短路问题的 应用 。此器件还在输出 (OUT) 电压少于 3.8V(典型值)时或者在过载情况下发生过热保护时提供打嗝模式。精准且可编程的电流限值为 应用提供了灵活性和便利性。TPS2511 提供一个 CS 引脚来进行 USB 线缆电阻补偿和一个 EN 引脚来控制器件的导通和关断。

  • 支持将 D+ 线路短接至 D- 线路的 USB DCP
  • 支持在 D+ 线路上应用 2V 电压而在 D- 线路上应用 2.7V 电压的 USB DCP(或在 D+ 线路上应用 2.7V 电压
    而在 D- 线路上应用 2V 电压的 USB DCP)
  • 支持在 D+ 和 D- 线路上应用 1.2V 电压的 USB DCP
  • 为所连接器件自动切换 D+ 和 D- 线路连接
  • 针对输出短路保护的断续模式
  • 具有用于 USB 线缆补偿的 CS 引脚
  • 可编程电流限值(ILIM_SET 引脚)
  • 在 2.3A(典型值)时具有精确的 ±10% 电流限制
  • 70mΩ(典型值)高侧 MOSFET
  • 兼容 USB 2.0 和 3.0 电源开关要求
  • 工作电压范围:4.5V 至 5.5V
  • 采用 8 引脚 MSOP-PowerPAD™封装
Product typeCharge port controller
Vin (min) (V)4.5
Vin (max) (V)5.5
Continuous current (max) (A)2.7
Current limit (A)0.25 to 2.7
Operating temperature range (°C)-40 to 125
EnableActive High
Number of switches1
Current limit accuracy at 1 A0.1
RatingCatalog
HVSSOP (DGN)814.7 mm² 3 x 4.9
产品购买
  • 商品型号
  • 封装
  • 工作温度
  • 包装
  • 价格
  • 现货库存
  • 操作
10s
温馨提示:
订单商品问题请移至我的售后服务提交售后申请,其他需投诉问题可移至我的投诉提交,我们将在第一时间给您答复
返回顶部