h1_key

TI(德州仪器) TPS54160A
德州仪器 (TI) 全系列产品在线购买
  • TI(德州仪器) TPS54160A
  • TI(德州仪器) TPS54160A
  • TI(德州仪器) TPS54160A
  • TI(德州仪器) TPS54160A
  • TI(德州仪器) TPS54160A
  • TI(德州仪器) TPS54160A
立即查看
您当前的位置: 首页 > 电源管理 > 直流/直流开关稳压器 > 降压稳压器 > TPS54160A
TPS54160A

TPS54160A

正在供货

具有 Eco-Mode 的 3.5V 至 60V 输入、1.5A 降压转换器

产品详情
  • 说明
  • 特性
  • 参数
  • 封装 | 引脚 | 尺寸

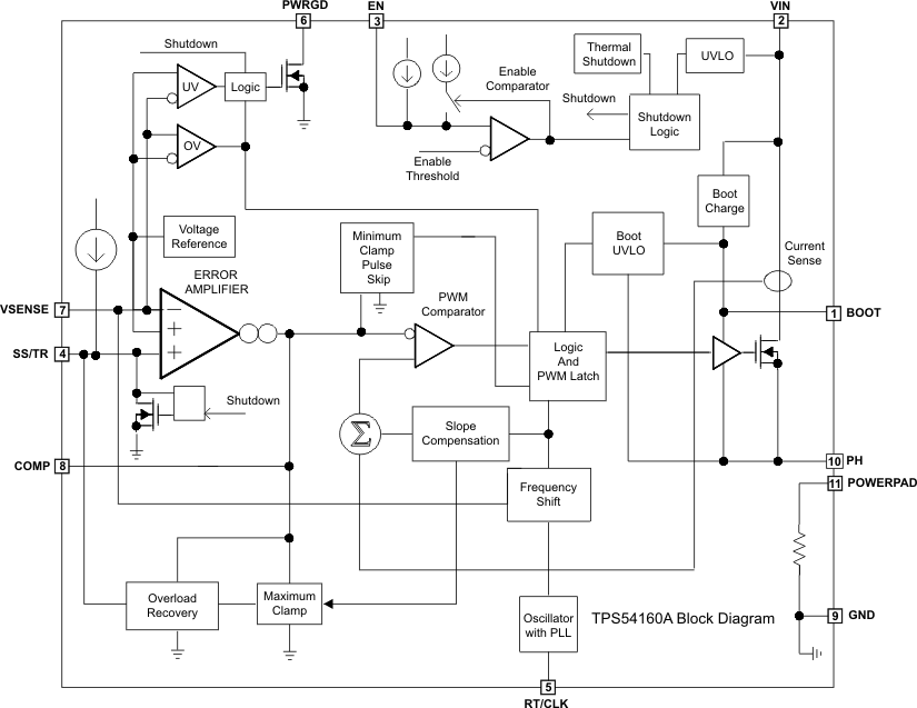
TPS54160A 器件是一款带有集成型高侧 MOSFET 的 60V,1.5A,降压稳压器。 电流模式控制提供了简单外部补偿和灵活组件选择。 一个低纹波脉冲跳跃模式将无负载经稳压输出电源电流减小至 116μA。 通过使用使能引脚,可将关断电源电流减少至 1.3μA。

欠压闭锁在内部设定为 2.5V,但可采用使能引脚将之提高。 输出电压启动斜坡受控于慢启动引脚,该引脚还可以通过配置成控制排序/跟踪。 一个开漏电源正常信号表示输出处于其标称电压的 94% 至 107% 之内。

宽开关频率范围允许对效率及外部组件尺寸进行优化。 频率折返和热关断功能在过载情况下保护部件。

  • 3.5V 至 60V 输入电压范围
  • 200mΩ 高侧金属氧化物半导体场效应晶体管 (MOSFET)
  • 借助脉冲跳跃在轻负载时实现高效率 Eco-mode
  • 为了获得更加准确的欠压闭锁 (UVLO) 电压,TPS54160A 具有比 TPS54160 更加严格的使能阀值
  • 可调 UVLO 电压和滞后
  • 116μA 工作静态电流
  • 1.3μA 关断电流
  • 100kHz 至 2.5MHz 的开关频率
  • 同步至外部时钟
  • 可调缓起动/排序
  • 欠压 (UV) 和过流 (OV) 电源正常输出
  • 0.8V 内部电压基准
  • 表面贴装小外形尺寸封装 (MSOP)10 和 3mm x 3mm 超薄小外形尺寸无引线 (VSON) 封装,这些封装具有 PowerPAD
  • 由 WEBBENCH 和 SwitcherPro 软件工具提供支持

应用范围

  • 12V,24V 和 48V 工业及商用低功耗系统
  • 汽车售后加装配件:视频,全球卫星定位系统 (GPS),娱乐

Vin (min) (V)3.5
Vin (max) (V)60
Vout (min) (V)0.8
Vout (max) (V)58
Iout (max) (A)1.5
Iq (typ) (mA)0.116
Switching frequency (min) (kHz)100
Switching frequency (max) (kHz)2500
FeaturesEnable, Frequency synchronization, Light Load Efficiency, Over Current Protection, Power good, Tracking, UVLO adjustable
Operating temperature range (°C)-40 to 125
RatingCatalog
Regulated outputs (#)1
Control modecurrent mode
Duty cycle (max) (%)98
TypeConverter
HVSSOP (DGQ)1014.7 mm² 3 x 4.9
VSON (DRC)109 mm² 3 x 3
产品购买
  • 商品型号
  • 封装
  • 工作温度
  • 包装
  • 价格
  • 现货库存
  • 操作
10s
温馨提示:
订单商品问题请移至我的售后服务提交售后申请,其他需投诉问题可移至我的投诉提交,我们将在第一时间给您答复
返回顶部