h1_key

TI(德州仪器) LM3447
德州仪器 (TI) 全系列产品在线购买
  • TI(德州仪器) LM3447
  • TI(德州仪器) LM3447
  • TI(德州仪器) LM3447
  • TI(德州仪器) LM3447
  • TI(德州仪器) LM3447
  • TI(德州仪器) LM3447
立即查看
您当前的位置: 首页 > 电源管理 > LED 驱动器 > 照明 LED 驱动器 > LM3447
LM3447

LM3447

正在供货

用于 LED 照明的相位可调光、初级侧电源调整的 PFC 反激式控制器

产品详情
  • 说明
  • 特性
  • 参数
  • 封装 | 引脚 | 尺寸

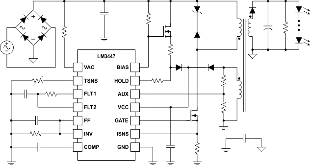
LM3447 是一款多用途功率因数校正 (PFC) 控制器,此控制器设计用于满足与切相调光器兼容的住宅和商用 LED 灯驱动器性能需求。 此器件集成有一个相位解码电路和一个可调保持电流电路来提供顺畅且无闪光的亮度调节操作。 基于输入电压前馈的私有初级侧控制技术被用于调节取自 LED 驱动器的输入功率并且实现宽输入电压范围上的线路调节功能。 执行谷底开关操作可大大减少开关损失和 EMI。 根据一个单外部负温度系数 (NTC) 热敏电阻器上感测到的温度,一个内部热折返电路可保护 LED 不受过热损坏。 额外的特性还包括 LED 开电路和短路保护、逐周期场效应管 (FET) 过流保护、使用一个内部 812ms 故障定时器的突发模式故障操作和内部热关断。

LM3447 是亮度可调、隔离式单级 LED 灯驱动器应用的理想选择,在此类应用中,简单性、低组件数量和较小的解决方案尺寸是首要的。 目前,此器件采用薄型小外形尺寸 (TSSOP) 14 引脚封装。

  • 集成型相位角度解码
    • 可以同时兼容前斩波和后斩波
    • 超过 50:1 的调光范围
  • 总谐波失真较低的功率因数校正
  • 使用输入电压前馈技术实现的初级侧控制
  • 带有改进线路调节的输入功率调节机制
  • LED 的恒定功率运行用来补偿温度和使用寿命范围内的前馈电压变化
  • 定频不连续电感模式运行
  • 谷底开关操作以实现高效率和低电磁干扰 (EMI)
  • 高效三端双向交流开关 (TRIAC) 保持电流管理
  • 用于 LED 保护的热折返功能
  • LED 开电路和短路保护
Input voltage typeAC/DC
TopologyFlyback
Vin (min) (V)7.5
Vin (max) (V)17.5
Vout (max) (V)60
Vout (min) (V)9
Iout (max) (A)2
Iq (typ) (mA)1.6
FeaturesAdjustable Switch Frequency, Soft Switching, Thermal shutdown
Operating temperature range (°C)-40 to 125
Dimming methodForward Phase (Triac), Reverse Phase
Number of channels1
RatingCatalog
TSSOP (PW)1432 mm² 5 x 6.4
产品购买
  • 商品型号
  • 封装
  • 工作温度
  • 包装
  • 价格
  • 现货库存
  • 操作
10s
温馨提示:
订单商品问题请移至我的售后服务提交售后申请,其他需投诉问题可移至我的投诉提交,我们将在第一时间给您答复
返回顶部