h1_key

TI(德州仪器) TLC5948A
德州仪器 (TI) 全系列产品在线购买
  • TI(德州仪器) TLC5948A
  • TI(德州仪器) TLC5948A
  • TI(德州仪器) TLC5948A
  • TI(德州仪器) TLC5948A
  • TI(德州仪器) TLC5948A
  • TI(德州仪器) TLC5948A
立即查看
您当前的位置: 首页 > 电源管理 > LED 驱动器 > LED 显示驱动器 > TLC5948A
TLC5948A

TLC5948A

正在供货

具有 7 位点校正、7 位全局亮度控制、省电模式和全诊断功能的 16 通道 ES-PWM LED 驱动器

产品详情
  • 说明
  • 特性
  • 参数
  • 封装 | 引脚 | 尺寸

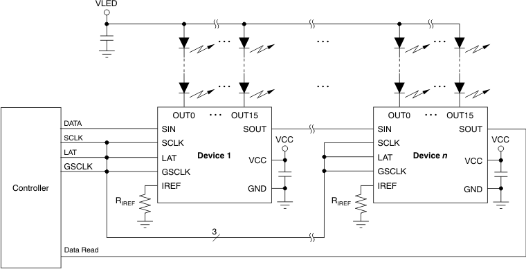
TLC5948 是一款 16 通道、恒定流入电流吸收 LED 驱动器。 每个通道具有一个独立可调节,脉宽调制 (PWM) 灰度 (GS) 亮度控制,此控制有 65,536 步长和128 步长的恒定电流点校正 (DC)。 DC 调节通道间的亮度偏差。 所有通道都有一个 128-步全局亮度控制(BC)。 BC 调节与其它 LED 驱动器的亮度偏差。 可通过一个串行接口端口来访问 GS,DC 和 BC 数据。

TLC5948 有 6 个错误信号:LED 打开侦测 (LOD),LED 短路侦测 (LSD),输出泄露侦测 (OLD),基准电流终端短路标志侦测 (ISF),预热警告 (PTW),和热错误标记 (TEF)。 可使用一个串行接口端口来读取错误检测结果。

  • 16 个恒定流入电流源输出通道
  • 支持最大 DC 和 BC 数据的灌电流能力:
    • 2mA 至 45 mA (VCC ≤ 3.6V)
    • 2 mA 至 60 mA (VCC > 3.6 V)
  • 点校正 (DC):
    • 0% 至 100% 范围的 7-位 (128 步)
  • 全局亮度控制 (BC):
    • 25% 至 100% 范围的 7-位 (128 步)
  • 增强型光谱或传统 PWM灰度控制 (GS) :
    • 16-位 (65,536 步)
  • LED 电源电压:高达 10V
  • VCC:3.0V 至 5.5V
  • 恒定电流精度:
    • 通道间: ±0.6% (典型值), ±2% (最大值)
    • 设备间: ±1% (典型值), ±4% (最大值)
  • 数据传输速率:33MHz
  • 灰度控制时钟:33MHz
  • 自动显示重复和自动数据刷新
  • 显示计时复位
  • 用来大大减少 VCC 电流的省电模式
  • 支持无形检测
    模式 (IDM) 的开路检测 (LOD) 和短路检测 (LSD)
  • 输出泄露侦测 (OLD)
  • 电流基准端短路标记 (ISF)
  • 热关断 (TSD) 和错误标记 (TEF)
  • 预热报警 (PTW)
  • 防止涌入电流的四通道成组延迟交换
  • 工作温度范围:-40°C 至 +85°C
FeaturesDot Correction, Error Flag, Fault Detection, LED Open Detection, LED Short to Ground Detection, LED Short to VLED Detection, PWM LED Driver, Power good, Thermal shutdown
Analog dimming steps128
Data transfer rate (typ) (MHz)33
Ch to ch accuracy (typ) (±%)1.5
RatingCatalog
Operating temperature range (°C)-40 to 85
HTSSOP (PWP)2449.92 mm² 7.8 x 6.4
SSOP (DBQ)2451.9 mm² 8.65 x 6
产品购买
  • 商品型号
  • 封装
  • 工作温度
  • 包装
  • 价格
  • 现货库存
  • 操作
10s
温馨提示:
订单商品问题请移至我的售后服务提交售后申请,其他需投诉问题可移至我的投诉提交,我们将在第一时间给您答复
返回顶部