h1_key

TI(德州仪器) TPS62242-Q1
德州仪器 (TI) 全系列产品在线购买
  • TI(德州仪器) TPS62242-Q1
  • TI(德州仪器) TPS62242-Q1
  • TI(德州仪器) TPS62242-Q1
  • TI(德州仪器) TPS62242-Q1
  • TI(德州仪器) TPS62242-Q1
  • TI(德州仪器) TPS62242-Q1
立即查看
您当前的位置: 首页 > 电源管理 > 直流/直流开关稳压器 > 降压稳压器 > TPS62242-Q1
TPS62242-Q1

TPS62242-Q1

正在供货

具有 1.2V 固定输出电压的汽车类 2V 至 6V、2.25MHz 固定频率 300mA 降压转换器

产品详情
  • 说明
  • 特性
  • 参数
  • 封装 | 引脚 | 尺寸

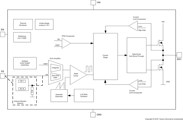
TPS62242-Q1 器件是一款针对电池供电类便携式应用进行了优化的高效同步降压转换器。 它使用一个单一锂离子电池提供高达 300mA 的输出电流并且此器件非常适合于为诸如移动电话和其它便携式设备的便携式应用供电。

借助于 2V 至 6V 的输入电压范围,此器件支持由具有扩展电压范围的锂离子电池、两节和三节碱性电池、3.3V 和 5V 输入电压电源轨供电的应用。

TPS62242-Q1 运行在 2.25MHz 固定频率下并在轻负载电流时进入省电运行模式以在整个负载电流范围内保持高效率。

此省电模式针对低输出电压纹波进行了优化。 在关断模式下,流耗减少至小于 1μA。 为了实现小解决方案尺寸,TPS62242-Q1 允许使用小型电感器和电容器。

TPS62242-Q1 采用 5 引脚 TSOT23 封装方式。

  • 符合汽车应用要求
  • 具有符合 AEC-Q100 的下列结果:
    • 器件温度 2 级
    • 器件人体模型 (HBM) 静电放电 (ESD) 分类等级 H2
    • 器件充电器件模型 (CDM) ESD 分类等级 C4B
  • 高效率-大于 94%
  • 输出电流高达 300mA
  • VIN 范围从 2V 至 6V
  • 2.25MHz 固定频率运行
  • 轻负载电流上的省电模式
  • 脉宽调制 (PWM) 模式中的输出电压精度为 ±1.5%
  • 1.2V 固定输出电压
  • 典型值为 15μA 的静态电流
  • 针对最低压降的 100% 占空比
  • 采用 TSOT23 封装
  • 允许 < 1mm 的解决方案高度

应用范围

  • 汽车应用
  • Bluetooth 耳机
  • 手机、智能电话
  • 无线局域网 (WLAN)
  • 低功耗数字信号处理器 (DSP) 电源
  • 便携式媒体播放器

Vin (min) (V)2
Vin (max) (V)6
Vout (min) (V)1.2
Vout (max) (V)1.2
Iout (max) (A)0.3
Iq (typ) (mA)0.015
Switching frequency (min) (kHz)2250
Switching frequency (max) (kHz)2250
FeaturesEnable, Forced PWM, Light load efficiency, Synchronous Rectification
Operating temperature range (°C)-40 to 115
RatingAutomotive
Regulated outputs (#)1
Control modeVoltage mode
Duty cycle (max) (%)100
TypeConverter
SOT-23-THN (DDC)58.12 mm² 2.9 x 2.8
产品购买
  • 商品型号
  • 封装
  • 工作温度
  • 包装
  • 价格
  • 现货库存
  • 操作
10s
温馨提示:
订单商品问题请移至我的售后服务提交售后申请,其他需投诉问题可移至我的投诉提交,我们将在第一时间给您答复
返回顶部