h1_key

TI(德州仪器) TPS54040A
德州仪器 (TI) 全系列产品在线购买
  • TI(德州仪器) TPS54040A
  • TI(德州仪器) TPS54040A
  • TI(德州仪器) TPS54040A
  • TI(德州仪器) TPS54040A
  • TI(德州仪器) TPS54040A
  • TI(德州仪器) TPS54040A
立即查看
您当前的位置: 首页 > 电源管理 > 直流/直流开关稳压器 > 降压稳压器 > TPS54040A
TPS54040A

TPS54040A

正在供货

具有 Eco-Mode 的 3.5V 至 42V 输入、0.5A 降压转换器

产品详情
  • 说明
  • 特性
  • 参数
  • 封装 | 引脚 | 尺寸

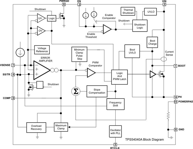
TPS54040A 器件是一款 42V,0.5A,降压稳压器,此稳压器具有一个集成的高侧 MOSFET。 电流模式控制提供了简单的外部补偿和组件选择的灵活性。 一个低纹波脉冲跳跃模式将无负载、经调节的输入电源电流减少至 116μA。 通过使用使能引脚,当它为低电平时,关断电源电流降标称值为 1.3μA。

欠压闭锁在内部设定为 2.5V,但可采用使能引脚将之提高。 输出电压启动斜坡受控于缓慢起动引脚,该引脚还可被配置用来控制电源排序或者跟踪。 开漏电源状态良好信号表示输出处于其标称电压的 94% 至 107% 之内。

宽广的开关频率范围使得能够对效率及外部组件尺寸进行优化。 频率折返和热关断功能在过载情况下对部件实施保护。

  • 3.5V 至 42V 输入电压范围
  • 200mΩ 高侧金属氧化物半导体场效应晶体 (MOSFET)
  • 在带有脉冲跳跃的轻负载条件上实现了高效率 Eco-mode
  • 比 TPS54040 更严密的使能阀值
    为了实现更加精准的欠压锁定 (UVLO) 电压
  • 可调的 UVLO 电压和滞后
  • 116μA 工作静态电流
  • 1.3μA 关断电流
  • 100kHz 至 2.5MHz 的开关频率
  • 同步至外部时钟
  • 可调节的缓慢起动/排序
  • 欠压 (UV) 和过流 (OV) 电源良好输出
  • 0.8V 内部电压基准
  • 采用微型小外形尺寸 (MSOP)-10 和超薄型小外形尺寸 (VSON)-10 封装
  • 受 WEBENCH 和 SwitcherPro 软件工具
    支持。
  • 针对 SWIFT 如需查阅文档,请登录 TI 网站http://www.ti.com/swift
Vin (min) (V)3.5
Vin (max) (V)42
Vout (min) (V)0.8
Vout (max) (V)39
Iout (max) (A)0.5
Iq (typ) (mA)0.116
Switching frequency (min) (kHz)100
Switching frequency (max) (kHz)2500
FeaturesEnable, Frequency synchronization, Light Load Efficiency, Over Current Protection, Power good, Tracking, UVLO adjustable
Operating temperature range (°C)-40 to 125
RatingCatalog
Regulated outputs (#)1
Control modecurrent mode
Duty cycle (max) (%)98
TypeConverter
HVSSOP (DGQ)1014.7 mm² 3 x 4.9
VSON (DRC)109 mm² 3 x 3
产品购买
  • 商品型号
  • 封装
  • 工作温度
  • 包装
  • 价格
  • 现货库存
  • 操作
10s
温馨提示:
订单商品问题请移至我的售后服务提交售后申请,其他需投诉问题可移至我的投诉提交,我们将在第一时间给您答复
返回顶部