h1_key

TI(德州仪器) UCC28070A
德州仪器 (TI) 全系列产品在线购买
  • TI(德州仪器) UCC28070A
  • TI(德州仪器) UCC28070A
  • TI(德州仪器) UCC28070A
  • TI(德州仪器) UCC28070A
  • TI(德州仪器) UCC28070A
  • TI(德州仪器) UCC28070A
立即查看
您当前的位置: 首页 > 电源管理 > 交流/直流和隔离式直流/直流开关稳压器 > 功率因数校正 (PFC) 控制器 > UCC28070A
UCC28070A

UCC28070A

正在供货

具有扩展频率范围(10kHz 至 300kHz)的两相交错式 CCM PFC 控制器

产品详情
  • 说明
  • 特性
  • 参数
  • 封装 | 引脚 | 尺寸

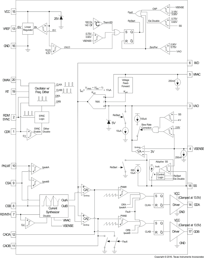
UCC28070A 器件是 UCC28070 器件的扩展频率范围衍生器件,能够以较低的开关频率工作,满足高功率应用中基于 IGBT 电源开关的 PFC 转换器的 需求。

UCC28070A 器件能够在 10kHz 至 300kHz 的频率范围内运行,相比最小运行频率被限制为 30kHz 的 UCC28070 器件,扩展了运行范围。UCC28070A 器件 拥有 UCC28070 器件的所有其他特性与优势。180° 异相交错操作可大幅减少输入和输出端的波纹电流,这使得器件能够以更低的成本轻松滤除传导电磁干扰 (EMI)。

与 UCC28070 器件一样,UCC28070A 器件也 包含 多项创新(包括电流合成和量化电压前馈),用以促进 PF、效率、总谐波失真 (THD) 和瞬态响应方面的性能提升。频率抖动 和时钟同步等特性以及转换率的提高进一步扩展了潜在的性能提升。UCC28070 器件 具备 的全部保护特性(例如,输出过压检测、可编程峰值电流限制、欠压锁定和开环保护),UCC28070A 器件也同样具备。

  • 交错式平均电流模式脉宽调制 (PWM) 控制(固有电流匹配)
  • 高级电流合成器电流感应,可实现出色的效率
  • 具有内部量化电压前馈校正的高线性度乘法器输出,有助于获得近似为 1 的功率因数 (PF)
  • 扩展频率可编程范围
    (10kHz 至 300kHz)
  • 可编程最大占空比钳位
  • 针对增强型电磁干扰 (EMI) 抑制的可编程频率抖动速度和幅度
    • 幅度:3kHz 至 30kHz
    • 速率:高达 30kHz
  • 外部时钟同步能力
  • 通过电压放大器输出转换率修正实现的增强型负载和线路瞬态响应
  • 可编程峰值电流限制
  • 偏置电源欠压锁定 (UVLO)、过压保护、开环检测和功率因数校正 (PFC) 使能监控
  • 外部 PFC 禁用接口
  • VSENSE 和
    VINAC 引脚上具有开路保护
  • 可编程软启动

应用

  • 空调和白色家电
  • 带有绝缘栅双极型晶体管 (IGBT) 电源开关的 PFC 应用
  • 高效服务器和台式机电源
  • 电信用整流器
  • 工业设备

All trademarks are the property of their respective owners.

TopologyBoost
Control modeCCM
Switching frequency (max) (kHz)300
UVLO thresholds on/off (V)10.2/9.2
Vin (max) (V)21
Features> 750 W applications, Average current mode, Continuous Control Mode, Interleaved, Overvoltage protection, Programable Switching Frequency
RatingCatalog
Operating temperature range (°C)-40 to 125
Duty cycle (max) (%)99
TSSOP (PW)2041.6 mm² 6.5 x 6.4
产品购买
  • 商品型号
  • 封装
  • 工作温度
  • 包装
  • 价格
  • 现货库存
  • 操作
10s
温馨提示:
订单商品问题请移至我的售后服务提交售后申请,其他需投诉问题可移至我的投诉提交,我们将在第一时间给您答复
返回顶部