h1_key

TI(德州仪器) TPS65912
德州仪器 (TI) 全系列产品在线购买
  • TI(德州仪器) TPS65912
  • TI(德州仪器) TPS65912
  • TI(德州仪器) TPS65912
  • TI(德州仪器) TPS65912
  • TI(德州仪器) TPS65912
  • TI(德州仪器) TPS65912
立即查看
您当前的位置: 首页 > 电源管理 > 多通道 IC (PMIC) > TPS65912
TPS65912

TPS65912

正在供货

具有 4 个直流/直流转换器、10 个 LDO、3 个 LED 输出和 32kHz RC 振荡器的电源管理 IC (PMIC)

产品详情
  • 说明
  • 特性
  • 参数
  • 封装 | 引脚 | 尺寸

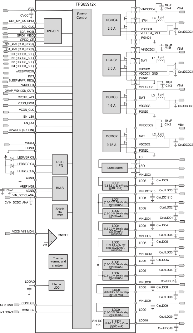
The TPS65912x device provides four configurable step-down converters with up to 2.5-A output current for memory, processor core, I/O, or preregulation of LDOs. The device also contains ten LDO regulators for external use. These LDOs can be supplied from either a battery or a preregulated supply. Power-up or power-down controller is configurable and can support any power-up or power-down sequences
(OTP-based). The TPS65912x device integrates a 32-kHz RC oscillator to sequence all resources during power up or power down. All LDOs and DC-DC converters can be controlled by I2C-SPI interface or basic ENABLE balls. In addition, an independent automatic voltage-scaling interface allows for transitioning
DC-DC to a different voltage by I2C or basic Roof/Floor Control. Three RGB LEDs with an advanced dimming feature are integrated inside the device. GPIO functionality is multiplexed with LED/ENABLE/SPI when not used. Each GPIO can be configured as part of the power-up sequence to control external resources. One SLEEP pin enables power mode control between active mode and preprogrammed sleep mode for power optimization. For system control, the TPS65912x device has one comparator for system state management. The TPS65912x device comes in a 9-pin × 9-pin DSBGA package (3.6 mm × 3.6 mm) with a 0.4-mm pitch.

  • Four Step-Down Converters:
    • VIN Range From 2.7 V to 5.5 V
    • Power Save Mode at Light Load Current
    • Output Voltage Accuracy in PWM Mode ±2%
    • Typical 26-µA Quiescent Current per Converter
    • Dynamic Voltage Scaling
    • 100% Duty Cycle for Lowest Dropout
  • Ten LDOs:
    • 8 General-Purpose LDOs
    • Output Voltage Range From 0.8 V to 3.3 V
    • 2 Low-Noise RF-LDOs
    • Output Voltage Range From 1.6 V to 3.3 V
    • 32-µA Quiescent Current
    • Preregulation Support by Separate Power Inputs
    • ECO Mode
    • VIN Range of LDOs Respective to the Following Voltage Ranges:
      • 1.8 V to 3.6 V
      • 3.0 V to 5.5 V
  • Three LED Outputs:
    • Internal Dimming Using I2C
    • Multiplexed With GPIOs
    • Up to 20 mA per Current Sink
  • Thermal Monitoring
    • High Temperature Warning
    • Thermal Shutdown
  • Bypass Switch
    • Used With DCDC4 in Applications Powering an RF-PA
    • For Example, as Supply Switch for SD Cards
  • Interface
    • I2C Interface
    • Power I2C Interface for Dynamic Voltage Scaling
    • SPI
  • 32-kHz RC Oscillator
  • Undervoltage Lockout and Battery Fault Comparator
  • Long Button-Press Detection
  • Flexible Power-Up and Power-Down Sequencing
  • 3.6-mm × 3.6-mm DSBGA Package With 0.4-mm Pitch
Regulated outputs (#)14
ConfigurabilityFactory programmable
Vin (min) (V)0.8
Vin (max) (V)5.5
Iout (max) (A)2.5
FeaturesComm control, Dynamic voltage scaling, Eco-mode, Overcurrent protection, Power sequencing, Thermal shutdown, UVLO fixed
Step-up DC/DC converter0
Step-down DC/DC converter4
Step-down DC/DC controller0
Step-up DC/DC controller0
LDO10
Iq (typ) (mA)0.008
RatingCatalog
Switching frequency (max) (kHz)2800
Operating temperature range (°C)-40 to 85
Processor supplierGeneric
Processor nameGeneric
Shutdown current (ISD) (typ) (µA)3
Switching frequency (typ) (kHz)2800
DSBGA (YFF)8116 mm² 4 x 4
产品购买
  • 商品型号
  • 封装
  • 工作温度
  • 包装
  • 价格
  • 现货库存
  • 操作
10s
温馨提示:
订单商品问题请移至我的售后服务提交售后申请,其他需投诉问题可移至我的投诉提交,我们将在第一时间给您答复
返回顶部