h1_key

TI(德州仪器) TLV62130
德州仪器 (TI) 全系列产品在线购买
  • TI(德州仪器) TLV62130
  • TI(德州仪器) TLV62130
  • TI(德州仪器) TLV62130
  • TI(德州仪器) TLV62130
  • TI(德州仪器) TLV62130
  • TI(德州仪器) TLV62130
立即查看
您当前的位置: 首页 > 电源管理 > 直流/直流开关稳压器 > 降压稳压器 > TLV62130
TLV62130

TLV62130

正在供货

采用 3x3 QFN 封装的 3-17V 3A 降压转换器

产品详情
  • 说明
  • 特性
  • 参数
  • 封装 | 引脚 | 尺寸

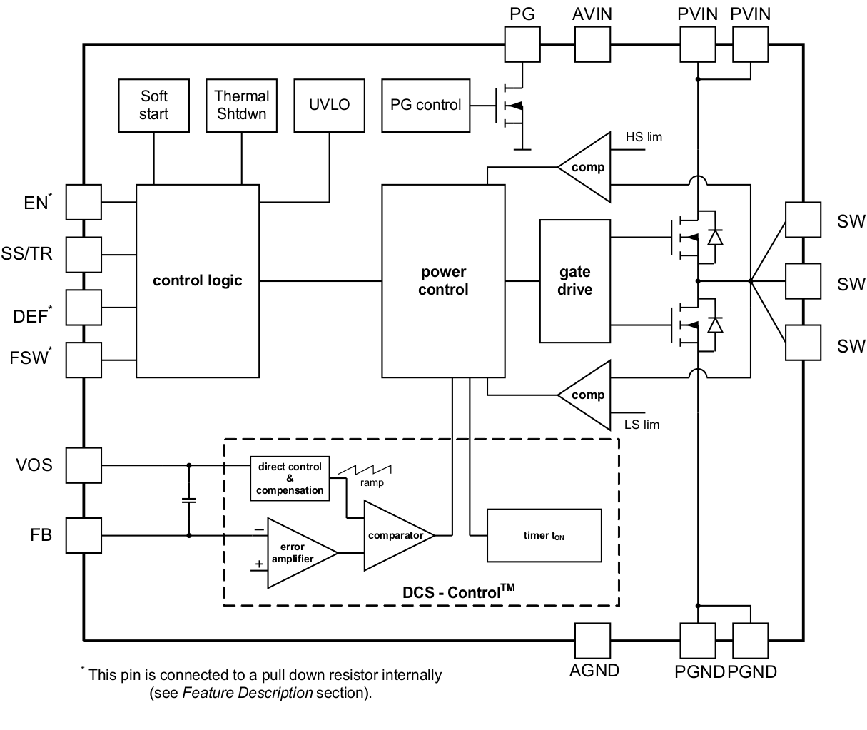
TLV62130 器件是易于使用的同步降压 DC-DC 转换器,针对 高功率密度的应用 进行了优化。该器件的开关频率典型值高达 2.5MHz,允许使用小型电感器,通过利用 DCS-Control™拓扑技术提供快速的瞬态响应并实现高输出电压精度。

此器件具有 3V 至 17V 宽运行输入电压范围,非常适用于由锂离子或其它电池以及 12V 中间电源轨供电的系统。其支持高达 3A 的持续输出电流,输出电压范围为 0.9V 至 5.5V(100% 占空比模式下)。

输出电压启动斜坡由软启动引脚控制,可由独立电源供电运行,也可在跟踪配置下运行。此外,还可以通过配置使能引脚和开漏电源正常状态引脚实现电源排序。

在节能模式下,器件可根据 VIN 生成约 19µA 的静态电流。负载较小时可自动且无缝进入节能模式,同时该模式可保持整个负载范围内的高效率。在关断模式下,此器件会关闭且关断期间的流耗少于 2µA。

该器件采用 3mm × 3mm (RGT) 16 引脚超薄型四方扁平无引线 (VQFN) 封装。

  • DCS-Control™拓扑
  • 输入电压范围:3V 至 17V
  • 输出电流高达 3A
  • 可调节输出电压为 0.9V 至 5.5V
  • 可通过引脚选择输出电压(标称值,+5%)
  • 可编程软启动和跟踪
  • 无缝省电模式转换
  • 19µA 的静态电流(典型值)
  • 可选运行频率
  • 电源正常输出
  • 100% 占空比模式
  • 短路保护功能
  • 过热保护
  • 要获得改进的特性集,请见 TPS62130
  • 与 TLV62150 引脚兼容 中)
  • 采用 3mm × 3mm VQFN-16 封装
  • 使用 TLV62130 并借助 WEBENCH® Power Designer 创建定制设计方案
Vin (min) (V)3
Vin (max) (V)17
Vout (min) (V)0.9
Vout (max) (V)5.25
Iout (max) (A)3
Iq (typ) (mA)0.019
Switching frequency (min) (kHz)1250
Switching frequency (max) (kHz)2500
FeaturesEnable, Light Load Efficiency, Output discharge, Power good, Pre-Bias Start-Up, Synchronous Rectification, Tracking, Voltage Margining
Operating temperature range (°C)-40 to 85
RatingCatalog
Regulated outputs (#)1
Control modeConstant on-time (COT), DCS-Control
Duty cycle (max) (%)100
TypeConverter
VQFN (RGT)169 mm² 3 x 3
产品购买
  • 商品型号
  • 封装
  • 工作温度
  • 包装
  • 价格
  • 现货库存
  • 操作
10s
温馨提示:
订单商品问题请移至我的售后服务提交售后申请,其他需投诉问题可移至我的投诉提交,我们将在第一时间给您答复
返回顶部