h1_key

TI(德州仪器) TLV62150
德州仪器 (TI) 全系列产品在线购买
  • TI(德州仪器) TLV62150
  • TI(德州仪器) TLV62150
  • TI(德州仪器) TLV62150
  • TI(德州仪器) TLV62150
  • TI(德州仪器) TLV62150
  • TI(德州仪器) TLV62150
立即查看
您当前的位置: 首页 > 电源管理 > 直流/直流开关稳压器 > 降压稳压器 > TLV62150
TLV62150

TLV62150

正在供货

具有 DCS-Control™ 功能的 4V 至 17V 1A 降压转换器

产品详情
  • 说明
  • 特性
  • 参数
  • 封装 | 引脚 | 尺寸

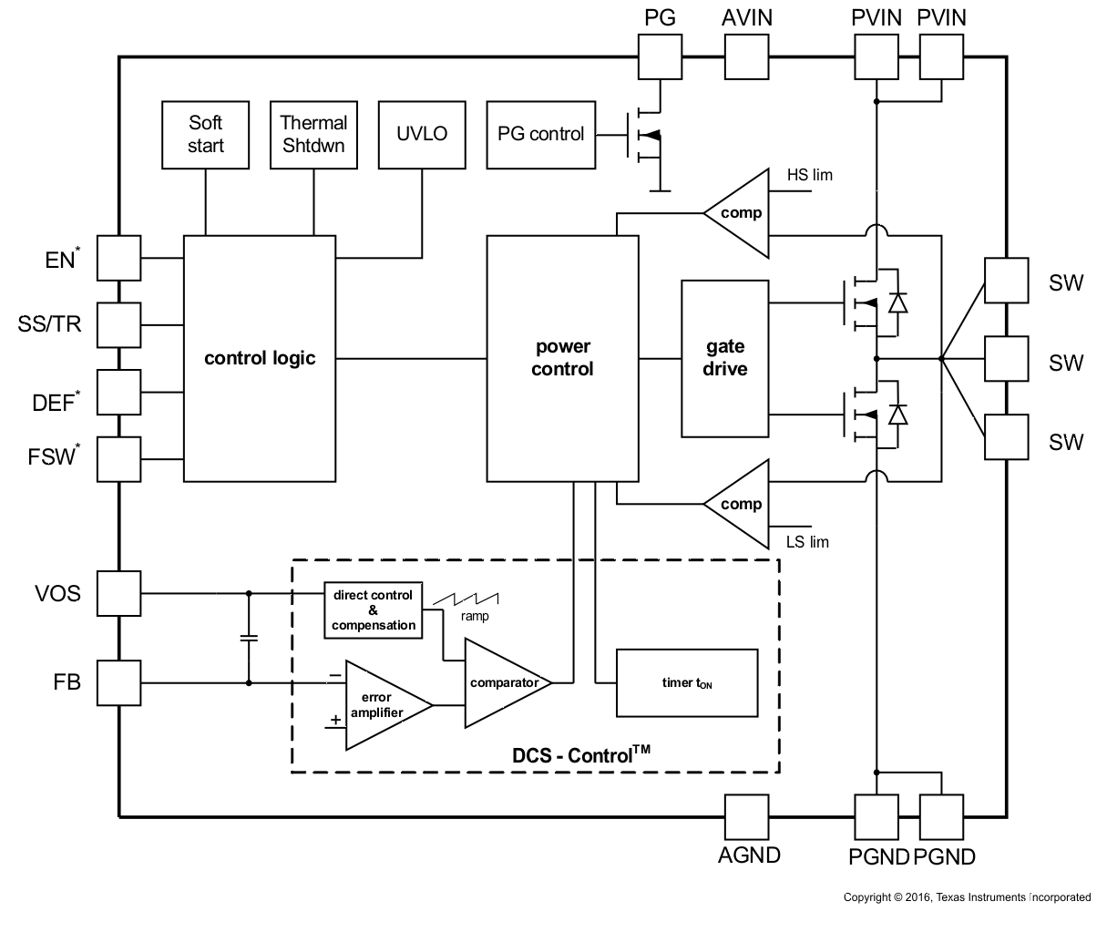
TLV62150x 器件是一款简单易用的同步降压 DC-DC 转换器,针对 高功率密度的应用 进行了优化。该器件的开关频率典型值高达 2.5MHz,允许使用小型电感器,通过利用DCS-Control™ 拓扑提供快速瞬态响应并实现高输出电压精度。

此器件具有 4V 至 17V 宽运行输入电压范围,非常适用于由锂离子或其它电池以及 12V 中间电源轨供电的系统。其输出电压为 0.9V 至 5V,支持高达 1A 的持续输出电流(使用 100% 占空比模式)。

输出电压启动斜坡由软启动引脚控制,从而允许作为独立电源或者在跟踪配置下的运行。通过配置使能和开漏电源正常引脚也有可能实现电源排序。

在节能模式下,器件可根据输入电压 (VIN) 生成约 19μA 的静态电流。负载较小时可自动且无缝进入节能模式,同时该模式可保持整个负载范围内的高效率。在关断模式下,此器件会关闭且关断期间的流耗少于 2μA。

该器件采用 3mm × 3mm (RGT) 16 引脚超薄型四方扁平无引线 (VQFN) 封装。

  • DCS-Control拓扑技术
  • 输入电压范围:4V 至 17V
  • 输出电流高达 1A
  • 0.9V 至 5V 可调节输出电压
  • 引脚可选输出电压(标称值,+5%)
  • 可编程软启动和跟踪
  • 无缝节电模式转换
  • 19µA 的静态电流(典型值)
  • 可选运行频率
  • 电源正常输出
  • 100% 占空比模式
  • 短路保护
  • 过温保护
  • 要了解改进的特性集,请见TPS62150
  • 引脚至引脚兼容于 TLV62130
  • 采用 3mm × 3mm 超薄四方扁平无引线 (VQFN)-16 封装

应用

  • 标准 12V 导轨式电源
  • 由单节或多节锂离子电池组成的负载点 (POL) 电源
  • 电器、楼宇自动化
  • 移动 PC、平板、调制解调器、摄像头
  • TV、机顶盒、音频

All trademarks are the property of their respective owners.

Vin (min) (V)4
Vin (max) (V)17
Vout (min) (V)0.9
Vout (max) (V)5.25
Iout (max) (A)1
Iq (typ) (mA)0.019
Switching frequency (min) (kHz)1250
Switching frequency (max) (kHz)2500
FeaturesEnable, Light Load Efficiency, Output discharge, Power good, Tracking, Voltage Margining
Operating temperature range (°C)-40 to 85
RatingCatalog
Regulated outputs (#)1
Control modeConstant on-time (COT), DCS-Control
Duty cycle (max) (%)100
TypeConverter
VQFN (RGT)169 mm² 3 x 3
产品购买
  • 商品型号
  • 封装
  • 工作温度
  • 包装
  • 价格
  • 现货库存
  • 操作
10s
温馨提示:
订单商品问题请移至我的售后服务提交售后申请,其他需投诉问题可移至我的投诉提交,我们将在第一时间给您答复
返回顶部