h1_key

TI(德州仪器) TPS51225C
德州仪器 (TI) 全系列产品在线购买
  • TI(德州仪器) TPS51225C
  • TI(德州仪器) TPS51225C
  • TI(德州仪器) TPS51225C
  • TI(德州仪器) TPS51225C
  • TI(德州仪器) TPS51225C
  • TI(德州仪器) TPS51225C
立即查看
您当前的位置: 首页 > 电源管理 > 直流/直流开关稳压器 > 降压稳压器 > TPS51225C
TPS51225C

TPS51225C

正在供货

具有 VREG5 随时运行的 LDO 的 5.5V 至 24V 双路同步降压控制器

产品详情
  • 说明
  • 特性
  • 参数
  • 封装 | 引脚 | 尺寸

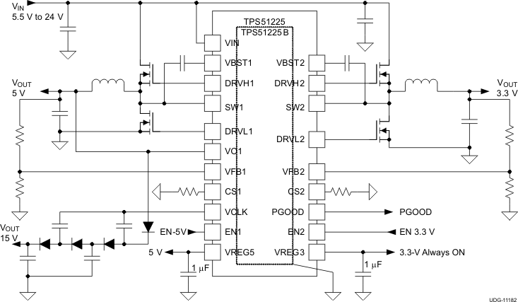
TPS51225/B/C 是一款针对笔记本电脑系统电源解决方案的高性价比、双同步降压控制器。 它提供 5V 和 3.3V LDO 并且只需要使用极少的外部组件。 260kHz VCLK 输出可被用于驱动一个外部电荷泵,为负载开关生成栅极驱动电压而不会降低主转换器的效率。 TPS51225/B/C 支持高效率,快速瞬态响应并提供一个组合电源正常信号。 自适应接通时间,D-CAP™ 控制提供便捷且有效的运行。 这一器件运行电源输入电压范围介于 5.5V 至 24V 之间并且支持 5.0V 和 3.3V 的输出电压。TPS51225/B/C 采用 20 引脚,3mm x 3mm,QFN 封装,额定运行温度 -40°C 至 85°C。

  • 输入电压范围:5.5V 至 24V
  • 输出电压:5V 和 3.3V(可调范围 ±10%)
  • 内置,100mA,5V 和 3.3V LDO
  • 用于电荷泵的时钟输出
  • ±1% 基准精度
  • 自适应接通时间 D-CAP 支持 300kHz/355kHz 频率设置的模式控制架构
  • 自动跳跃轻负载运行 (TPS51225/C)
  • OOA 轻负载运行 (TPS51225/B)
  • 内部 0.8ms 电压伺服器软启动
  • 温度系数为 4500 ppm/°C 的低侧 RDS(接通)电流感测体系
  • 内置输出放电功能
  • 用于开关的独立使能输入 (TPS51225/B/C)
  • 专用 OC 设置终端
  • 电源正常指示器
  • 过压 (OVP) 保护/欠压 (UVP) 保护/过流 (OCP) 保护
  • 非锁存欠压闭锁 (UVLO) / 过热 (OTP) 保护
  • 20 引脚,3mm x 3mm,四方扁平无引线 (QFN) (RUK) 封装
Vin (min) (V)5.5
Vin (max) (V)24
Vout (min) (V)4.5
Vout (max) (V)5.5
Iout (max) (A)10
Iq (typ) (mA)0.9
Switching frequency (min) (kHz)300
Switching frequency (max) (kHz)355
FeaturesEnable, Light Load Efficiency, Power good, Synchronous Rectification
Operating temperature range (°C)-40 to 85
Regulated outputs (#)2
Number of phases1
RatingCatalog
Control modeD-CAP
TypeController
WQFN (RUK)209 mm² 3 x 3
产品购买
  • 商品型号
  • 封装
  • 工作温度
  • 包装
  • 价格
  • 现货库存
  • 操作
10s
温馨提示:
订单商品问题请移至我的售后服务提交售后申请,其他需投诉问题可移至我的投诉提交,我们将在第一时间给您答复
返回顶部