h1_key

TI(德州仪器) TPS53219A
德州仪器 (TI) 全系列产品在线购买
  • TI(德州仪器) TPS53219A
  • TI(德州仪器) TPS53219A
  • TI(德州仪器) TPS53219A
  • TI(德州仪器) TPS53219A
  • TI(德州仪器) TPS53219A
  • TI(德州仪器) TPS53219A
立即查看
您当前的位置: 首页 > 电源管理 > 直流/直流开关稳压器 > 降压稳压器 > TPS53219A
TPS53219A

TPS53219A

正在供货

具有 Eco Mode 的 3V 至 28V、20A 同步 D-CAP 降压控制器

产品详情
  • 说明
  • 特性
  • 参数
  • 封装 | 引脚 | 尺寸

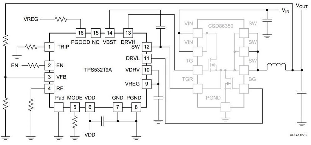
TPS53219A 器件是一款具有自适应导通时间 D-CAP 模式控制的小型单路降压控制器。此器件适合用于低输出电压,高电流,PC系统电源轨和数字消费类产品中相似的负载点(POL)电源。此小型封装和最小引脚数量节省了印刷电路板(PCB)上的空间,同时此专用EN引脚和预设定的频率选择简化了电源设计。轻载情况下的跳跃模式、强大的栅极驱动器以及低侧 FET RDS(on) 电流检测功能可在广泛的负载范围内支持低损耗和高效率特性。转换输入电压(高侧 FET 漏极电压)范围介于 4.5V 和 25V 之间,并且输出电压范围介于 0.6V 和 5.5V 之间。TPS53219A 采用 16 引脚 VQFN 封装,其额定工作温度为 –40°C 至 +85°C。

  • 转换输入电压范围:3V 至 28V
  • VDD 输入电压范围:4.5V 至 25V
  • 输出电压范围:0.6V 至 5.5V
  • 宽输出负载范围:0A 至 > 20A
  • 内置 0.6V (±0.8%) 基准电压
  • 内置 LDO 线性稳压器
  • 自动跳跃 Eco-Mode,™可实现轻负载效率
  • D-CAP™模式,提供 100ns 的负载阶跃响应
  • 自适应导通时间控制架构,具有 8 种频率设置可供选择
  • 4700ppm/°C RDS(on) 电流检测
  • 0.7ms、1.4ms、2.8ms 和 5.6ms 可选内部电压伺服器软启动
  • 预充电启动能力
  • 内置输出放电
  • 开漏电源正常状态输出
  • 集成升压开关
  • 内置过压保护/欠压保护/过流保护
  • 热关断(非锁存)
  • 3mm × 3mm QFN、16 引脚 (RGT) 封装
Vin (min) (V)3
Vin (max) (V)28
Vout (min) (V)0.6
Vout (max) (V)5.5
Iout (max) (A)20
Iq (typ) (mA)0.4
Switching frequency (min) (kHz)250
Switching frequency (max) (kHz)970
FeaturesEnable, Light Load Efficiency, Power good, Pre-Bias Start-Up
Operating temperature range (°C)-40 to 85
Regulated outputs (#)1
Number of phases1
RatingCatalog
Control modeD-CAP
TypeController
VQFN (RGT)169 mm² 3 x 3
产品购买
  • 商品型号
  • 封装
  • 工作温度
  • 包装
  • 价格
  • 现货库存
  • 操作
10s
温馨提示:
订单商品问题请移至我的售后服务提交售后申请,其他需投诉问题可移至我的投诉提交,我们将在第一时间给您答复
返回顶部