h1_key

TI(德州仪器) TPS2561-Q1
德州仪器 (TI) 全系列产品在线购买
  • TI(德州仪器) TPS2561-Q1
  • TI(德州仪器) TPS2561-Q1
  • TI(德州仪器) TPS2561-Q1
  • TI(德州仪器) TPS2561-Q1
  • TI(德州仪器) TPS2561-Q1
  • TI(德州仪器) TPS2561-Q1
立即查看
您当前的位置: 首页 > 电源管理 > USB 电源开关和充电端口控制器 > TPS2561-Q1
TPS2561-Q1

TPS2561-Q1

正在供货

高电平有效的汽车类双通道、0.25-2.8A 可调节ILIMIT、2.5-6.5V、44mΩ USB 电源开关

产品详情
  • 说明
  • 特性
  • 参数
  • 封装 | 引脚 | 尺寸

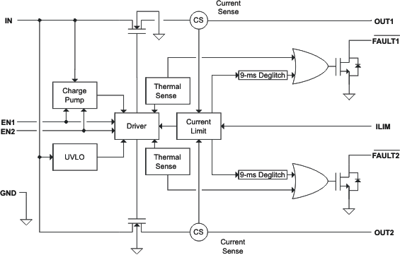
TPS2561-Q1是一款双通道配电开关,此开关适合于对电流限制精度有要求或者会遇到重电容负载和短路的应用。 这些器件借助一个外部电阻器为每通道提供一个 250 mA 至 2.8 A (典型值)间的可编程电流限制阀值。 对电源开关的上升和下降次数进行控制以便在接通/切断期间大大降低电流浪涌。

当输出负载超过电流限制阀值时,通过切换到一个恒定电流模式,TPS2561-Q1器件的每个通道将输出电流限制在一个安全水平上。 在过流和过热情况下,每个通道的 FAULTx 逻辑输出独立低电平有效。

  • 符合汽车应用要求
  • 2 个分开的电流限制通道
  • 满足 USB电流限制要求
  • 可调电流限制,250 mA–2.8 A (典型值)
  • 2.8 A电流下的 +/– 7.5%电流限制精
  • 快速过流响应 - 3.5 μS (典型值)
  • 2个 44-mΩ 高侧金属氧化半导体场效应晶体管 (MOSFET)
  • 工作范围: 2.5 V 至 6.5 V
  • 2-μA 最大待机电源电流
  • 内置软启动
  • 15 kV/8 kV 系统级静电放电 (ESD) 能
  • UL 列表 - 文件号 E169910
  • 经认证的 CB 和 Nemko

Product typeAdjustable current limit, Power switch
Vin (min) (V)2.5
Vin (max) (V)6.5
Continuous current (max) (A)2.5
Current limit (A)0.25 to 2.5
Operating temperature range (°C)-40 to 125
EnableActive High
Number of switches2
Current limit accuracy at 1 A7.5% (2590mA min / 3005mA max)
RatingAutomotive
VSON (DRC)109 mm² 3 x 3
产品购买
  • 商品型号
  • 封装
  • 工作温度
  • 包装
  • 价格
  • 现货库存
  • 操作
10s
温馨提示:
订单商品问题请移至我的售后服务提交售后申请,其他需投诉问题可移至我的投诉提交,我们将在第一时间给您答复
返回顶部