h1_key

TI(德州仪器) TPS62152
德州仪器 (TI) 全系列产品在线购买
  • TI(德州仪器) TPS62152
  • TI(德州仪器) TPS62152
  • TI(德州仪器) TPS62152
  • TI(德州仪器) TPS62152
  • TI(德州仪器) TPS62152
  • TI(德州仪器) TPS62152
立即查看
您当前的位置: 首页 > 电源管理 > 直流/直流开关稳压器 > 降压稳压器 > TPS62152
TPS62152

TPS62152

正在供货

采用 3x3 QFN 封装的 3–17V 1A 降压转换器

产品详情
  • 说明
  • 特性
  • 参数
  • 封装 | 引脚 | 尺寸

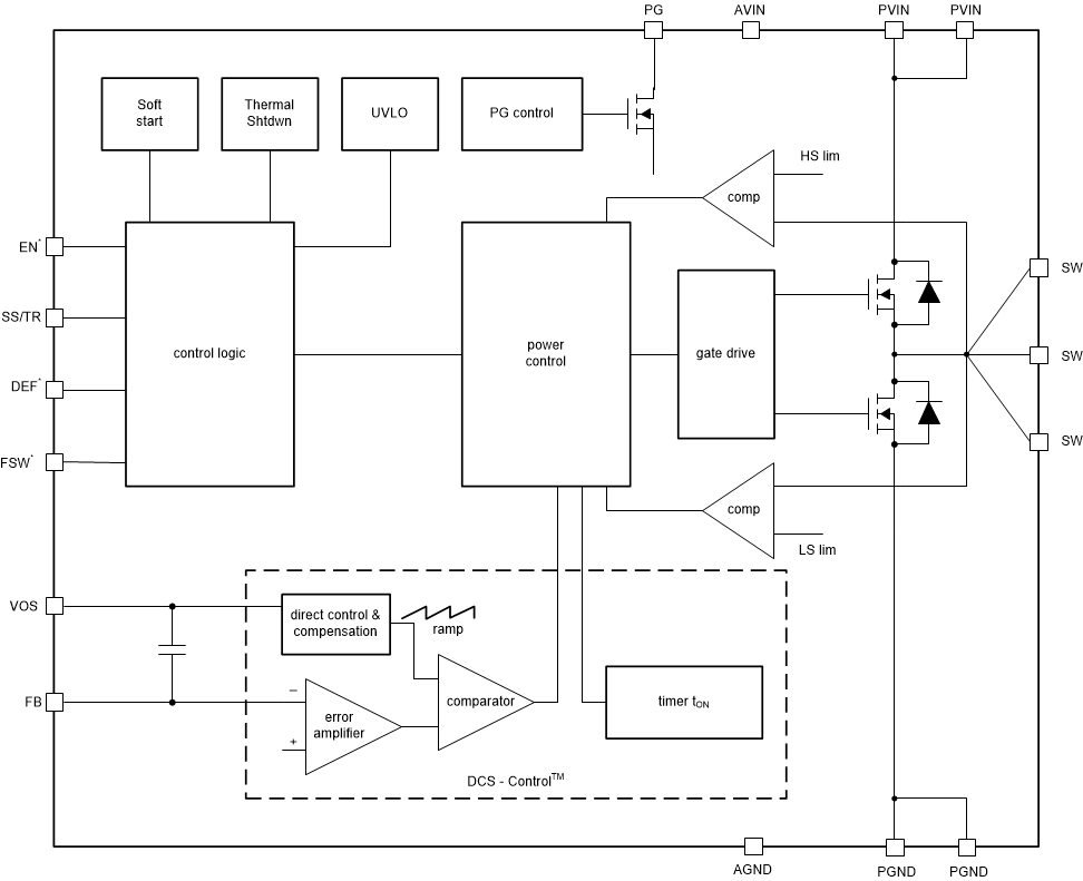
TPS6215x 系列是一款易于使用的同步降压直流/直流转换器,此转换器针对高功率密度应用进行了优化。该系列器件的开关频率典型值高达 2.5MHz,允许使用小型电感器,通过利用 DCS-Control 拓扑技术提供快速瞬态响应并实现高输出电压精度。

该系列器件具有 3V 至 17V 宽运行输入电压范围,非常适用于由锂离子或其他电池以及 12V 中间电源轨供电的系统。其输出电压为 0.9V 至 6V,支持高达 1A 的持续输出电流(在 100% 占空比模式下)。软启动引脚控制输出电压启动斜坡,从而允许器件作为独立电源或者在跟踪配置下运行。此外,还可以通过配置使能 (EN) 引脚和开漏电源正常状态 (PG) 引脚实现电源排序。

在节能模式下,器件在 VIN 作用下生成约 17µA 的静态电流。负载较小时可自动且无缝进入节能模式,同时该模式可保持整个负载范围内的高效率。该器件在关断模式下处于关断状态,期间的流耗低于 2µA。

此器件提供可调节输出电压和固定输出电压两个版本,采用 3mm × 3mm 16 引脚 VQFN 封装 (RGT)。

  • DCS-Control™ 拓扑
  • 输入电压范围:3 V 至 17 V
  • 输出电流高达 1A
  • 可调输出电压范围为 0.9 V 至 6 V
  • 引脚可选输出电压(标称值,+5%)
  • 可编程软启动和跟踪
  • 无缝节能模式转换
  • 17µA 的静态电流(典型值)
  • 可选工作频率
  • 电源正常状态输出
  • 100% 占空比模式
  • 短路保护
  • 过热保护
  • 与 TPS62130 和 TPS62140 引脚对引脚兼容
  • 采用 3mm × 3mm VQFN-16 封装
  • 使用 TPS82150 模块缩短设计时间
Vin (min) (V)3
Vin (max) (V)17
Vout (min) (V)3.3
Vout (max) (V)3.3
Iout (max) (A)1
Iq (typ) (mA)0.017
Switching frequency (min) (kHz)1250
Switching frequency (max) (kHz)2500
FeaturesEnable, Light Load Efficiency, Output discharge, Power good, Synchronous Rectification, Tracking, Voltage Margining
Operating temperature range (°C)-40 to 125
RatingCatalog
Regulated outputs (#)1
Control modeConstant on-time (COT), DCS-Control
Duty cycle (max) (%)100
TypeConverter
VQFN (RGT)169 mm² 3 x 3
产品购买
  • 商品型号
  • 封装
  • 工作温度
  • 包装
  • 价格
  • 现货库存
  • 操作
10s
温馨提示:
订单商品问题请移至我的售后服务提交售后申请,其他需投诉问题可移至我的投诉提交,我们将在第一时间给您答复
返回顶部