h1_key

TI(德州仪器) LM25118-Q1
德州仪器 (TI) 全系列产品在线购买
  • TI(德州仪器) LM25118-Q1
  • TI(德州仪器) LM25118-Q1
  • TI(德州仪器) LM25118-Q1
  • TI(德州仪器) LM25118-Q1
  • TI(德州仪器) LM25118-Q1
  • TI(德州仪器) LM25118-Q1
立即查看
您当前的位置: 首页 > 电源管理 > 直流/直流开关稳压器 > 降压/升压和反相稳压器 > LM25118-Q1
LM25118-Q1

LM25118-Q1

正在供货

符合 AEC-Q100 标准的 3V 至 42V 宽输入电压、电流模式非同步降压/升压控制器

产品详情
  • 说明
  • 特性
  • 参数
  • 封装 | 引脚 | 尺寸

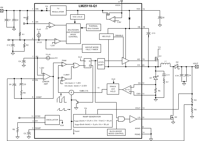
LM25118-Q1 宽电压范围降压/升压开关稳压器控制器 具有 使用最少外部组件实现高性能且具成本效益的降压/升压稳压器所需的所有功能。当输入电压低于或高于输出电压时,降压/升压拓扑可使输出电压保持稳定,因此,这款器件非常适合汽车 应用。当输入电压比调节后的输出电压足够大时,LM25118 将作为降压稳压器运行,然后随着输入电压接近输出电压逐渐过渡到相应的降压/升压模式。这种双模式方法可在宽输入电压范围内保持稳压,并且在降压模式下提供最佳的转换效率,同时在模式转换期间提供无干扰的输出。该控制器易于使用,其中包含适用于高侧降压 MOSFET 和低侧升压 MOSFET 的驱动器。该稳压器的控制方法基于采用仿真电流斜坡的电流模式控制。仿真电流模式控制可降低脉宽调制电路的噪声敏感度,以便可靠地控制高输入电压 应用中所需的极小占空比。额外保护 功能 包括电流限制、热关断和使能输入。该器件采用功耗增强型 20 引脚 HTSSOP 封装,并且配有利于散热的裸露芯片连接焊盘。

  • 符合 AEC-Q100 的汽车应用 标准
    • 器件温度 1 级:-40°C 至 +125°C 的环境运行温度范围
    • 器件 HBM ESD 分类等级 2
    • 器件组件充电模式 (CDM) ESD 分类等级 C6
  • 输入电压工作范围为 3V 至 42V
  • 仿真峰值电流模式控制
  • 在降压和升压模式之间平滑转换
  • 开关频率最高可通过编程设定为 500kHz
  • 振荡器同步功能
  • 内部高电压偏置稳压器
  • 集成了高侧和低侧栅极驱动器
  • 可编程软启动时间
  • 超低关断电流
  • 使能输入
  • 宽带宽误差放大器
  • 1.5% 反馈基准精度
  • 热关断
  • 封装:20 引脚 HTSSOP(裸露焊盘)
  • 使用 LM25118-Q1 并借助 WEBENCH® 电源设计器创建定制设计
TopologyBuck-Boost
Vin (min) (V)3
Vin (max) (V)42
Vout (max) (V)38
Vout (min) (V)1.23
Duty cycle (max) (%)98
Switching frequency (min) (kHz)50
Switching frequency (max) (kHz)500
Iq (typ) (mA)4.5
FeaturesEnable, Frequency synchronization
Iout (max) (A)10
Operating temperature range (°C)-40 to 125
RatingAutomotive
TypeController
HTSSOP (PWP)2041.6 mm² 6.5 x 6.4
产品购买
  • 商品型号
  • 封装
  • 工作温度
  • 包装
  • 价格
  • 现货库存
  • 操作
10s
温馨提示:
订单商品问题请移至我的售后服务提交售后申请,其他需投诉问题可移至我的投诉提交,我们将在第一时间给您答复
返回顶部