h1_key

TI(德州仪器) BQ24140
德州仪器 (TI) 全系列产品在线购买
  • TI(德州仪器) BQ24140
  • TI(德州仪器) BQ24140
  • TI(德州仪器) BQ24140
  • TI(德州仪器) BQ24140
  • TI(德州仪器) BQ24140
  • TI(德州仪器) BQ24140
立即查看
您当前的位置: 首页 > 电源管理 > 电池管理 IC > 电池充电器 IC > BQ24140
BQ24140

BQ24140

正在供货

具有 USB-OTG 支持的 1.5A 双输入开关模式充电器

产品详情
  • 说明
  • 特性
  • 参数
  • 封装 | 引脚 | 尺寸

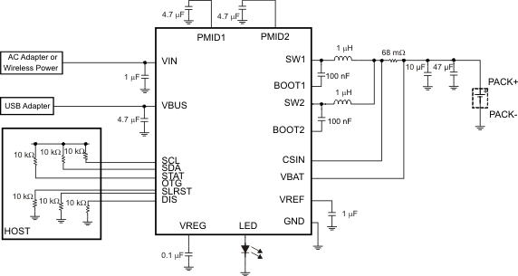
bq24140 是一款紧凑、灵活、高效、USB 友好的开关模式充电管理设备,此设备适用于广泛便携式应用中使用的单节锂离子和锂聚合物电池。 可通过 I2C 接口对充电参数进行编程。 此IC集成了两个将同步 PWM 控制器、功率 MOSFET、输入电流感应、高准确度电流和电压调节以及充电终止功能集成到一个小型 WCSP 封装中。

电池充电发生于以下三个阶段:调节、恒定电流和恒定电压。 输入电流值由主机自动限制。 当达到用户可选最低电流水平时,充电被终止。 具有重置控制的安全定时器为 I2C接口提供安全备份。 在正常操作下,如果电池电压降到低于内部阀值的时候,IC自动重启充电周期,当输入供电被移除时,IC自动进入睡眠模式或者高阻抗模式。 可使用 I2C 接口将充电状态报告给主机。 在充电过程中, IC 监视它的结点温度 (TJ) 并且一旦TJ 增加到 125°C 典型值,IC将降低充电电流。 为了支持 USB OTG 设备,IC 能通过对电池电压升压来提供 VBUS (典型值5.05V ) 。 此IC采用30-引脚 WCSP 封装。

  • 用于单节锂离子和锂聚合物电池组的高有效性迷你USB/AC 电池充电器
  • 在为电池充电的同时提供USB-OTG 支持
  • 高准确度电压和电流调节
    • 输入电流调节准确度: ±5% (100mA, 500mA)
    • 充电电压调节准确度: ±0.5% (25°C), ±1% (0-125°C)
    • 充电电流调节准确度: ±5%
  • 用于USB OTG的升压模式操作:
    • 输入电压范围 (电池供电): 2.3V to 4.5V
    • VBUS 输出: 5.05V/500 mA
  • 基于动态电源管理的输入电压提供电流限制适配器的保护
  • 故障适配器检测和抑制
  • 通过限制最大充电电压和最大充电电流安全限制寄存器提供附加的安全
  • 20-V 绝对最大输入电压等级
  • 9.0-V 最大工作输入电压
  • 比线性充电器更快的充电
  • 内置输入电流感应和限制
  • 集成了功率 FET,充电率高达 1.5A
  • 经I2C 接口 (高达 3.4 Mbps)设定的可编程充电参数 :
    • 输入电流
    • 快速充电/终止电流
    • 充电电压 (3.5-4.44V)
    • 具有重置控制的安全定时器
    • 具有重置控制的安全定时器
    • 终止使能
  • 同步固定频率PWM 控制器工作在3 MHz,占空比 0% 至 99.5%
  • 用于低功耗的自动高阻抗模式
  • 强健的保护
    • 反向漏电保护防止电池漏电
    • 热调整及保护
    • 输入/输出过压保护
  • 充电和故障的状态输出
  • USB 友好型启动序列
  • 2.35 × 2.65 mm 30-引脚 WCSP 封装
Number of series cells1
Charge current (max) (A)1.5
Vin (max) (V)9
Cell chemistryLi-Ion/Li-Polymer
Battery charge voltage (min) (V)3.5
Battery charge voltage (max) (V)4.44
Absolute max Vin (max) (V)20
Control topologySwitch-Mode Buck
Control interfaceI2C
FeaturesBAT temp thermistor monitoring (hot/cold profile), Input OVP, USB OTG integrated, VINDPM (Input voltage threshold to maximize adaptor power)
Vin (min) (V)4
RatingCatalog
Operating temperature range (°C)-40 to 85
DSBGA (YFF)305.71999999999999912 mm² 2.2 x 2.5999999999999996
产品购买
  • 商品型号
  • 封装
  • 工作温度
  • 包装
  • 价格
  • 现货库存
  • 操作
10s
温馨提示:
订单商品问题请移至我的售后服务提交售后申请,其他需投诉问题可移至我的投诉提交,我们将在第一时间给您答复
返回顶部