h1_key

TI(德州仪器) LMR10510
德州仪器 (TI) 全系列产品在线购买
  • TI(德州仪器) LMR10510
  • TI(德州仪器) LMR10510
  • TI(德州仪器) LMR10510
  • TI(德州仪器) LMR10510
  • TI(德州仪器) LMR10510
  • TI(德州仪器) LMR10510
立即查看
您当前的位置: 首页 > 电源管理 > 直流/直流开关稳压器 > 降压稳压器 > LMR10510
LMR10510

LMR10510

正在供货

采用 SOT-23 封装的 3V 至 5.5V、1A 降压直流/直流开关稳压器

产品详情
  • 说明
  • 特性
  • 参数
  • 封装 | 引脚 | 尺寸

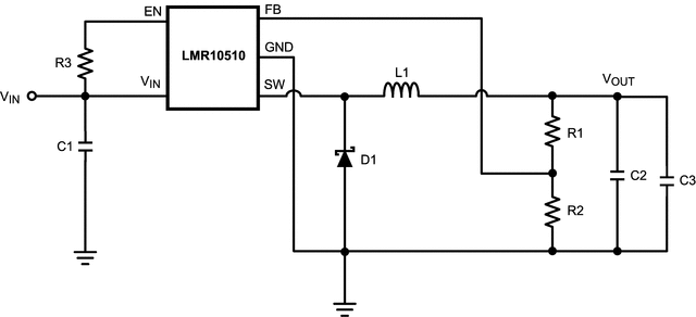
LMR10510 稳压器是一款采用 5 引脚 SOT-23 和 6 引脚 WSON 封装的单片、高频 PWM 降压直流/直流转换器。它提供所有有效功能,从而在尽可能最小的 PCB 区域内提供具有快速瞬态响应和精确调节功能的本地直流/直流转换。LMR10510 具有内部补偿功能,因此易于使用且只需要少量外部组件。该器件能够通过采用内部 130mΩ PMOS 开关来驱动 1A 负载,从而实现最佳的功率密度。世界一流的控制电路可实现低至 30ns 的导通时间,从而在整个 3V 至 5.5V 输入电压工作范围内支持低至 0.6V 的最小输出电压的出色高频转换。

LMR10510 是一款可提供 1A 负载电流的恒定频率 PWM 降压稳压器 IC。稳压器的预设开关频率为 1.6MHz 或 3MHz。这种高频率使 LMR10510 能够与小型表面贴装电容器和电感器一起运行,从而最大限度减小直流/直流转换器所需的布板空间。尽管工作频率很高,但仍可以轻松实现高达 93% 的效率。包括外部关断功能,该功能具有 30nA 的超低待机电流。LMR10510 利用电流模式控制和内部补偿在各种运行条件下提供高性能调节。其他 功能 包括用于减小浪涌电流的内部软启动电路、逐脉冲电流限制、热关断和输出过压保护。

  • 输入电压范围:3V 至 5.5V
  • 输出电压范围:0.6V 至 4.5V
  • 输出电流高达 1A
  • 1.6MHz (LMR10510X) 和 3MHz (LMR10510Y) 开关频率
  • 低关断 IQ:30nA 典型值
  • 内部软启动
  • 内部补偿
  • 电流模式 PWM 操作
  • 热关断
  • SOT-23 (2.92 × 2.84 × 1mm) 和 WSON
    (3 × 3 × 0.8mm) 封装
  • 微型整体解决方案降低了系统成本
  • 使用 LMR10510 并借助 WEBENCH® 电源设计器创建定制设计方案
Vin (min) (V)3
Vin (max) (V)5.5
Vout (min) (V)0.6
Vout (max) (V)4.5
Iout (max) (A)1
Iq (typ) (mA)3.3
Switching frequency (min) (kHz)1600
Switching frequency (max) (kHz)3000
FeaturesEnable
Operating temperature range (°C)-40 to 125
RatingCatalog
Regulated outputs (#)1
Control modecurrent mode
Duty cycle (max) (%)94
TypeConverter
SOT-23 (DBV)58.12 mm² 2.9 x 2.8
WSON (NGG)69 mm² 3 x 3
产品购买
  • 商品型号
  • 封装
  • 工作温度
  • 包装
  • 价格
  • 现货库存
  • 操作
10s
温馨提示:
订单商品问题请移至我的售后服务提交售后申请,其他需投诉问题可移至我的投诉提交,我们将在第一时间给您答复
返回顶部