h1_key

TI(德州仪器) BQ25504
德州仪器 (TI) 全系列产品在线购买
  • TI(德州仪器) BQ25504
  • TI(德州仪器) BQ25504
  • TI(德州仪器) BQ25504
  • TI(德州仪器) BQ25504
  • TI(德州仪器) BQ25504
  • TI(德州仪器) BQ25504
立即查看
您当前的位置: 首页 > 电源管理 > 电池管理 IC > 电池充电器 IC > BQ25504
BQ25504

BQ25504

正在供货

用于能量收集器的具有电池管理功能的超低功耗升压转换器 | 毫微功耗管理

产品详情
  • 说明
  • 特性
  • 参数
  • 封装 | 引脚 | 尺寸

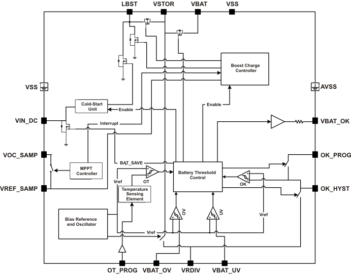
BQ25504 器件是智能化集成能源收集毫微功耗管理解决方案全新系列中的第一款产品,此类解决方案十分适合满足超低功耗应用的特殊需求。该器件经过专门设计,可高效收集和管理光伏(太阳能)发电机或热电发电机等各类直流源产生的微瓦 (µW) 至毫瓦 (mW) 级电能。BQ25504 在同类器件中,针对具有严苛功率和运行要求的产品和系统(如无线传感器网络 (WSN)),率先应用了高效的升压转换器/充电器。采用 BQ25504 设计的直流/直流升压转换器/充电器,仅需微瓦级功率即可开始工作。

升压转换器/充电器启动之后,能够高效地从热电发电机 (TEG) 或一块/两块太阳能面板等低压输出收集器中获得能量。升压转换器可通过低至 600mV 的 V IN 启动,启动之后,可对低至 130mV 的 V IN 继续进行能量收集。

BQ25504 还采用可编程的最大功率点跟踪采样网络,从而对器件的功率传输进行优化。VIN_DC 开路电压采样通过外部电阻进行编程,并由外部电容 (C REF) 保持。

例如,对于最大功率点为 80% 开路电压的太阳能电池,可将电阻分压器设置为 VIN_DC 电压的 80%,此时该网络会将 VIN_DC 控制在采样的基准电压附近。或者,也可以通过微控制器 (MCU) 提供外部基准电压,以产生一个更为复杂的 MPPT 算法。

BQ25504 经设计可支持多种储能元件。能量收集器的能量源往往是不固定的,或者随时间变化的。系统通常需要特定类型的储能元件,例如可再充电电池、超级电容或传统电容。储能元件可确保在系统需要时提供恒定功率。凭借储能元件,系统还能够处理任何无法从输入源直接获取的峰值电流。

为了防止对客户的储能元件造成损坏,器件将参照用户编程的欠压 (UV) 和过压 (OV) 电平来监视最大电压和最小电压。

为了进一步帮助用户严格管理他们的能量预算,BQ25504 会在储能电池或电容器电压降至预设临界值以下时,切换电池正常状态标志,并向连接的微处理器发信号。该警告信号应触发负载电流下降,从而防止系统进入欠压状态。OV、UV 和电池正常阈值均单独进行编程。

BQ25504 的小型 16 引脚 3mm x 3mm VQFN 封装体中包含所有功能。

  • 借助高效直流/直流升压转换器/充电器可实现超低功耗
    • 从低压输入源进行持续能量收集:V IN ≥ 130mV(典型值)
    • 超低静态电流:I Q < 330nA(典型值)
    • 冷启动电压:V IN ≥ 600mV(典型值)
  • 可编程动态最大功率点跟踪 (MPPT)
    • 集成动态最大功率点跟踪功能,可实现对各种能量生成源的最优能量采集
    • 输入电压调节功能,可防止对输入源造成损坏
  • 能量存储
    • 能量可存储到可重复充电的锂离子电池、薄膜电池、超级电容器或传统电容器中
  • 电池充电和保护
    • 用户可编程的欠压和过压电平
    • 具有可编程过热关断功能的片上温度传感器
  • 电池状态输出
    • 电池正常输出引脚
    • 可编程的阈值和迟滞
    • 功率损耗待定、随附报警功能的微控制器
    • 可用于启用或禁用系统负载
Number of series cells1
Charge current (max) (A)0.1
Vin (max) (V)3
Cell chemistryLi-Ion/Li-Polymer, SuperCap
Battery charge voltage (min) (V)2.5
Battery charge voltage (max) (V)5.25
Absolute max Vin (max) (V)5.5
Control topologySwitch-Mode Boost
Control interfaceStandalone (RC-Settable)
FeaturesInput OVP, Solar input/MPPT
Vin (min) (V)0.6
RatingCatalog
Operating temperature range (°C)-40 to 85
VQFN (RGT)169 mm² 3 x 3
产品购买
  • 商品型号
  • 封装
  • 工作温度
  • 包装
  • 价格
  • 现货库存
  • 操作
10s
温馨提示:
订单商品问题请移至我的售后服务提交售后申请,其他需投诉问题可移至我的投诉提交,我们将在第一时间给您答复
返回顶部