h1_key

TI(德州仪器) TPS54623
德州仪器 (TI) 全系列产品在线购买
  • TI(德州仪器) TPS54623
  • TI(德州仪器) TPS54623
  • TI(德州仪器) TPS54623
  • TI(德州仪器) TPS54623
  • TI(德州仪器) TPS54623
  • TI(德州仪器) TPS54623
立即查看
您当前的位置: 首页 > 电源管理 > 直流/直流开关稳压器 > 降压稳压器 > TPS54623
TPS54623

TPS54623

正在供货

具有轻负载效率的 4.5V 至 17V、6A 同步 SWIFT™ 降压转换器

产品详情
  • 说明
  • 特性
  • 参数
  • 封装 | 引脚 | 尺寸

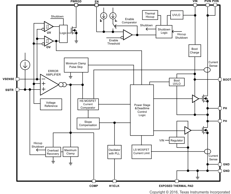
TPS54623 采用热增强型 VQFN 封装,是一款功能齐全的 17V 6A 同步降压转换器;该器件具有高效率且集成了高侧和低侧 MOSFET的特点,针对小型设计进行了优化。通过电流模式控制减少组件数量,并通过选择高开关频率缩小电感器尺寸来进一步节省空间。

输出电压启动斜坡由 SS/TR 引脚控制,该引脚既支持独立电源运行,又支持跟踪模式。此外,正确配置使能和开路电源正常引脚也可进行电源定序。

高侧 FET 的逐周期电流限制可在过载情况下保护器件,并通过低侧拉电流限制防止电流失控,增强限制效果。此外,还提供可关闭低侧 MOSFET 的低侧灌电流限制,防止反向电流过大。在过流情况持续时间超过预设时间时,将触发断续保护功能。当裸片温度超过热关断温度时,热断续保护功能将禁用该器件,并在内置热关断断续时间后重新启用该部件。TPS54623 可在较高负载条件下始终以持续电流模式 (CCM) 运行,并且能够在跳过脉冲时提升轻载效率。

  • 集成 26mΩ 和 19mΩ 金属氧化物半导体场效应晶体管 (MOSFET)
  • 分离电源轨:1.6V 至 17V (PVIN)
  • 开关频率:200kHz 至 1.6MHz
  • 跳脉冲模式提高轻载效率
  • 与外部时钟同步
  • 0.6V ±1% 电压基准过热保护
  • 关断时的静态电流低至 2µA
  • 单启动至预偏置输出
  • -40°C 至 150°C 工作结温范围
  • 可调慢启动和电源排序
  • 针对欠压及过压提供电源良好输出监控器
  • 可调节输入欠压锁定
  • 使用 TPS54623 并借助 WEBENCH® 电源设计器创建定制设计方案
Vin (min) (V)4.5
Vin (max) (V)17
Vout (min) (V)0.6
Vout (max) (V)15
Iout (max) (A)6
Iq (typ) (mA)0.25
Switching frequency (min) (kHz)200
Switching frequency (max) (kHz)1600
FeaturesEnable, Frequency synchronization, Light Load Efficiency, Power good, Pre-Bias Start-Up, Soft Start Adjustable, Synchronous Rectification, Tracking
Operating temperature range (°C)-40 to 150
RatingCatalog
Regulated outputs (#)1
Control modecurrent mode
Duty cycle (max) (%)98
TypeConverter
VQFN (RHL)1412.25 mm² 3.5 x 3.5
产品购买
  • 商品型号
  • 封装
  • 工作温度
  • 包装
  • 价格
  • 现货库存
  • 操作
10s
温馨提示:
订单商品问题请移至我的售后服务提交售后申请,其他需投诉问题可移至我的投诉提交,我们将在第一时间给您答复
返回顶部