h1_key

TI(德州仪器) TPS65186
德州仪器 (TI) 全系列产品在线购买
  • TI(德州仪器) TPS65186
  • TI(德州仪器) TPS65186
  • TI(德州仪器) TPS65186
  • TI(德州仪器) TPS65186
  • TI(德州仪器) TPS65186
  • TI(德州仪器) TPS65186
立即查看
您当前的位置: 首页 > 电源管理 > 多通道 IC (PMIC) > TPS65186
TPS65186

TPS65186

正在供货

PMIC,用于启用 E-Ink® Vizplex™ 技术的电子纸显示器

产品详情
  • 说明
  • 特性
  • 参数
  • 封装 | 引脚 | 尺寸

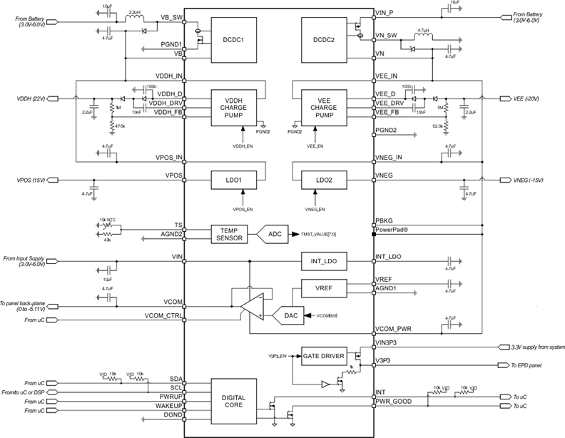
TPS65186 器件是一款单芯片电源,专为为便携式电子阅读器 应用中的 E Ink Vizplex 显示屏而设计。此器件支持 9.7 英寸及以上的显示屏尺寸。两个高效 DC-DC 升压转换器生成 ±16V 电压轨。这两个电压轨通过两个电荷泵分别升压至 22V 和 –20V,从而为 Vizplex 显示屏提供栅极驱动电源。两个跟踪 LDO 生成 ±15V 源级驱动电源,最高支持 120mA 的输出电流。所有电压轨均可通过 I2C 接口进行调节,从而适应特定的显示屏要求。

该器件通过线性放大器来提供精确的背板偏置电压,并通过串行接口对电压值进行 9 位控制,电压值可调节范围为 0V 至 –5.11V;并且具备灌/拉电流能力,能够适应不同的显示屏条件。TPS65186 支持自动显示屏跳变电压测量,免除了在生产线上手动进行 VCOM 校准的需要。测量结果会储存在非易失性存储器中,成为新的 VCOM 上电默认值。

TPS65186 采用间距为 0.5mm 的 48 引脚 7mm × 7mm2 VQFN 封装。

  • 面向
    E Ink Vizplex电子纸显示屏的单芯片电源管理解决方案
  • 通过单个低电压输入电源生成正负栅极和源级驱动电压以及背板偏置电压
  • 支持 9.7 英寸及以上的显示屏尺寸
  • 输入电压范围:3V 至 6V
  • 用于正电源轨基 (Positive Rail Base) 的升压转换器
  • 用于负电源轨基 (Negative Rail Base) 的反向降压-升压转换器
  • 两个可调节的 LDO,用于提供源级驱动电源
    • LDO1:15V,120mA (VPOS)
    • LDO2:–15V,120mA (VNEG)
  • 精确输出电压跟踪
    • VPOS – VNEG = ±50mV
  • 两个电荷泵,用于提供栅极驱动电源
    • CP1:22V,10mA (VDDH)
    • CP2:–20V,12mA (VEE)
  • 可调节的 VCOM 驱动器,用于提供精确的面板背板偏置电压
    • 0V 至 –5.11V
    • 精度为 ± 1.5% (±10mV)
    • 9 位控制(标称步长为 10mV)
  • 集成 10Ω、3.3V 电源开关(用于禁用 E-Ink 显示屏的系统电源轨)

应用

  • 有源矩阵 E Ink Vizplex 显示屏的电源
  • EPD 电源
  • 电子书阅读器
  • EPSONS1D13522 (ISIS) 定时控制器
  • EPSONS1D13521 (宽幅印刷品)定时控制器
  • 具有集成型或软件定时控制器的应用处理器 (OMAP)

Regulated outputs (#)4
ConfigurabilitySoftware configurable
Vin (min) (V)3
Vin (max) (V)6
Iout (max) (A)0
FeaturesEnable pin
Step-up DC/DC converter2
Step-down DC/DC converter20
Step-down DC/DC controller0
Step-up DC/DC controller0
LDO2
Iq (typ) (mA)5.5
RatingCatalog
Switching frequency (max) (kHz)560
Operating temperature range (°C)-10 to 85
Processor supplierE Ink
Processor nameVizplex
Shutdown current (ISD) (typ) (µA)3.5
Switching frequency (typ) (kHz)560
VQFN (RGZ)4849 mm² 7 x 7
产品购买
  • 商品型号
  • 封装
  • 工作温度
  • 包装
  • 价格
  • 现货库存
  • 操作
10s
温馨提示:
订单商品问题请移至我的售后服务提交售后申请,其他需投诉问题可移至我的投诉提交,我们将在第一时间给您答复
返回顶部