h1_key

TI(德州仪器) TPS53353
德州仪器 (TI) 全系列产品在线购买
  • TI(德州仪器) TPS53353
  • TI(德州仪器) TPS53353
  • TI(德州仪器) TPS53353
  • TI(德州仪器) TPS53353
  • TI(德州仪器) TPS53353
  • TI(德州仪器) TPS53353
立即查看
您当前的位置: 首页 > 电源管理 > 直流/直流开关稳压器 > 降压稳压器 > TPS53353
TPS53353

TPS53353

正在供货

具有 Eco-Mode 的高效率 1.5V 至 15V、20A 同步 SWIFT™ 降压转换器

产品详情
  • 说明
  • 特性
  • 参数
  • 封装 | 引脚 | 尺寸

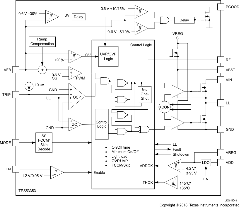
TPS53353 是一款具有集成 MOSFET 的 D-CAP™ 模式、20A 同步降压转换器。它们被设计用于易于使用、低外部组件数量和空间有限的电源系统。

这个器件特有 5.5mΩ/2.2mΩ 集成 MOSFET,精准 1% 0.6V 基准和集成的升压开关。具有竞争力的特性包括:1.5V 至 15V 的转换输入电压范围、极低外部元件数、针对超快速瞬态响应的 D-CAP™ 模式控制、自动跳跃模式操作、内部软启动控制、可选择频率以及无需补偿。

转换输入电压范围为 1.5V 至 15V,电源电压范围为 4.5V 至 25V,输出电压范围为 0.6V 至 5.5V。

该器件采用 5mm × 6mm、22 引脚 QFN 封装,额定工作温度范围为 –40°C 至 85°C。

TPS548B28 是一款较新的 20A 器件、专为数据中心应用而设计、具有较小的无铅封装。

  • 推出的新产品:TPS548B28 具有遥感功能的 16V、20A 同步降压转换器
  • 转换输入电压范围:1.5V 至 15V
  • VDD 输入电压范围:4.5V 至 25V
  • 20A 时,在 12V 至 1.5V 之间效率达到 92%
  • 输出电压范围:0.6V 至 5.5V
  • 5V LDO 输出
  • 支持单轨输入
  • 具有 20A 连续输出电流的集成功率 MOSFET
  • 用于在轻负载时实现高效率的自动跳跃 Eco-mode™
  • 关断电流 < 10µA
  • 具有快速瞬态响应的 D-CAP™ 模式
  • 可借助外部电阻器在 250kHz 至 1MHz 之间选择开关频率
  • 可选自动跳跃或仅 PWM 工作模式
  • 内置 1% 0.6V 基准电压
  • 0.7ms、1.4ms、2.8ms 和 5.6ms 可选内部电压伺服器软启动
  • 集成升压开关
  • 预充电启动能力
  • 具有热补偿的可调过流限制
  • 过压、欠压、UVLO 和过热保护
  • 支持全陶瓷输出电容器
  • 漏极开路电源正常指示
  • 整合 NexFET™ 电源块技术
  • 采用 PowerPAD™ 的 22 引脚 QFN 封装
  • 对于 SWIFT™ 电源产品文档,请参阅 http://www.ti.com/swift
Vin (min) (V)1.5
Vin (max) (V)15
Vout (min) (V)0.6
Vout (max) (V)5.5
Iout (max) (A)20
Iq (typ) (mA)0.32
Switching frequency (min) (kHz)250
Switching frequency (max) (kHz)1000
FeaturesAdjustable current limit, Enable, Forced PWM, Light Load Efficiency, Over Current Protection, Power good, Pre-Bias Start-Up, Soft Start Adjustable, Synchronous Rectification, UVLO Fixed
Operating temperature range (°C)-40 to 125
RatingCatalog
Regulated outputs (#)1
Control modeD-CAP
Duty cycle (max) (%)90
TypeConverter
LSON-CLIP (DQP)2230 mm² 6 x 5
产品购买
  • 商品型号
  • 封装
  • 工作温度
  • 包装
  • 价格
  • 现货库存
  • 操作
10s
温馨提示:
订单商品问题请移至我的售后服务提交售后申请,其他需投诉问题可移至我的投诉提交,我们将在第一时间给您答复
返回顶部