h1_key

TI(德州仪器) TPS65835
德州仪器 (TI) 全系列产品在线购买
  • TI(德州仪器) TPS65835
  • TI(德州仪器) TPS65835
  • TI(德州仪器) TPS65835
  • TI(德州仪器) TPS65835
  • TI(德州仪器) TPS65835
  • TI(德州仪器) TPS65835
立即查看
您当前的位置: 首页 > 电源管理 > 多通道 IC (PMIC) > TPS65835
TPS65835

TPS65835

正在供货

面向主动快门 3D 眼镜的高级电源管理 IC (PMIC),具有集成 MSP430

产品详情
  • 说明
  • 特性
  • 参数
  • 封装 | 引脚 | 尺寸

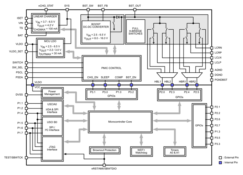
TPS65835 是一款用于有源快门 3D 眼镜的电源管理单元 (PMU),包括一个电源管理内核和一个 MSP430 微控制器。 电源管理内核具有集成型电源通路、线性充电器、LDO、升压转换器以及用于在一副有源快门 3D 眼镜中实现左右快门操作的全 H 桥模拟开关。 MSP430 内核支持通过集成型通用串行通信和定时器接口从一个 IR、RF 或其他通信模块实现同步及通信,以支持电源管理内核上的 H 桥开关的操作。

  • 电源管理内核
    • 线性充电器三
      • 个充电阶段:预充电、快速充电和充电终止用
      • 于电源状态良好和充电器状态指示的 LED 电流吸收器
    • LDO 电源用于为外部模块和集成型 MSP430 供电
    • 升压转换器
      • 可调输出电压:8 V 至 16 V
    • 全 H 桥模拟开关
      • 由 MSP430 内核进行内部控制以实现系统功能
  • MSP430 内核
    • 超低功耗
      • 运行模式: 280μA (在 1MHz 频率和 2.2V 电压条件下)
      • 待机模式: 0.5μA
      • 关断模式 (RAM 保持): 0.1μA
    • 5 种节能模式
    • 16 位 RISC 架构
    • 16 kB 闪存
    • 具有 3 个捕获/比较寄存器的两个 16 位 Timer_A 模块
    • 带内部基准、采样与保持以及自动扫描功能的10 位 200-ksps 模数 (A/D) 转换器
    • 通用串行通信接口,支持 IrDA 编码/解码的同步 SPI
      • 增强型 UART 可支持自动波特率检测 (LIN)
      • IrDA 编码器和解码器
      • 同步 SPI
      • I2C
    • 串行板上编程
      • 无需从外部进行电压编程
      • 利用安全熔丝 (Security Fuse) 实现可编程代码保护
    • 如需了解完整的模块说明, 请查阅 (文献编号SLAU144)

Regulated outputs (#)2
ConfigurabilitySoftware configurable
Vin (min) (V)2.5
Vin (max) (V)6.5
Iout (max) (A)0.15
FeaturesComm control, Power good
Step-up DC/DC converter0
Step-down DC/DC converter0
Step-down DC/DC controller0
Step-up DC/DC controller1
LDO1
Iq (typ) (mA)0.039
RatingCatalog
Operating temperature range (°C)-40 to 85
Shutdown current (ISD) (typ) (µA)0.5
VQFN (RKP)4025 mm² 5 x 5
产品购买
  • 商品型号
  • 封装
  • 工作温度
  • 包装
  • 价格
  • 现货库存
  • 操作
10s
温馨提示:
订单商品问题请移至我的售后服务提交售后申请,其他需投诉问题可移至我的投诉提交,我们将在第一时间给您答复
返回顶部