h1_key

TI(德州仪器) TPS51123A
德州仪器 (TI) 全系列产品在线购买
  • TI(德州仪器) TPS51123A
  • TI(德州仪器) TPS51123A
  • TI(德州仪器) TPS51123A
  • TI(德州仪器) TPS51123A
  • TI(德州仪器) TPS51123A
  • TI(德州仪器) TPS51123A
立即查看
您当前的位置: 首页 > 电源管理 > 直流/直流开关稳压器 > 降压稳压器 > TPS51123A
TPS51123A

TPS51123A

正在供货

具有低 IQ 和灵活外部元件的 4.5V 至 28V 双通道同步降压控制器

产品详情
  • 说明
  • 特性
  • 参数
  • 封装 | 引脚 | 尺寸

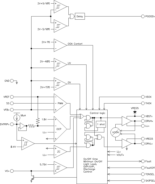
TPS51123A 是针对笔记本系统电源解决方案的经济高效的双路同步降压控制器。 它提供 5V 和 3.3V LDO 并且只需要使用极少的外部组件。 TPS51123A 支持高效、快速瞬态响应并提供组合型电源正常信号。 Out-of-Audio™ 模式轻载运行在比传统强制 PWM 运行频率高很多的频率下可实现低可闻噪声。 自适应接通时间 D-CAP 控制提供了便捷高效的操作。 这一部件运行电源输入电压范围介于 5.5V 至 28V 之间并且支持 2V 至 5.5V 的输出电压。TPS51123A 采用 24 引脚、四方扁平无引线 (QFN) 封装且额定环境运行温度范围为 -40°C 至 85°C。

  • 宽输入电压范围: 5.5V 至 28V
  • 输出电压范围:2V 至 5.5V
  • 带有开关的内置 100mA 5V/3.3V LDO
  • 内置 1% 2V 基准输出
  • 可选具有/不具有 Out-of-Audio™ 模式的轻负载和只支持脉宽调制 (PWM) 运行
  • 内部 1.6ms 电压伺服器软启动
  • 具有四个可选频率设置的自适应接通时间控制架构
  • 4500ppm/°C RDS(on) 电流感测
  • 内置输出放电
  • 电源正常输出
  • 内置过压保护 (OVP) / 欠压保护 (UVP) / 过流保护 (OCP)
  • 热关断(非锁闭)
  • 24 引脚四方扁平无引线 (QFN) (RGE) 封装

应用范围

  • 笔记本电脑
  • I/O 电源
  • 系统电源

Vin (min) (V)5.5
Vin (max) (V)28
Vout (min) (V)2
Vout (max) (V)5.5
Iout (max) (A)20
Iq (typ) (mA)0.55
Switching frequency (min) (kHz)200
Switching frequency (max) (kHz)450
FeaturesEnable, Light Load Efficiency, Power good, Synchronous Rectification
Operating temperature range (°C)-40 to 85
Regulated outputs (#)2
Number of phases1
RatingCatalog
Control modeD-CAP
TypeController
VQFN (RGE)2416 mm² 4 x 4
产品购买
  • 商品型号
  • 封装
  • 工作温度
  • 包装
  • 价格
  • 现货库存
  • 操作
10s
温馨提示:
订单商品问题请移至我的售后服务提交售后申请,其他需投诉问题可移至我的投诉提交,我们将在第一时间给您答复
返回顶部