h1_key

TI(德州仪器) TPS22920
德州仪器 (TI) 全系列产品在线购买
  • TI(德州仪器) TPS22920
  • TI(德州仪器) TPS22920
  • TI(德州仪器) TPS22920
  • TI(德州仪器) TPS22920
  • TI(德州仪器) TPS22920
  • TI(德州仪器) TPS22920
立即查看
您当前的位置: 首页 > 电源管理 > 电源开关 > 负载开关 > TPS22920
TPS22920

TPS22920

正在供货

具有输出放电功能的 3.6V、4A、5.3mΩ 负载开关

产品详情
  • 说明
  • 特性
  • 参数
  • 封装 | 引脚 | 尺寸

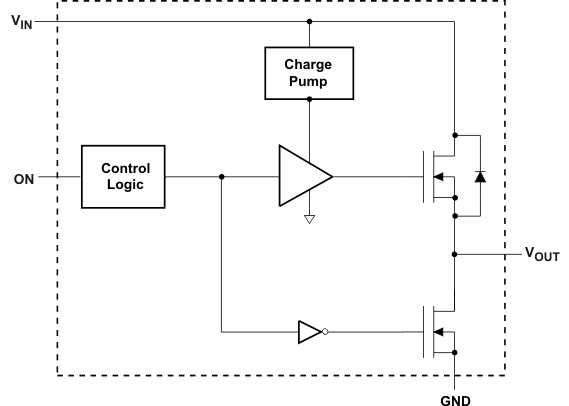
TPS22920L 是一款小型,超低 R导通负载开关,此开关具有可控接通功能。 此器件包含一个 N 通道金属氧化物半导体场效应晶体管 (MOSFET),此 MOSFET 可运行在 0.75V 至 3.6V 的输入电压范围内,并且开关电流高达 4A。一个集成的电荷泵把 NMOS 开关偏置,以实现一个最小的开关导通电阻(R导通)。 此开关可由一个打开/关闭输入 (ON) 控制,此输入可与低压控制信号直接对接。

TPS22920L 包含一个 1250Ω 片上负载电阻器用于在此开关被关闭时进行快速输出放电。

TPS22920L 有一个内部受控上升时间来减少涌入电流。 电压为 3.6V 时,TPS22920L 特有一个 627µs 的上升时间。

TPS22920L 采用超小型、节省空间的 8 引脚芯片级封装并可在 -40°C 至 85°C 的自然通风温度范围内运行。

  • 输入电压范围:0.75V 至 3.6V
  • 集成导通场效应晶体管 (FET)
    RDSON= 2mΩ(典型值),此时 V输入= 3.6V
  • 超低导通电阻
    • V输入 = 3.6V 时,r导通 = 5.3mΩ
    • V输入 = 2.5V 时,r通 = 5.4mΩ
    • V输入 = 1.8V 时,r导通 = 5.5mΩ
    • V输入 = 1.2V 时,r导通 = 5.8mΩ
    • V输入 = 1.05V 时,r导通 = 6.1mΩ
    • V输入 = 0.75V 时,r导通 = 7.3mΩ
  • 超小型 8 引脚芯片级封装(芯片级球栅阵列封装 (DSBGA))0.9mm x 1.9mm,焊球间距 0.5mm
  • 4A 最大持续开关电流
  • 关断电流最大值 5.5µA
  • 低阀值 (1.2V) 通用输入输出 (GPIO) 控制输入
  • 受控转换率以避免涌入电流
  • 快速输出放电 (QOD) 晶体管
  • 静电放电 (ESD) 性能测试符合 JESD 22 标准
    • 4000V 人体模型
      (A114-B,II 类)
    • 1000V 充电器件模型 (C101)

应用范围

  • ThunderboltTM
  • 固态硬盘 (SSD)
  • 笔记本/超薄
  • 平板个人电脑
  • 智能手机
  • 便携式 GPS 器件
  • MP3 播放器

Number of channels1
Vin (min) (V)0.75
Vin (max) (V)3.6
Imax (A)4
Ron (typ) (mΩ)5.3
Shutdown current (ISD) (typ) (µA)5.5
Quiescent current (Iq) (typ) (µA)68
Soft startFixed Rise Time
Current limit typeNone
FeaturesActive low, Quick output discharge
RatingCatalog
Operating temperature range (°C)-40 to 85
FETInternal
Device typeLoad switches
FunctionInrush current control
DSBGA (YZP)82.8125 mm² 2.25 x 1.25
产品购买
  • 商品型号
  • 封装
  • 工作温度
  • 包装
  • 价格
  • 现货库存
  • 操作
10s
温馨提示:
订单商品问题请移至我的售后服务提交售后申请,其他需投诉问题可移至我的投诉提交,我们将在第一时间给您答复
返回顶部