h1_key

TI(德州仪器) TPS2554
德州仪器 (TI) 全系列产品在线购买
  • TI(德州仪器) TPS2554
  • TI(德州仪器) TPS2554
  • TI(德州仪器) TPS2554
  • TI(德州仪器) TPS2554
  • TI(德州仪器) TPS2554
  • TI(德州仪器) TPS2554
立即查看
您当前的位置: 首页 > 电源管理 > USB 电源开关和充电端口控制器 > TPS2554
TPS2554

TPS2554

正在供货

高电平有效的 0.5-2.5A 可调节、2 个可设置 ILIMIT、4.5-5.5V、73mΩ USB 电源开关

产品详情
  • 说明
  • 特性
  • 参数
  • 封装 | 引脚 | 尺寸

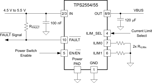
TPS2554/55 配电开关用于需要精密电流限制或遇到重电容负载和短路的应用。 这些器件通过外部电阻提供介于 500mA 和 2.5 A(典型值)之间的可编程电流限制阈值

当输出负载超出电流限制阈值时,TPS2554/55 器件通过切换到恒定电流模式,将输出电流限制在安全的程度。 此 故障 逻辑输出在过流和过温条件下判定为低

  • 满足 USB 电流限制要求
  • 可调节电流限制,500mA 至 2.5A (典型值)
  • 两个可独立设置的电流限制阈值
  • 快速过流响应 - 1.5 μs(典型值)
  • 73mΩ 高侧 MOSFET
  • 3.8μA 最大待机电源电流
  • PowerPAD™ 热管理
  • 禁用时自动输出放电
  • 高电平启用 (TPS2554) 和低电平启用 (TPS2555) 版本均可用
  • 应用
    • USB 端口/集线器
    • 数字电视
    • 机顶盒
    • VOIP 电话

Product typeAdjustable current limit, Power switch
Vin (min) (V)4.5
Vin (max) (V)5.5
Continuous current (max) (A)2.5
Current limit (A)0.5 to 2.5
Operating temperature range (°C)-40 to 125
EnableActive High
Number of switches1
Current limit accuracy at 1 A0.1
RatingCatalog
VSON (DRC)109 mm² 3 x 3
产品购买
  • 商品型号
  • 封装
  • 工作温度
  • 包装
  • 价格
  • 现货库存
  • 操作
10s
温馨提示:
订单商品问题请移至我的售后服务提交售后申请,其他需投诉问题可移至我的投诉提交,我们将在第一时间给您答复
返回顶部