h1_key

TI(德州仪器) LM3560
德州仪器 (TI) 全系列产品在线购买
  • TI(德州仪器) LM3560
  • TI(德州仪器) LM3560
  • TI(德州仪器) LM3560
  • TI(德州仪器) LM3560
  • TI(德州仪器) LM3560
  • TI(德州仪器) LM3560
立即查看
您当前的位置: 首页 > 电源管理 > LED 驱动器 > 照明 LED 驱动器 > LM3560
LM3560

LM3560

正在供货

具有双通道 1A 高侧电流源的同步升压双 1A 闪光灯驱动器(总闪光电流为 2A)

产品详情
  • 说明
  • 特性
  • 参数
  • 封装 | 引脚 | 尺寸

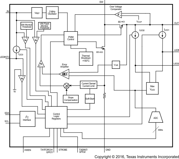
The LM3560 is a 2-MHz fixed frequency synchronous boost converter with two 1000-mA constant current drivers for high-current white LEDs. The dual high-side current sources allow for grounded cathode LED operation and can be tied together for providing flash currents at up to 2 A through a single LED. An adaptive regulation method ensures the current for each LED remains in regulation and maximizes efficiency.

The LM3560 is controlled via an I2C-compatible interface. Features include an internal 4-bit ADC to monitor the LED voltage, independent LED current control, a hardware flash enable allowing a logic input to trigger the flash pulse, dual TX inputs which force the flash pulse into a low-current torch mode allowing for synchronization to RF power amplifier events or other high-current conditions, and an integrated comparator designed to monitor an NTC thermistor and provide an interrupt to the LED current. Additionally, an active high HWEN input provides a hardware shutdown during system software failures.

The device is available in an ultra-small 16-pin DSBGA package. The 2-MHz switching frequency, overvoltage protection and adjustable current limit allow for the use of tiny, low-profile (1-µH and 2.2-µH) inductors and ceramic (10-µF) capacitors.

For all available packages, see the orderable addendum at the end of the data sheet.

  • Dual High-Side Current Sources Allow for Grounded Cathode LED Operation
  • Accurate and Programmable LED Current from 31.25 mA to 2 A
  • Independent LED Current Source Programmability
  • Up to 90% Efficient
  • Ultra-Small Solution Size: < 26 mm2
  • Four Operating Modes: Torch, Flash, Privacy Indicate, and Message Indicator
  • 4-Bit ADC for VLED Monitoring
  • LED Thermal Sensing and Current Scale-Back
  • Hardware Flash and Torch Enable
  • Dual Synchronization Inputs for RF Power Amplifier Pulse Events
  • LED and Output Disconnect During Shutdown
  • Open and Short LED Detection
  • 400-kHz I2C-Compatible Interface
  • Active Low Hardware Reset
  • −40°C to +85°C Ambient Temperature Range
Input voltage typeDC/DC
TopologyBoost, current mode
Vin (min) (V)2.5
Vin (max) (V)5.5
Vout (max) (V)5.5
Vout (min) (V)2.5
Iout (max) (A)2
Iq (typ) (mA)0.9
FeaturesI2C control, Input/Output Isolation, LED Thermal Monitor, Load Disconnect During Shutdown, OVP, Over Current Protection, Synchronous Rectification
Operating temperature range (°C)-40 to 85
Dimming methodAnalog, PWM
Number of channels2
RatingCatalog
DSBGA (YZR)165.0625 mm² 2.25 x 2.25
产品购买
  • 商品型号
  • 封装
  • 工作温度
  • 包装
  • 价格
  • 现货库存
  • 操作
10s
温馨提示:
订单商品问题请移至我的售后服务提交售后申请,其他需投诉问题可移至我的投诉提交,我们将在第一时间给您答复
返回顶部