h1_key

TI(德州仪器) LM3537
德州仪器 (TI) 全系列产品在线购买
  • TI(德州仪器) LM3537
  • TI(德州仪器) LM3537
  • TI(德州仪器) LM3537
  • TI(德州仪器) LM3537
  • TI(德州仪器) LM3537
  • TI(德州仪器) LM3537
立即查看
您当前的位置: 首页 > 电源管理 > LED 驱动器 > 背光 LED 驱动器 > LM3537
LM3537

LM3537

正在供货

具有四个集成 LDO 的 8 通道 WLED 驱动器

产品详情
  • 说明
  • 特性
  • 参数
  • 封装 | 引脚 | 尺寸

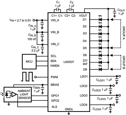
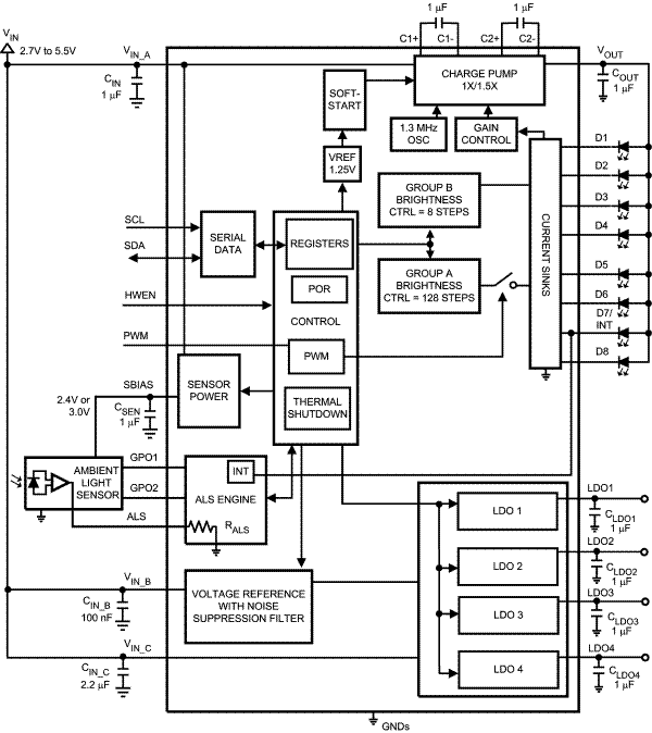
The LM3537 is a highly integrated LED driver capable of driving 8 LEDs in parallel for single display backlighting applications. Independent LED control allows for a subset of the main display LEDs to be selected for partial illumination applications.

I2C-compatible control allows full configurability of the backlighting function. The LM3537 provides multi-zone Ambient Light Sensing allowing autonomous backlight intensity control in the event of changing ambient light conditions. A PWM input is also provided to give the user a means to adjust the backlight intensity dynamically based upon the content of the display.

Four integrated LDOs are fully configurable through I2C capable of addressing point-of-load regulation needs for functions such as integrated camera modules. The LDOs can be powered from main battery source, or by a fixed output voltage of an external buck converter (post regulation) leading to higher conversion efficiency.

The LM3537 provides excellent efficiency without the use of an inductor by operating the charge pump in a gain of 3/2 or in Pass Mode. The proper gain for maintaining current regulation is chosen, based on LED forward voltage, so that efficiency is maximized over the input voltage range.

LM3537 is offered in a tiny 30-bump DSBGA package.

    Lighting:

  • 8-channel Backlight Capability
  • Internal ALS Engine; PWM Input to Support CABC
  • Built-In Power Supply and Gain Control for Ambient Light Sensor
  • Up to 90% Efficiency
  • Adaptive Charge Pump with 1x and 1.5x Ggains for Maximum Efficiency
  • 128 Dimming Steps for Group A, Exponential or Linear Dimming Selectable by Register Setup
  • 8 Linear Dimming States for Group B
  • LDOs:

  • 4 Programmable LDOs (300 mA/150 mA Output Currents)
  • Default Startup Voltage States
  • Low Dropout Voltage: 100 mV typ. at 150 mA Load Current
  • LDO Input Voltage = 1.8V to VIN_A
  • Overload Protection
  • Combined Common Features:

  • Wide Input Voltage Range: 2.7V to 5.5V
  • I2C-Compatible Serial Interface
  • 2 General-Purpose Outputs

All trademarks are the property of their respective owners.

Number of channels8
Vin (min) (V)2.7
Vin (max) (V)5.5
Vout (min) (V)2.7
Vout (max) (V)5
TypeCapacitive
Switching frequency (max) (kHz)1.3
Duty cycle (max) (%)100
LED current per channel (mA)25
Peak efficiency (%)90
TopologyBoost, Multi-Channel
FeaturesI2C control, PWM control
Operating temperature range (°C)-30 to 110
RatingCatalog
DSBGA (YFQ)305.71999999999999912 mm² 2.5999999999999996 x 2.2
产品购买
  • 商品型号
  • 封装
  • 工作温度
  • 包装
  • 价格
  • 现货库存
  • 操作
10s
温馨提示:
订单商品问题请移至我的售后服务提交售后申请,其他需投诉问题可移至我的投诉提交,我们将在第一时间给您答复
返回顶部