h1_key

TI(德州仪器) TPS53314
德州仪器 (TI) 全系列产品在线购买
  • TI(德州仪器) TPS53314
  • TI(德州仪器) TPS53314
  • TI(德州仪器) TPS53314
  • TI(德州仪器) TPS53314
  • TI(德州仪器) TPS53314
  • TI(德州仪器) TPS53314
立即查看
您当前的位置: 首页 > 电源管理 > 直流/直流开关稳压器 > 降压稳压器 > TPS53314
TPS53314

TPS53314

正在供货

4.5V 至 25V、6A 同步降压转换器

产品详情
  • 说明
  • 特性
  • 参数
  • 封装 | 引脚 | 尺寸

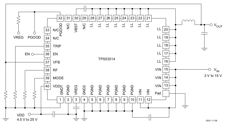
TPS53314 是一款具有集成型 MOSFET 的 D-CAP™ 模式、6A 同步开关。 该器件专为实现易用性、低外部组件数和小型封装电源系统而设计。

该器件具有单轨输入支持能力、一个 20-mΩ 和一个 7.5-mΩ 集成型 MOSFET、1% 准确度、 0.6 V 基准以及集成型升压开关。 部分具有竞争力的特性包括:> 96% 的最大效率、3 V 至 15 V 的宽输入电压范围、超低的外部组件数、用于实现超快瞬态响应的 D-CAP™ 模式控制、可选的自动跳跃和 PWM 操作方式、内部软启动控制、可调频率且无需补偿。

转换输入电压范围为 3 V 至 15 V,电源电压范围为 4.5 V 至 25 V,而输出电压范围则为 0.6 V 至 5.5 V。

TPS53314 采用 5 mm × 7 mm 40 引脚 QFN 封装,并具有 –40°C 至 85°C 的规定温度范围。

  • 转换输入电压范围:3 V 至 15 V
  • VDD 输入电压范围:4.5 V 至 25 V
  • 输出电压范围: 0.6 V 至 5.5 V
  • 5V LDO 输出
  • 具有 6A 连续输出电流的集成型功率 MOSFET
  • <10μA 停机电流
  • 用于提高轻负载效率的 Auto-Skip Eco-mode
  • 具有快速瞬态响应的D-CAP 模式
  • 可利用一个外部电阻器在 250 kHz 至 1 MHz 的范围内选择开关频率
  • 内置 1%、0.6V 基准
  • 0.7-ms、1.4-ms、2.8-ms 和 5.6-ms 可选内部电压伺服软启动
  • 预充电启动能力
  • 集成型升压开关
  • 可通过外部电阻器来调节过流限值
  • 过压/欠压、UVLO 和过热保护
  • 支持全陶瓷输出电容器
  • 漏极开路电源状态良好指示
  • 采用 PowerPAD 的 40 引脚 QFN 封装
  • 应用
    • 服务器和台式计算机
    • 笔记本电脑
    • 电信设备

Vin (min) (V)3
Vin (max) (V)15
Vout (min) (V)0.6
Vout (max) (V)5.5
Iout (max) (A)6
Iq (typ) (mA)0.32
Switching frequency (min) (kHz)250
Switching frequency (max) (kHz)1000
FeaturesAdjustable current limit, Enable, Light Load Efficiency, Power good, Pre-Bias Start-Up, Synchronous Rectification
Operating temperature range (°C)-40 to 85
RatingCatalog
Regulated outputs (#)1
Control modeD-CAP
Duty cycle (max) (%)90
TypeConverter
VQFN (RGF)4035 mm² 7 x 5
产品购买
  • 商品型号
  • 封装
  • 工作温度
  • 包装
  • 价格
  • 现货库存
  • 操作
10s
温馨提示:
订单商品问题请移至我的售后服务提交售后申请,其他需投诉问题可移至我的投诉提交,我们将在第一时间给您答复
返回顶部