h1_key

TI(德州仪器) TPS65182B
德州仪器 (TI) 全系列产品在线购买
  • TI(德州仪器) TPS65182B
  • TI(德州仪器) TPS65182B
  • TI(德州仪器) TPS65182B
  • TI(德州仪器) TPS65182B
  • TI(德州仪器) TPS65182B
  • TI(德州仪器) TPS65182B
立即查看
您当前的位置: 首页 > 电源管理 > 多通道 IC (PMIC) > TPS65182B
TPS65182B

TPS65182B

正在供货

用于 E Ink Vizplex 电子纸显示的 PMIC.

产品详情
  • 说明
  • 特性
  • 参数
  • 封装 | 引脚 | 尺寸

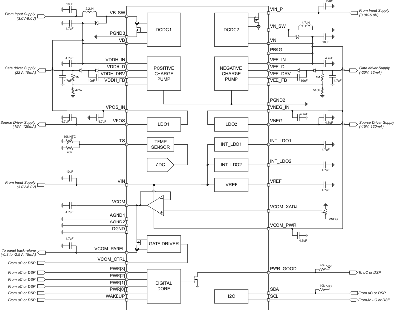
The TPS65182x device is a single-chip power supplies designed to for E Ink Vizplex displays used in portable e-reader applications and support panel sizes up to 9.7 inches. Two high efficiency DC/DC boost converters generate ±17-V rails which are boosted to 22 V and –20 V by two change pumps to provide the gate driver supply for the Vizplex panel.

Two tracking LDOs create the ±15-V source driver supplies which support up to 120-mA of output current. All rails are adjustable through the I2C interface to accommodate specific panel requirements.

Accurate back-plane biasing is provided by a linear amplifier and can be adjusted either by an external resistor or the I2C interface. The VCOM driver can source or sink current depending on panel condition.

The TPS65182x provides precise temperature measurement function to monitor the panel temperature during operation. The temperature reading is updated every 60 s and can be accessed through the I2C interface.

  • Single Chip Power Management Solution for
    E Ink® Vizplex™ Electronic Paper Displays
  • Generates Positive and Negative Gate and
    Source Driver Voltages and Back-Plane Bias from
    a Single, Low-Voltage Input Supply
  • 3-V to 6-V Input Voltage Range
  • Boost Converter for Positive Rail Base
  • Inverting Buck-Boost Converter for Negative Rail
    Base
  • Two Adjustable LDOs for Source Driver Supply
    • LDO1: 15 V, 120 mA (VPOS)
    • LDO2: –15 V, 120 mA (VNEG)
  • Accurate Output Voltage Tracking
    • VPOS - VNEG = ±50 mV
  • Two Charge Pumps for Gate Driver Supply
    • CP1: 22 V, 10 mA (VDDH)
    • CP2: –20 V, 12 mA, (VEE)
  • Adjustable VCOM Driver for Accurate Panel-
    Backplane Biasing
    • –0.3 V to –2.5 V
    • Adjustable Through External Potentiometer
    • 15-mA Max Integrated Switch
  • Thermistor Monitoring
    • –10°C to 85°C Temperature Range
    • ±1°C Accuracy from 0°C to 50°C
  • I2C Serial Interface
    • Slave Address 0x48h (1001000)
  • Flexible Power-Up Sequencing
  • Sleep Mode Support
  • Thermally Enhanced Package for Efficient Heat
    Management (48-Pin 7 mm × 7 mm × 0.9 mm VQFN)
Regulated outputs (#)0
ConfigurabilitySoftware configurable
Vin (min) (V)3
Vin (max) (V)6
Iout (max) (A)0
FeaturesComm control
Step-up DC/DC converter0
Step-down DC/DC converter0
Step-down DC/DC controller0
Step-up DC/DC controller0
LDO0
Iq (typ) (mA)5.5
RatingCatalog
Switching frequency (max) (kHz)1000
Operating temperature range (°C)-10 to 85
Processor supplierE Ink
Processor nameVizplex
Shutdown current (ISD) (typ) (µA)2.8
Switching frequency (typ) (kHz)1000
VQFN (RGZ)4849 mm² 7 x 7
产品购买
  • 商品型号
  • 封装
  • 工作温度
  • 包装
  • 价格
  • 现货库存
  • 操作
10s
温馨提示:
订单商品问题请移至我的售后服务提交售后申请,其他需投诉问题可移至我的投诉提交,我们将在第一时间给您答复
返回顶部