h1_key

TI(德州仪器) TPS62061
德州仪器 (TI) 全系列产品在线购买
  • TI(德州仪器) TPS62061
  • TI(德州仪器) TPS62061
  • TI(德州仪器) TPS62061
  • TI(德州仪器) TPS62061
  • TI(德州仪器) TPS62061
  • TI(德州仪器) TPS62061
立即查看
您当前的位置: 首页 > 电源管理 > 直流/直流开关稳压器 > 降压稳压器 > TPS62061
TPS62061

TPS62061

正在供货

采用 2x2mm SON 封装、1.8V 输出电压的 3MHz、1.6A 降压转换器

产品详情
  • 说明
  • 特性
  • 参数
  • 封装 | 引脚 | 尺寸

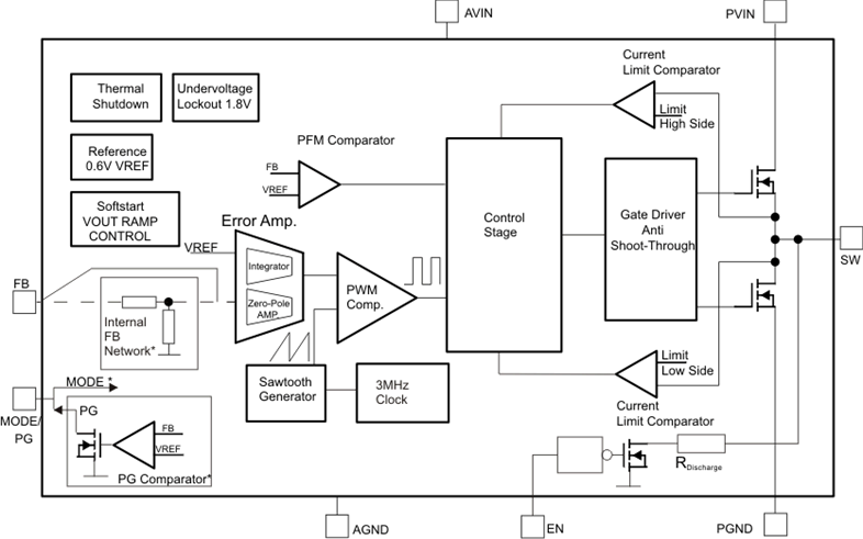
The TPS6206x is a family of highly efficient synchronous step-down DC-DC converters. They provide up to 1.6-A output current.

With an input voltage range of 2.7 V to 6 V, the device is a perfect fit for power conversion from a single Li-Ion battery as well from 5-V or 3.3-V system supply rails. The TPS6206x operates at 3-MHz fixed frequency and enters power save mode operation at light load currents to maintain high efficiency over the entire load current range. The power save mode is optimized for low output voltage ripple. For low noise applications, the device can be forced into fixed frequency PWM mode by pulling the MODE pin high.

In the shutdown mode, the current consumption is reduced to less than 1 µA and an internal circuit discharges the output capacitor.

TPS6206x family is optimized for operation with a tiny 1-µH inductor and a small 10-µF output capacitor to achieve smallest solution size and high regulation performance.

The TPS6206x operates over a free air temperature of –40°C to 85°C. The device is available in a small 2-mm × 2-mm × 0.75-mm 8-pin WSON PowerPAD integrated circuit package.

  • 3-MHz Switching Frequency
  • VIN Range from 2.7 V to 6 V
  • 1.6-A Output Current
  • Up to 97% Efficiency
  • Power Save Mode and 3-MHz Fixed PWM Mode
  • Output Voltage Accuracy in PWM Mode ±1.5%
  • Output Discharge Function
  • Typical 18-µA Quiescent Current
  • 100% Duty Cycle for Lowest Dropout
  • Voltage Positioning
  • Clock Dithering
  • Supports Maximum 1-mm Height Solutions
  • Available in a 2 mm × 2 mm × 0.75 mm WSON
  • APPLICATIONS
    • Point of Load (POL)
    • Notebooks, Pocket PCs
    • Portable Media Players
    • DSP Supplies

All other trademarks are the property of their respective owners

Vin (min) (V)2.7
Vin (max) (V)6
Vout (min) (V)1.8
Vout (max) (V)1.8
Iout (max) (A)1.6
Iq (typ) (mA)0.018
Switching frequency (min) (kHz)2600
Switching frequency (max) (kHz)3400
EMI featuresSpread Spectrum
FeaturesEnable, Forced PWM, Light load efficiency, Output discharge, Spread Spectrum, Synchronous Rectification
Operating temperature range (°C)-40 to 85
RatingCatalog
Regulated outputs (#)1
Control modeVoltage mode
Duty cycle (max) (%)100
TypeConverter
WSON (DSG)84 mm² 2 x 2
产品购买
  • 商品型号
  • 封装
  • 工作温度
  • 包装
  • 价格
  • 现货库存
  • 操作
10s
温馨提示:
订单商品问题请移至我的售后服务提交售后申请,其他需投诉问题可移至我的投诉提交,我们将在第一时间给您答复
返回顶部