h1_key

TI(德州仪器) TPS65138
德州仪器 (TI) 全系列产品在线购买
  • TI(德州仪器) TPS65138
  • TI(德州仪器) TPS65138
  • TI(德州仪器) TPS65138
  • TI(德州仪器) TPS65138
  • TI(德州仪器) TPS65138
  • TI(德州仪器) TPS65138
立即查看
您当前的位置: 首页 > 电源管理 > LCD 和 OLED 显示电源和驱动器 > TPS65138
TPS65138

TPS65138

正在供货

双通道输出 AMOLED 显示屏电源

产品详情
  • 说明
  • 特性
  • 参数
  • 封装 | 引脚 | 尺寸

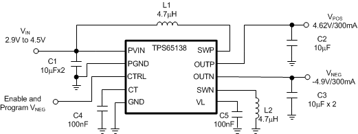
The TPS65138 is designed to drive AMOLED displays (Active Matrix Organic Light Emitting Diode) requiring positive and negative supply rails. The device integrates boost converter and inverting buck boost converter designed suitable for battery operated products. The digital control pin (CTRL) allows programming the negative output voltage in digital steps. The TPS65138 uses a novel technology enabling excellent line and load regulation. This is required to avoid disturbance of the AMOLED display by the input voltage disturbances occurring during transmit periods in mobile phones.

  • 2.9V to 4.5V Input Voltage Range
  • 0.8% Output Voltage Accuracy VPOS
  • Excellent Line Transient Regulation
  • 300mA Output Current
  • Fixed 4.62V Positive OutputVoltage
  • Digitally Programmable VNEG
    • TPS65138: –2.2V to –6.2V
    • TPS65138A: –2.2V to –5.2V
  • -4.9V Default Value for VNEG
  • Short Circuit Protection
  • Thermal Hhutdown
  • 3-mm × 3-mm QFN Package
Display typeAMOLED
IC integrationAMOLED bias
Vin (min) (V)2.9
Vin (max) (V)4.5
Applications7 inches or less
Level shifter/scan driver (Ch)0
V_POS (min) (V)4.62
V_POS (max) (V)4.62
V_NEG (min) (V)-6.2
V_NEG (max) (V)-2.2
FeaturesDigital control interface
TopologyBoost, Inverting Buck-Boost
RatingCatalog
Operating temperature range (°C)-40 to 85
VSON (DRC)109 mm² 3 x 3
产品购买
  • 商品型号
  • 封装
  • 工作温度
  • 包装
  • 价格
  • 现货库存
  • 操作
10s
温馨提示:
订单商品问题请移至我的售后服务提交售后申请,其他需投诉问题可移至我的投诉提交,我们将在第一时间给您答复
返回顶部