h1_key

TI(德州仪器) UCC28950-Q1
德州仪器 (TI) 全系列产品在线购买
  • TI(德州仪器) UCC28950-Q1
  • TI(德州仪器) UCC28950-Q1
  • TI(德州仪器) UCC28950-Q1
  • TI(德州仪器) UCC28950-Q1
  • TI(德州仪器) UCC28950-Q1
  • TI(德州仪器) UCC28950-Q1
立即查看
您当前的位置: 首页 > 电源管理 > 交流/直流和隔离式直流/直流开关稳压器 > PWM 控制器 > UCC28950-Q1
UCC28950-Q1

UCC28950-Q1

正在供货

具有同步整流功能的汽车类 8V 至 20V 全桥相移 PWM 控制器

产品详情
  • 说明
  • 特性
  • 参数
  • 封装 | 引脚 | 尺寸

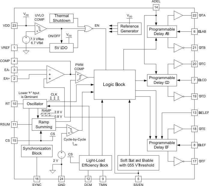
UCC28950-Q1 增强型相移控制器基于德州仪器 (TI) 的改进型工业标准 UCCx895 相移控制器系列产品,所做出的改进提供了当前高效电源系统中同类产品中最佳效率。 UCC28950-Q1 在对同步整流器输出级进行有效控制的同时执行对全桥的高级控制。

初级侧信号允许可编程延迟以确保宽负载电流和输入电压范围内的 ZVS 运行,而负载电流自然调整同步整流器的次级侧开关延迟,从而大大提升了整体系统效率。

UCC28950-Q1 还提供多重轻负载管理特性,其中包括进入和退出断续电流模式 (DCM) 运行时的突发模式模式和动态 SR 开/关控制,从而确保将 ZVS 运行扩展至更轻的负载。

此外,UCC28950-Q1 包括对与峰值电流一起发生的电压模式控制、高达 1MHz 的可编程开关频率、以及包含逐周期电流限制、欠压闭锁 (UVLO)、和热关断的广泛保护特性集的支持。 方便在两个转换器之间安排 90 度相移交错同步运行。

UCC28950-Q1 采用薄型小外形尺寸封装 (TSSOP)-24 封装。

  • 符合汽车应用要求
  • 具有符合 AEC-Q100 的下列结果:
    • 器件温度 1 级:-40°C 至 125°C 的环境运行温度范围
    • 器件人体模型 (HBM) 静电放电 (ESD) 分类等级 H2
    • 器件充电器件模型 (CDM) ESD 分类等级 C3B
  • 增强型宽范围谐振零电压开关 (ZVS) 功能
  • 直接同步整流器 (SR) 控制
  • 轻负载效率管理包括:
    • 突发模式运行
    • 断续导通模式 (DCM),支持可编程阈值的动态 SR 开关控制
    • 可编程自适应延迟
  • 支持可编程斜坡补偿和电压模式控制的平均或者峰值电流模式控制
  • 闭环路软启动和使能功能
  • 支持双向同步的高达 1MHz 的可编程开关频率
  • (±3%) 支持断续模式的逐周期电流限制保护
  • 150µA 启动电流
  • VDD欠压闭锁
  • 宽温度范围,-40°C 至 125°C
TopologyPhase-shifted full bridge
Control modeCurrent
Duty cycle (max) (%)97
Switching frequency (max) (kHz)1000
FeaturesAdjustable switching frequency, Current limiting, Error amplifier, Light-load efficiency, SR logic, Soft start, Soft switching
UVLO thresholds on/off (V)7.3/6.7
Operating temperature range (°C)-40 to 125
RatingAutomotive
Gate drive (typ) (A)0.2
Vin (max) (V)17
TSSOP (PW)2449.92 mm² 7.8 x 6.4
产品购买
  • 商品型号
  • 封装
  • 工作温度
  • 包装
  • 价格
  • 现货库存
  • 操作
10s
温馨提示:
订单商品问题请移至我的售后服务提交售后申请,其他需投诉问题可移至我的投诉提交,我们将在第一时间给您答复
返回顶部