h1_key

TI(德州仪器) BQ24171
德州仪器 (TI) 全系列产品在线购买
  • TI(德州仪器) BQ24171
  • TI(德州仪器) BQ24171
  • TI(德州仪器) BQ24171
  • TI(德州仪器) BQ24171
  • TI(德州仪器) BQ24171
  • TI(德州仪器) BQ24171
立即查看
您当前的位置: 首页 > 电源管理 > 电池管理 IC > 电池充电器 IC > BQ24171
BQ24171

BQ24171

正在供货

符合 JEITA 标准且具有电源路径的独立 1 至 3 节 4A 同步降压电池充电器

产品详情
  • 说明
  • 特性
  • 参数
  • 封装 | 引脚 | 尺寸

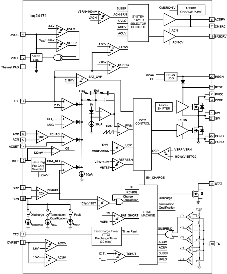
bq24171 器件是一款高度集成的独立型锂离子及锂聚合物开关模式电池充电器,具有两个集成型 N 沟道功率 MOSFET。 该器件提供了一个恒定频率同步 PWM 控制器,可对输入电流、充电电流和电压进行高精度的调节。 bq24171 可严密监视电池组的温度,只允许在符合 JEITA 配置文件的窗口内进行充电——在低温条件下充电速率较低,在高温条件下则充电电压较低。 bq24171 分三个阶段对电池进行充电:预充电、恒定电流充电和恒定电压充电。 bq24171 可调节电池电压,最多能为 3 节电池充电。

bq24171 分三个阶段对电池进行充电: 预充电、恒定电流充电和恒定电压充电。 该器件可针对多达 3 节串联锂离子电池进行调节。

当电流达到快速充电速率的 10% 时,充电操作被终止。 可编程充电定时器提供安全备份。 如果电池电压降至内部阈值以下,则 bq24171 将自动重新启动充电周期,并在输入电压降至低于电池电压时进入低静态电流休眠模式。

bq24171 具有动态电源管理 (DPM) 功能,可在达到输入功率限值时减小充电电流,以避免适配器承受过大的负载。 高精度电流感测放大器能够精确测量适配器的输入电流,以监视总系统功率。

bq24171 器件在输入 NMOS 对(ACFET (Q1) 和 RBFET (Q2))上提供了电源通路选择器栅极驱动器 ACDRV/CMSRC,并在电池 PMOS 器件 (Q3) 上提供了 BATDRV。 当接入合格的适配器时,系统将直接与适配器相连。 否则,系统将连接至电池。 此外,电源路径还可防止电池对输入进行返回升压。

bq24171 通过电压高达 17V 的直流电源对电池进行充电,包括汽车电池。 输入过压限值可通过 OVPSET 引脚进行调节。 AVCC、ACP 和 ACN 引脚的额定电压为 30V。 当接入高压直流电源时,Q1 和 Q2 保持关断状态,以避免高电压对系统造成损害。

对于单节电池应用,如果电池是不可拆卸的,则可将系统直接连接至电池以简化电源路径设计并降低成本。 利用这种配置,电池就能够在适配器过载的情况下自动地对系统负载提供补充供电。

bq24171 采用 24 引脚 5.5mm × 3.5mm 薄型 QFN 封装。

  • 符合 JEITA 标准的电池温度感测
  • 具有 4A 集成型 N 沟道金属氧化物半导体场效应晶体管 (MOSFET) 的 1.6MHz 同步开关模式充电器
  • 效率高达 94%
  • 30V 额定输入电压,具有可调节过压保护功能
    • 输入工作电压范围:4.5V 至 17V
  • 电池充电电压
    • 可调节充电电压,最多可为 3 节电池充电
  • 高集成度
    • 自动电源路径选择器,在适配器和电池之间选择
    • 动态电源管理
    • 集成 20V 开关 MOSFET
    • 集成型自举二极管
    • 内部环路补偿
    • 内部数字软启动
  • 安全
    • 通过热调节环路降低电流,将 TJ 限制为 120°C
    • 热关断
    • 电池热敏电阻可感测高温/低温充电暂停并检测电池
    • 具有可编程阈值的输入过压保护
    • 逐周期电流限制
  • 精度
    • ±0.5% 充电电压调节
    • ±4% 充电电流调节
    • ±4% 输入电流调节
  • 移除适配器后的电池电流低于 15μA
  • 接入适配器但禁用充电电路时的输入电流低于 1.5mA
  • 小型四方扁平无引线 (QFN) 封装
    • 24 引脚 5.5mm × 3.5mm QFN 封装

应用

  • 平板电脑
  • 上网本和超便携计算机
  • 便携式数据采集终端
  • 便携式打印机
  • 医疗诊断设备
  • 座式电池充电器
  • 备用电池系统

All trademarks are the property of their respective owners.

Number of series cells1, 2, 3
Charge current (max) (A)4
Vin (max) (V)17
Cell chemistryLi-Ion/Li-Polymer
Battery charge voltage (min) (V)2.1
Battery charge voltage (max) (V)15.5
Absolute max Vin (max) (V)20
Control topologySwitch-Mode Buck
Control interfaceStandalone (RC-Settable)
FeaturesBAT temp thermistor monitoring (JEITA profile), BAT temp thermistor monitoring (hot/cold profile), IC thermal regulation, IINDPM (Input current limit), Input OVP, Power Path
Vin (min) (V)4.5
RatingCatalog
Operating temperature range (°C)-40 to 85
VQFN (RGY)2419.25 mm² 5.5 x 3.5
产品购买
  • 商品型号
  • 封装
  • 工作温度
  • 包装
  • 价格
  • 现货库存
  • 操作
10s
温馨提示:
订单商品问题请移至我的售后服务提交售后申请,其他需投诉问题可移至我的投诉提交,我们将在第一时间给您答复
返回顶部