h1_key

TI(德州仪器) LP8552
德州仪器 (TI) 全系列产品在线购买
  • TI(德州仪器) LP8552
  • TI(德州仪器) LP8552
  • TI(德州仪器) LP8552
  • TI(德州仪器) LP8552
  • TI(德州仪器) LP8552
  • TI(德州仪器) LP8552
立即查看
您当前的位置: 首页 > 电源管理 > LED 驱动器 > 背光 LED 驱动器 > LP8552
LP8552

LP8552

正在供货

适用于笔记本电脑的六通道高效 LED 背光驱动器,采用 BGA 封装

产品详情
  • 说明
  • 特性
  • 参数
  • 封装 | 引脚 | 尺寸

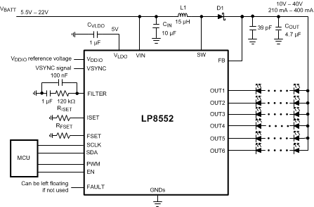
The LP8552 is a white LED driver with integrated boost converter. It has six adjustable current sinks which can be controlled by PWM input or with I2C-compatible serial interface. The boost converter has adaptive output voltage control based on the LED driver voltages. This feature minimizes the power consumption by adjusting the voltage to lowest sufficient level in all conditions.

LED outputs have 8-bit current resolution and up to 13-bit PWM resolution with additional 1-3 bit dithering to achieve smooth and precise brightness control. Proprietary Phase Shift PWM control is used for LED outputs to reduce peak current from the boost converter, thus making the boost capacitors smaller. The Phase Shifting scheme also eliminates audible noise.

Automatic PWM dimming at lower brightness values and current dimming at higher brightness values can be used to improve the optical efficiency. Internal EEPROM is used for storing the configuration data. This makes it possible to have minimum external component count and make the solution very small.

The LP8552 has safety features which make it possible to detect LED outputs with open or short fault. As well low input voltage and boost overcurrent conditions are monitored and chip is turned off in case of these events. Thermal de-rating function prevents overheating of the device by reducing backlight brightness when set temperature has been reached.

  • High-Voltage DC/DC Boost Converter with Integrated FET
    with Four Switching Frequency Options: 156/312/625/1250 kHz
  • 2.7-V to 22-V Input Voltage Range to Support 1x…5x
    cell Li-Ion Batteries
  • Programmable PWM Resolution
    • 8 to 13 True Bit (Steady State)
    • Additional 1 to 3 Bits Using Dithering During Brightness
      Changes
  • I2C-Compatible and PWM Brightness Control
  • Automatic PWM & Current Dimming for Improved Efficiency
  • PWM Output Frequency and LED Current set through Resistors
  • Optional Synchronization to Display VSYNC Signal
  • 6 LED Outputs with LED Fault (Short/Open) Detection
  • Low Input Voltage, Over-temperature, Overcurrent Detection,
    and Shutdown
  • Minimum Number of External Components
Number of channels6
Vin (min) (V)2.7
Vin (max) (V)22
Vout (min) (V)10
Vout (max) (V)40
TypeInductive
Switching frequency (max) (kHz)1250
Duty cycle (max) (%)100
LED current per channel (mA)50
Peak efficiency (%)93
TopologyBoost
FeaturesAdjustable Switch Frequency, Enable/Shutdown, I2C control, PWM control
Operating temperature range (°C)-40 to 85
RatingCatalog
DSBGA (YZR)257.5625 mm² 2.75 x 2.75
产品购买
  • 商品型号
  • 封装
  • 工作温度
  • 包装
  • 价格
  • 现货库存
  • 操作
10s
温馨提示:
订单商品问题请移至我的售后服务提交售后申请,其他需投诉问题可移至我的投诉提交,我们将在第一时间给您答复
返回顶部