h1_key

TI(德州仪器) LM21215
德州仪器 (TI) 全系列产品在线购买
  • TI(德州仪器) LM21215
  • TI(德州仪器) LM21215
  • TI(德州仪器) LM21215
  • TI(德州仪器) LM21215
  • TI(德州仪器) LM21215
  • TI(德州仪器) LM21215
立即查看
您当前的位置: 首页 > 电源管理 > 直流/直流开关稳压器 > 降压稳压器 > LM21215
LM21215

LM21215

正在供货

具有可调频率的 2.95V 至 5.5V、15A 电压模式同步降压稳压器

产品详情
  • 说明
  • 特性
  • 参数
  • 封装 | 引脚 | 尺寸

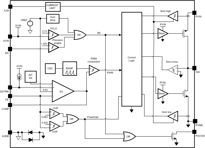
LM21215 是一款单片同步负载点降压稳压器,能够提供高达 15A 的持续输出电流,同时以出色的效率产生低至 0.6V 的输出电压。该器件经过优化,可在 2.95V 至 5.5V 的输入电压范围内工作,因此适合各种低电压系统。电压模式控制环路可提供高噪声抗扰度、低占空比能力,并且可通过任何类型的输出电容补偿至稳定状态,从而提供最大的灵活性和易用性。

LM21215 具有内部过压保护 (OVP) 和电阻器可编程过流保护 (OCP)特性,可提高系统可靠性。精密使能引脚和集成 UVLO 支持对器件的开启进行严格的控制和定序。启动浪涌电流受内部固定和外部可调的软启动电路限制。借助集成电源正常状态电路,可实现故障检测和电源定序。

LM21215 设计用于在多轨电源架构中良好运行。可使用 SS/TRK 引脚将该器件的输出电压配置为跟踪外部电压轨。如果在启动时对输出进行预偏置,则不会灌入电流,从而使输出电压平稳上升,超过预偏置电压。该稳压器采用具有外露焊盘的 20 引脚 HTSSOP 封装,该焊盘可焊接至 PCB,因而无需大型散热装置。

  • 集成式 7 mΩ 高侧和 4.3 mΩ 低侧 FET 开关
  • 可调节电流限制
  • 可调输出电压范围为 0.6V 至 VIN(支持 100% 占空比),基准为 ±1%
  • 2.95V 至 5.5V 输入电压范围
  • 500 kHz 固定开关频率
  • 启动至预偏置负载
  • 输出电压跟踪功能
  • 高带宽电压环路误差放大器
  • 通过外部电容器进行可调软启动
  • 具有迟滞功能的精密使能引脚
  • 集成 OVP、OTP、UVLO 和电源正常状态
  • 热增强型 20 引脚 HTSSOP 外露焊盘封装
  • 使用 LM21215 并借助 WEBENCH Power Designer 创建定制设计
Vin (min) (V)2.95
Vin (max) (V)5.5
Vout (min) (V)0.6
Vout (max) (V)5.5
Iout (max) (A)15
Iq (typ) (mA)1.5
Switching frequency (min) (kHz)500
Switching frequency (max) (kHz)500
FeaturesAdjustable current limit, Enable, Power good, Pre-Bias Start-Up, Synchronous Rectification, Tracking
Operating temperature range (°C)-40 to 125
RatingCatalog
Regulated outputs (#)1
Control modeVoltage mode
Duty cycle (max) (%)100
TypeConverter
HTSSOP (PWP)2041.6 mm² 6.5 x 6.4
产品购买
  • 商品型号
  • 封装
  • 工作温度
  • 包装
  • 价格
  • 现货库存
  • 操作
10s
温馨提示:
订单商品问题请移至我的售后服务提交售后申请,其他需投诉问题可移至我的投诉提交,我们将在第一时间给您答复
返回顶部