h1_key

TI(德州仪器) TPS57040-Q1
德州仪器 (TI) 全系列产品在线购买
  • TI(德州仪器) TPS57040-Q1
  • TI(德州仪器) TPS57040-Q1
  • TI(德州仪器) TPS57040-Q1
  • TI(德州仪器) TPS57040-Q1
  • TI(德州仪器) TPS57040-Q1
  • TI(德州仪器) TPS57040-Q1
立即查看
您当前的位置: 首页 > 电源管理 > 直流/直流开关稳压器 > 降压稳压器 > TPS57040-Q1
TPS57040-Q1

TPS57040-Q1

正在供货

具有 Eco-Mode™ 的汽车类 3.5V 至 42V、500mA 降压转换器

产品详情
  • 说明
  • 特性
  • 参数
  • 封装 | 引脚 | 尺寸

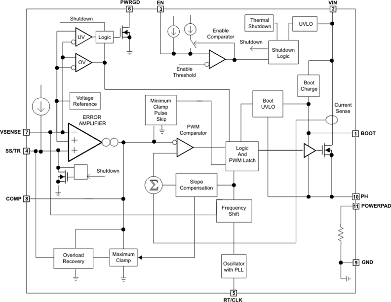
The TPS57040-Q1 device is a 42-V 0.5-A step-down regulator with an integrated high-side MOSFET. Current mode control provides simple external compensation and flexible component selection. A low-ripple pulse-skip mode reduces the no load, input supply current to 116 µA. Using the enable pin, shutdown supply current is reduced to 1.5 µA, when the enable pin is low.

Undervoltage lockout is internally set at 2.5 V, but can be increased using the enable pin. The output voltage startup ramp is controlled by the slow start pin that can also be configured for sequencing/tracking. An open drain power-good signal indicates the output is within 92% to 109% of its nominal voltage.

A wide switching frequency range allows efficiency and external component size to be optimized. Frequency fold back and thermal shutdown protects the part during an overload condition.

The TPS57040-Q1 is available in a 10-pin thermally enhanced MSOP PowerPAD™ package (DGQ) and a 10-pin SON package (DRC).

  • Qualified for Automotive Applications
  • AEC-Q100 Qualified With the Following Results
    • Device Temperature Grade 1: –40°C to 125°C
      Ambient Operating Temperature Range
    • Device HBM ESD Classification Level 2
    • Device CDM ESD Classification Level C4B
  • 3.5-V to 42-V Input Voltage Range
  • 200-mΩ High-Side MOSFET
  • High Efficiency at Light Loads with a Pulse
    Skipping Eco-mode™ Control Scheme
  • 116-µA Operating Quiescent Current
  • 1.5-µA Shutdown Current
  • 100-kHz to 2.5-MHz Switching Frequency
  • Synchronizes to External Clock
  • Adjustable Slow Start/Sequencing
  • Undervoltage and Overvoltage Power-good Output
  • Adjustable Undervoltage Lockout Voltage and Hysteresis
  • 0.8-V Internal Voltage Reference
  • Supported by SwitcherPro™ Software Tool
    (http://focus.ti.com/docs/toolsw/folders/print/switcherpro.html)
Vin (min) (V)3.5
Vin (max) (V)42
Vout (min) (V)0.8
Vout (max) (V)39
Iout (max) (A)0.5
Iq (typ) (mA)0.116
Switching frequency (min) (kHz)100
Switching frequency (max) (kHz)2500
FeaturesEnable, Frequency synchronization, Light Load Efficiency, Power good, Soft Start Adjustable, UVLO adjustable
Operating temperature range (°C)-40 to 125
RatingAutomotive
Regulated outputs (#)1
Control modecurrent mode
Duty cycle (max) (%)100
TypeConverter
HVSSOP (DGQ)1014.7 mm² 3 x 4.9
VSON (DRC)109 mm² 3 x 3
产品购买
  • 商品型号
  • 封装
  • 工作温度
  • 包装
  • 价格
  • 现货库存
  • 操作
10s
温馨提示:
订单商品问题请移至我的售后服务提交售后申请,其他需投诉问题可移至我的投诉提交,我们将在第一时间给您答复
返回顶部