h1_key

TI(德州仪器) TLV62065
德州仪器 (TI) 全系列产品在线购买
  • TI(德州仪器) TLV62065
  • TI(德州仪器) TLV62065
  • TI(德州仪器) TLV62065
  • TI(德州仪器) TLV62065
  • TI(德州仪器) TLV62065
  • TI(德州仪器) TLV62065
立即查看
您当前的位置: 首页 > 电源管理 > 直流/直流开关稳压器 > 降压稳压器 > TLV62065
TLV62065

TLV62065

正在供货

采用 2x2 SON 封装的 3MHz、2A 降压转换器

产品详情
  • 说明
  • 特性
  • 参数
  • 封装 | 引脚 | 尺寸

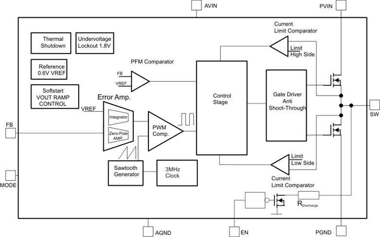
The TLV62065 device is a high efficiency synchronous step-down DC–DC converter. It provides up to 2-A output current.

With an input voltage range of 2.9 V to 5.5 V, the device is a perfect fit for power conversion from a 5-V or 3.3-V system supply rail. The TLV62065 operates at 3-MHz fixed frequency and enters power-save mode operation at light load currents to maintain high efficiency over the entire load current range. For low noise applications, TLV62065 can be forced into fixed frequency PWM mode by pulling the MODE pin high.

In the shutdown mode, the current consumption is reduced to less than 1 µA and an internal circuit discharges the output capacitor.

TLV62065 operates with a 1-µH inductor and 10-µF output capacitor.

The TLV62065 is available in a small 2 mm × 2 mm × 0.75 mm 8-pin WSON package.

  • VIN Range from 2.9 V to 5.5 V
  • Up to 97% Efficiency
  • Power-Save Mode / 3-MHz Fixed PWM Mode
  • Output Voltage Accuracy in PWM Mode ±2.0%
  • Output Capacitor Discharge Function
  • Typical 18-µA Quiescent Current
  • 100% Duty Cycle for Lowest Dropout
  • Available in a 2 mm × 2 mm × 0.75 mm WSON
  • APPLICATIONS
    • Point-of-Load (POL)
    • Notebooks, Pocket PCs
    • Portable Media Players
    • Set-Top Boxes

All other trademarks are the property of their respective owners

Vin (min) (V)2.9
Vin (max) (V)5.5
Vout (min) (V)0.8
Vout (max) (V)5.5
Iout (max) (A)2
Iq (typ) (mA)18
Switching frequency (min) (kHz)2600
Switching frequency (max) (kHz)3400
EMI featuresSpread Spectrum
FeaturesEnable, Forced PWM, Light load efficiency, Output discharge, Spread Spectrum, Synchronous Rectification, UVLO fixed
Operating temperature range (°C)-40 to 85
RatingCatalog
Regulated outputs (#)1
Control modeVoltage mode
Duty cycle (max) (%)100
TypeConverter
WSON (DSG)84 mm² 2 x 2
产品购买
  • 商品型号
  • 封装
  • 工作温度
  • 包装
  • 价格
  • 现货库存
  • 操作
10s
温馨提示:
订单商品问题请移至我的售后服务提交售后申请,其他需投诉问题可移至我的投诉提交,我们将在第一时间给您答复
返回顶部