h1_key

TI(德州仪器) BQ24170
德州仪器 (TI) 全系列产品在线购买
  • TI(德州仪器) BQ24170
  • TI(德州仪器) BQ24170
  • TI(德州仪器) BQ24170
  • TI(德州仪器) BQ24170
  • TI(德州仪器) BQ24170
  • TI(德州仪器) BQ24170
立即查看
您当前的位置: 首页 > 电源管理 > 电池管理 IC > 电池充电器 IC > BQ24170
BQ24170

BQ24170

正在供货

具有电源路径选择器的独立 1 至 3 节 4A 同步降压电池充电器

产品详情
  • 说明
  • 特性
  • 参数
  • 封装 | 引脚 | 尺寸

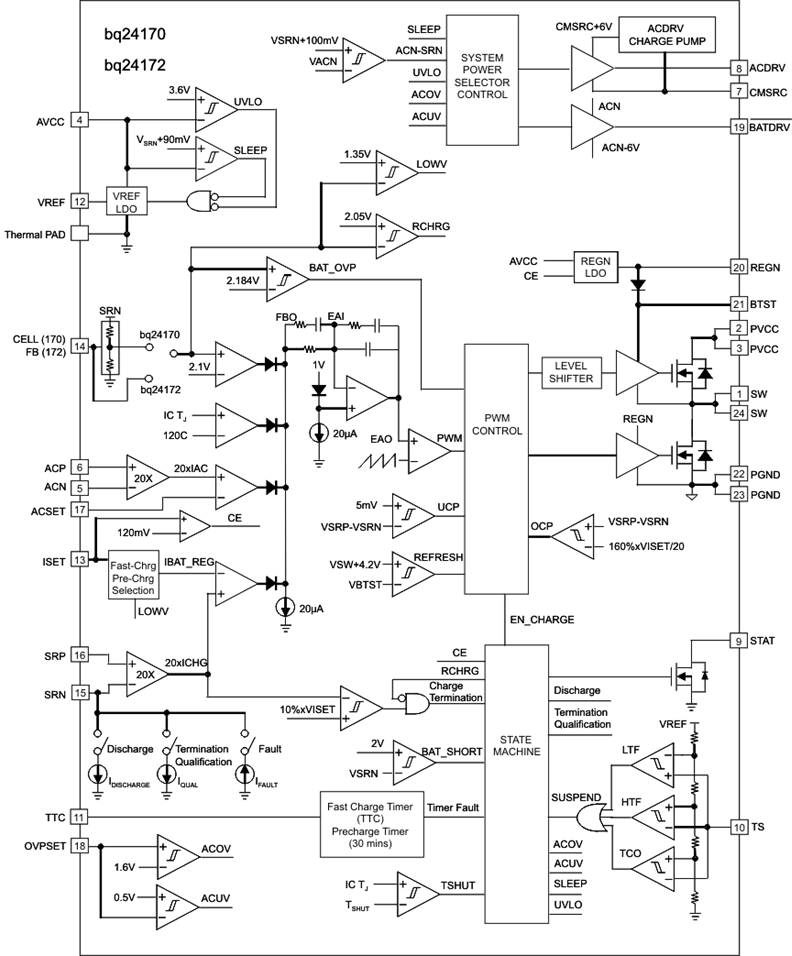
The bq2417x device is a highly integrated stand-alone Li-Ion and Li-Polymer switched-mode battery charger with two integrated N-channel power MOSFETs. The device offers a constant-frequency synchronous PWM controller with high-accuracy regulation of input current, charge current, and voltage. The bq2417x closely monitors the battery pack temperature to allow charge only in a preset temperature window. The bq24170 charges one, two, or three cells (selected by CELL pin), and the bq24172 is adjustable for up to three series Li+ cells.

The device charges the battery in three phases: precondictioning, constant current, and constant voltage.

Charge is terminated when the current reaches 10% of the fast charge rate. A programmable charge timer offers a safety backup. The bq2417x automatically restarts the charge cycle if the battery voltage falls below an internal threshold, and enters a low-quiescent current sleep mode when the input voltage falls below the battery voltage.

The bq2417x features Dynamic Power Management (DPM) to reduce the charge current when the input power limit is reached to avoid overloading the adapter. A highly accurate current-sense amplifier enables precise measurement of input current from adapter to monitor overall system power.

The bq2417x provides power path selector gate driver ACDRV/CMSRC on input NMOS pair ACFET (Q1) and RBFET (Q2), and BATDRV on a battery PMOS device (Q3). When the qualified adapter is present, the system is directly connected to the adapter. Otherwise, the system is connected to the battery. In addition, the power path prevents battery from boosting back to the input.

The bq2417x charges a battery from a DC source as high as 17 V, including a car battery. The input overvoltage limit is adjustable through the OVPSET pin. The AVCC, ACP, and ACN pins have a 30-V rating. When a high-voltage DC source is inserted, Q1 and Q2 remain off to avoid high voltage damage to the system.

For 1-cell applications, if the battery is not removable, the system can be directly connected to the battery to simplify the power path design and reduce the cost. With this configuration, the battery can automatically supplement the system load if the adapter is overloaded.

The bq2417x is available in a 24-pin, 5.5-mm × 3.5-mm thin VQFN package.

  • 1.6-MHz Synchronous Switched-Mode Charger
    with 4-A Integrated N-MOSFETs
  • Up to 94% Efficiency
  • 30-V Input Rating with Adjustable Overvoltage
    Protection
    • 4.5-V to 17-V Input Operating Voltage Range
  • Battery Charge Voltage
    • bq24170: 1-, 2-, or 3-Cell with 4.2 V/Cell
    • bq24172: Adjustable Charge Voltage
  • High Integration
    • Automatic Power Path Selector Between
      Adapter and Battery
    • Dynamic Power Management
    • Integrated 20-V Switching MOSFETs
    • Integrated Bootstrap Diode
    • Internal Digital Soft Start
  • Safety
    • Thermal Regulation Loop Throttles Back
      Current to Limit TJ = 120°C
    • Thermal Shutdown
    • Battery Thermistor Sense Hot/Cold Charge
      Suspend and Battery Detect
    • Adjustable Input Overvoltage Protection
    • Cycle-by-Cycle Current Limit
  • Accuracy
    • ±0.5% Charge Voltage Regulation
    • ±4% Charge Current Regulation
    • ±4% Input Current Regulation
  • <15-µA Battery Current With Adapter Removed
  • <1.5-mA Input Current With Adapter Present and
    Charge Disabled
Number of series cells1, 2, 3
Charge current (max) (A)4
Vin (max) (V)17
Cell chemistryLi-Ion/Li-Polymer
Battery charge voltage (min) (V)4.2
Battery charge voltage (max) (V)13.5
Absolute max Vin (max) (V)20
Control topologySwitch-Mode Buck
Control interfaceStandalone (RC-Settable)
FeaturesBAT temp thermistor monitoring (hot/cold profile), IC thermal regulation, Input OVP, Power Path
Vin (min) (V)4.5
RatingCatalog
Operating temperature range (°C)-40 to 85
VQFN (RGY)2419.25 mm² 5.5 x 3.5
产品购买
  • 商品型号
  • 封装
  • 工作温度
  • 包装
  • 价格
  • 现货库存
  • 操作
10s
温馨提示:
订单商品问题请移至我的售后服务提交售后申请,其他需投诉问题可移至我的投诉提交,我们将在第一时间给您答复
返回顶部