h1_key

TI(德州仪器) TPS54618
德州仪器 (TI) 全系列产品在线购买
  • TI(德州仪器) TPS54618
  • TI(德州仪器) TPS54618
  • TI(德州仪器) TPS54618
  • TI(德州仪器) TPS54618
  • TI(德州仪器) TPS54618
  • TI(德州仪器) TPS54618
立即查看
您当前的位置: 首页 > 电源管理 > 直流/直流开关稳压器 > 降压稳压器 > TPS54618
TPS54618

TPS54618

正在供货

2.95V 至 6V 输入、6A 同步降压 SWIFT™ 转换器

产品详情
  • 说明
  • 特性
  • 参数
  • 封装 | 引脚 | 尺寸

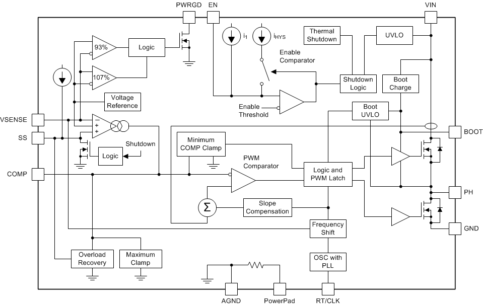
TPS54618 器件是一款具有两个集成 MOSFET 的全功能 6V、6A、同步降压电流模式转换器。

TPS54618 集成了 MOSFET,通过实施电流模式控制来减少外部组件数量、通过启用高达 2MHz 的开关频率来减小电感器尺寸,并借助小型 3mm × 3mm 热增强型 WQFN 封装尽量减小 IC 封装尺寸,从而实现小型设计。。

TPS54618 可在工作温度范围内为各种负载提供具有 ±1% 精确电压基准 (VREF) 的准确调节。

通过集成
12mΩ MOSFET 和 515µA(典型值)的电源电流,最大限度提升效率。通过使用使能引脚进入关断模式,关断电流被减少至 5.5µA。

欠压闭锁被内部设定在 2.6V 上,但是可通过一个使能引脚上的电阻器网络来编辑阈值,以增加此电压值。输出电压启动斜坡由慢启动引脚控制。一个开漏电源正常信号表示输出处于其标称电压值的 93% 至 107% 之内。

频率折返和热关断功能可在过流情况下保护器件。

有关 SWIFT™ 文档的更多信息,请访问 TI 网站 www.ti.com/swift

  • 两个可在 6A 负载下获得高效率的 12mΩ(典型值)MOSFET
  • 300kHz 至 2MHz 开关频率
  • 在工作温度范围(-40°C 至 +150°C)内具有 0.8V ±1% 电压基准
  • 与外部时钟同步
  • 可调缓启动和排序
  • 欠压 (UV) 和过压 (OV) 电源正常输出
  • -40°C 至 150°C 的工作结温范围
  • 热增强型 3mm × 3mm、16 引脚 WQFN 封装
  • 与 TPS54418 引脚兼容
  • 使用 TPS54618 并借助 WEBENCH® 电源设计器创建定制设计方案
Vin (min) (V)2.95
Vin (max) (V)6
Vout (min) (V)0.8
Vout (max) (V)4.5
Iout (max) (A)6
Iq (typ) (mA)0.515
Switching frequency (min) (kHz)200
Switching frequency (max) (kHz)2000
FeaturesEnable, Frequency synchronization, Power good, Pre-Bias Start-Up, Synchronous Rectification, Tracking, UVLO adjustable
Operating temperature range (°C)-40 to 150
RatingCatalog
Regulated outputs (#)1
Control modecurrent mode
Duty cycle (max) (%)98
TypeConverter
WQFN (RTE)169 mm² 3 x 3
产品购买
  • 商品型号
  • 封装
  • 工作温度
  • 包装
  • 价格
  • 现货库存
  • 操作
10s
温馨提示:
订单商品问题请移至我的售后服务提交售后申请,其他需投诉问题可移至我的投诉提交,我们将在第一时间给您答复
返回顶部