h1_key

TI(德州仪器) BQ24156A
德州仪器 (TI) 全系列产品在线购买
  • TI(德州仪器) BQ24156A
  • TI(德州仪器) BQ24156A
  • TI(德州仪器) BQ24156A
  • TI(德州仪器) BQ24156A
  • TI(德州仪器) BQ24156A
  • TI(德州仪器) BQ24156A
立即查看
您当前的位置: 首页 > 电源管理 > 电池管理 IC > 电池充电器 IC > BQ24156A
BQ24156A

BQ24156A

正在供货

I2C 单节 1.55A 降压电池充电器

产品详情
  • 说明
  • 特性
  • 参数
  • 封装 | 引脚 | 尺寸

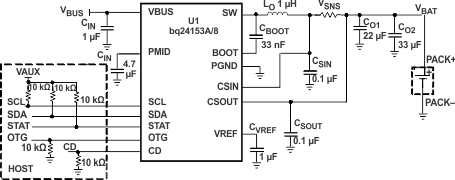
The bq24153A/6A/8/9 is a compact, flexible, high-efficiency, USB-friendly switch-mode charge management device for single-cell Li-ion and Li-polymer batteries used in a wide range of portable applications. The charge parameters can be programmed through an I2C interface. The IC integrates a synchronous PWM controller, power MOSFETs, input current sensing, high-accuracy current and voltage regulation, and charge termination, into a small WCSP package.

The IC charges the battery in three phases: conditioning, constant current and constant voltage. The input current is automatically limited to the value set by the host. Charge is terminated based on battery voltage and user-selectable minimum current level. A safety timer with reset control provides a safety backup for I2C interface. During normal operation, The IC automatically restarts the charge cycle if the battery voltage falls below an internal threshold and automatically enters sleep mode or high impedance mode when the input supply is removed. The charge status can be reported to the host using the I2C interface. During the charging process, the IC monitors its junction temperature (TJ) and reduces the charge current once TJ increases to about 125°C. To support USB OTG device, bq24153A/8 can provide VBUS (5.05 V) by boosting the battery voltage. The IC is available in 20-pin WCSP package.

  • Charge Faster than Linear Chargers
  • High-Accuracy Voltage and Current Regulation
    • Input Current Regulation Accuracy: ±5% (100
      mA and 500 mA)
    • Charge Voltage Regulation Accuracy: ±0.5%
      (25°C), ±1% (0°C to 125°C)
    • Charge Current Regulation Accuracy: ±5%
  • Input Voltage Based Dynamic Power
    Management (VIN DPM)
  • Bad Adaptor Detection and Rejection
  • Safety Limit Register for Maximum Charge
    Voltage and Current Limiting
  • High-Efficiency Mini-USB/AC Battery Charger for
    Single-Cell Li-Ion and Li-Polymer Battery Packs
  • 20-V Absolute Maximum Input Voltage Rating
  • 9-V Maximum Operating Input Voltage-
    bq24156A/9
  • 6-V Maximum Operating Input Voltage-
    bq24153A/8
  • Built-In Input Current Sensing and Limiting
  • Integrated Power FETs for Up To 1.55-A Charge
    Rate
  • Programmable Charge Parameters through I2C
    Compatible Interface (up to 3.4 Mbps):
    • Input Current Limit
    • VIN DPM Threshold
    • Fast-Charge/Termination Current
    • Charge Regulation Voltage (3.5 V to 4.44 V)
    • Low Charge Current Mode Enable/Disable
    • Safety Timer with Reset Control
    • Termination Enable/Disable
  • Support up to 1.55 A Charge Current Using 55-
    mΩ Sensing Resistor
  • Synchronous Fixed-Frequency PWM Controller
    Operating at 3 MHz With 0% to 99.5% Duty Cycle
  • Automatic High Impedance Mode for Low Power
    Consumption
  • Robust Protection
    • Reverse Leakage Protection Prevents Battery
      Drainage
    • Thermal Regulation and Protection
    • Input/Output Overvoltage Protection
  • Status Output for Charging and Faults
  • USB Friendly Boot-Up Sequence
  • Automatic Charging
  • Power Up System without Battery bq24158/9
  • Boost Mode Operation for USB OTG:
    (bq24153A/8 only)
    • Input Voltage Range (from Battery): 2.5 V to
      4.5 V
    • Output for VBUS: 5.05 V/ 200 mA
  • 2.1 mm × 2 mm 20-Pin WCSP Package
  • APPLICATIONS
    • Mobile and Smart Phones
    • MP3 Players
    • Handheld Devices
  • Number of series cells1
    Charge current (max) (A)1.55
    Vin (max) (V)9
    Cell chemistryLi-Ion/Li-Polymer
    Battery charge voltage (min) (V)3.5
    Battery charge voltage (max) (V)4.44
    Absolute max Vin (max) (V)20
    Control topologySwitch-Mode Buck
    Control interfaceI2C
    FeaturesInput OVP, VINDPM (Input voltage threshold to maximize adaptor power)
    Vin (min) (V)4
    RatingCatalog
    Operating temperature range (°C)-40 to 85
    DSBGA (YFF)203.96 mm² 1.8 x 2.2
    产品购买
    • 商品型号
    • 封装
    • 工作温度
    • 包装
    • 价格
    • 现货库存
    • 操作
    10s
    温馨提示:
    订单商品问题请移至我的售后服务提交售后申请,其他需投诉问题可移至我的投诉提交,我们将在第一时间给您答复
    返回顶部