h1_key

TI(德州仪器) LM3464A
德州仪器 (TI) 全系列产品在线购买
  • TI(德州仪器) LM3464A
  • TI(德州仪器) LM3464A
  • TI(德州仪器) LM3464A
  • TI(德州仪器) LM3464A
  • TI(德州仪器) LM3464A
  • TI(德州仪器) LM3464A
立即查看
您当前的位置: 首页 > 电源管理 > LED 驱动器 > 照明 LED 驱动器 > LM3464A
LM3464A

LM3464A

正在供货

具有动态余量控制和热控制接口的 95V LED 驱动器

产品详情
  • 说明
  • 特性
  • 参数
  • 封装 | 引脚 | 尺寸

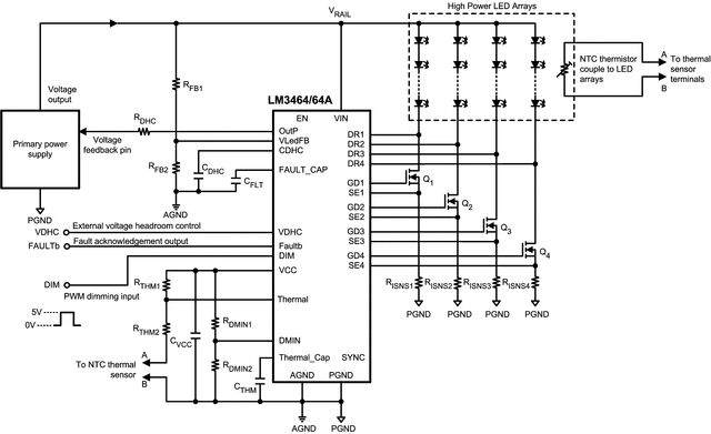
The LM3464/64A is a 4-channel high voltage current regulator that provides a simple solution for LED lighting applications. The LM3464/64A provides four individual current regulator channels and works in conjunction with external N-channel MOSFETs and sense resistors to give accurate driving current for every LED string. Additionally, the Dynamic Headroom Control (DHC) output can be interfaced to the external power supply to adjust the LED supply voltage to the lowest level that is adequate to maintain all the string currents in regulation, yielding the optimal overall efficiency.

Digital PWM or analog voltage signals can be used to control the duty cycle of the all the channels. When analog control is used, the dimming frequency can be programmed via an external capacitor. A minimum duty cycle control is provided in the conditions that the analog dimming is configured as thermal feedback.

Protection features include VIN under-voltage lock-out, LED open/short circuit and over-temperature fault signaling to the system controller.

  • Wide Input Voltage Range
    • 12V-80V (LM3464)
    • 12V-95V (LM3464A)
  • Dynamic Headroom Control Ensures Maximum Efficiency
  • 4 Output Channels With Individual Current Regulation
  • High Channel to Channel Accuracy
  • Digital PWM/Analog Dimming Control Interface
  • Resistor Programmable Dimming Frequency and Minimum Duty Cycle (Analog Dimming Mode)
  • Direct Interface to Thermal Sensor
  • Fault Detection
  • Over Temperature Protection
  • Thermal Shutdown
  • Under Voltage Lockout
  • Thermal Enhanced TSSOP-28 Package

All trademarks are the property of their respective owners.

Input voltage typeDC Linear, DC/DC
TopologyCurrent Sink, Multi-Channel
Vin (min) (V)12
Vin (max) (V)95
Vout (max) (V)95
Vout (min) (V)0.9
Iout (max) (A)4
Iq (typ) (mA)2.3
FeaturesEnable/Shutdown, Thermal Foldback, Thermal shutdown
Operating temperature range (°C)-40 to 125
Dimming methodAnalog, PWM
Number of channels4
RatingCatalog
HTSSOP (PWP)2862.08 mm² 9.7 x 6.4
产品购买
  • 商品型号
  • 封装
  • 工作温度
  • 包装
  • 价格
  • 现货库存
  • 操作
10s
温馨提示:
订单商品问题请移至我的售后服务提交售后申请,其他需投诉问题可移至我的投诉提交,我们将在第一时间给您答复
返回顶部