h1_key

TI(德州仪器) BQ78PL116
德州仪器 (TI) 全系列产品在线购买
  • TI(德州仪器) BQ78PL116
  • TI(德州仪器) BQ78PL116
  • TI(德州仪器) BQ78PL116
  • TI(德州仪器) BQ78PL116
  • TI(德州仪器) BQ78PL116
  • TI(德州仪器) BQ78PL116
立即查看
您当前的位置: 首页 > 电源管理 > 电池管理 IC > 电池电量监测 > BQ78PL116
BQ78PL116

BQ78PL116

正在供货

具有 PowerPump 电池平衡技术的 PowerLAN 主网关控制器

产品详情
  • 说明
  • 特性
  • 参数
  • 封装 | 引脚 | 尺寸

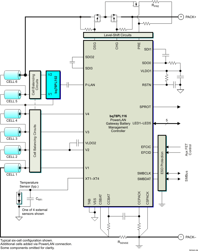
The bq78PL116 master gateway battery controller is part of a complete Li-Ion control, monitoring, and safety solution designed for large series cell strings.

The bq78PL116 along with bq76PL102 PowerLAN™ dual-cell monitors provide complete battery-system control, communications, and safety functions for a structure of three up to 16 series cells. This PowerLAN system provides simultaneous, synchronized voltage and current measurements using one A/D per-cell technology. This eliminates system-induced noise from measurements and allows the precise, continuous, real-time calculation of cell impedance under all operating conditions, even during widely fluctuating load conditions.

PowerPump technology transfers charge between cells to balance their voltage and capacity. Balancing is possible during all battery modes: charge, discharge, and rest. Highly efficient charge-transfer circuitry nearly eliminates energy loss while providing true real-time balance between cells, resulting in longer run-time and improved cycle life.

Temperature is sensed by up to 4 external sensors and one on-chip sensor. This permits accurate temperature monitoring of each cell individually. Firmware is then able to compensate for the temperature-induced effects on capacity, impedance, and OCV on a cell-by-cell basis, resulting in superior charge/ discharge and balancing control.

External MOSFET control inputs provide user- definable direct hardware control over MOSFET states. Smart control prevents excessive current through MOSFET body diodes. Auxiliary inputs can be used for enhanced safety and control in large multicell arrays.

The bq78PL116 is completely user-configurable, with parametric tables in flash memory to suit a variety of cell chemistries, operating conditions, safety controls, and data reporting needs. It is easily configured using the supplied bqWizard graphical user interface (GUI). The device is fully programmed and requires no algorithm or firmware development.

The bq78PL116 pin functions of LED1/SEG1–LED5/SEG5, PSH/BP/TP, and FIELD support LED, LCD, and electronic paper displays (EPDs). The user can configure the bq78PL116 for the desired display type.

  • bq78PL116 Designed for Managing 3- to 16-Series-Cell Battery Systems
    • Support for LCD and Electronic Paper Displays or EPDs
    • Configurable for 11-A, 26-A, or 110-A Operating Currents
  • Systems With More Than Four Series Cells Require
    External bq76PL102 Dual-Cell Monitors
  • SmartSafety Features:
    • Prevention: Optimal Cell Management
    • Diagnosis: Improved Sensing of Cell Problems
    • Fail Safe: Detection of Event Precursors
  • Rate-of-Change Detection of All Important Cell Characteristics:
    • Impedance
    • Cell Temperature
  • PowerPump Technology Transfers Charge Efficiently From Cell to Cell
    During All Operating Conditions, Resulting in Longer Run Time and Cell Life
    • Includes User-Configurable PowerPump Cell-Balancing Modes
  • High-Resolution 18-Bit Integrating Delta-Sigma Coulomb Counter for
    Precise Charge-Flow Measurements and Gas Gauging
  • Multiple Independent - ADCs: One-per-Cell Voltage,
    Plus Separate Temperature, Current, and Safety
  • Simultaneous, Synchronous Measurement of Pack Current and
    Individual Cell Voltages
  • Very Low Power Consumption
    • < 400 µA Active, < 185 µA Standby, < 85 µA Ship,
      and < 1 µA Undervoltage Shutdown
  • Accurate, Advanced Temperature Monitoring of Cells and MOSFETs
    With up to 4 Sensors
  • Fail-Safe Operation of Pack Protection Circuits: Up to Three Power MOSFETs
    and One Secondary Safety Output (Fuse)
  • Fully Programmable Voltage, Current, Balance, and
    Temperature-Protection Features
  • External Inputs for Auxiliary MOSFET Control
  • Smart Battery System 1.1 Compliant via SMBus
  • APPLICATIONS
    • Portable Medical Instruments and Test Equipment
    • Mobility Devices (E-Bike)
    • Uninterruptible Power Supplies and Hand-Held Tools

PowerLAN, PowerPump, bqWizard are trademarks of Texas Instruments.
All other trademarks are the property of their respective owners.

Cell chemistryLi-Ion/Li-Polymer
Number of series cells2-4 Cells, >4 Cells
Communication interfaceSMBus
Battery capacity (min) (mAh)1000
Battery capacity (max) (mAh)32767
ImplementationPack
External capacity indicationEPD, LCD
FeaturesCoulomb Counter
Operating temperature range (°C)-40 to 85
RatingCatalog
VQFN (RGZ)4849 mm² 7 x 7
产品购买
  • 商品型号
  • 封装
  • 工作温度
  • 包装
  • 价格
  • 现货库存
  • 操作
10s
温馨提示:
订单商品问题请移至我的售后服务提交售后申请,其他需投诉问题可移至我的投诉提交,我们将在第一时间给您答复
返回顶部