h1_key

TI(德州仪器) BQ24618
德州仪器 (TI) 全系列产品在线购买
  • TI(德州仪器) BQ24618
  • TI(德州仪器) BQ24618
  • TI(德州仪器) BQ24618
  • TI(德州仪器) BQ24618
  • TI(德州仪器) BQ24618
  • TI(德州仪器) BQ24618
立即查看
您当前的位置: 首页 > 电源管理 > 电池管理 IC > 电池充电器 IC > BQ24618
BQ24618

BQ24618

正在供货

支持 USB 且具有 5V 至 28V 输入的独立 1 至 6 节降压电池充电控制器

产品详情
  • 说明
  • 特性
  • 参数
  • 封装 | 引脚 | 尺寸

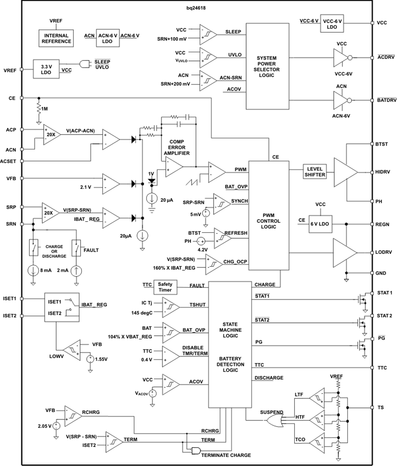
The bq24618 device is highly integrated Li-ion or Li-polymer switched-mode battery-charge controller. The bq24618 offers a constant-frequency synchronous switching PWM controller with high-accuracy charge current and voltage regulation, charge preconditioning, termination, adapter current regulation and charge status monitoring.

The bq24618 operates from either a USB port or AC adapter and supports charge currents up to 10 A. The device charges the battery in three phases: preconditioning, constant current, and constant voltage. Charge is terminated when the current reaches a minimum user-selectable level. A programmable charge timer provides a safety backup for charge termination. The bq24618 automatically restarts the charge cycle if the battery voltage falls below an internal threshold, and enters a low-quiescent current sleep mode when the input voltage falls below the battery voltage.

  • USB-Friendly 4.7-V to 28-V Input Operating
    Range
  • Stand-Alone Charge Controller to Support 1 to 6
    Li-Ion or Li-Polymer Battery Cells
  • Up to 10-A Charge Current and Adapter Current
  • 600-kHz NMOS-NMOS Synchronous Buck
    Converter
  • High-Accuracy Voltage and Current Regulation
    • ±0.5% Charge Voltage Accuracy
    • ±3% Charge Current Accuracy
    • ±3% Adapter Current Accuracy
  • Integration
    • Automatic System Power Selection From
      Adapter or Battery
    • Internal Loop Compensation
    • Internal Soft Start
    • Dynamic Power Management
  • Safety Protection
    • Input Overvoltage Protection
    • Battery Thermistor Sense Hot/Cold Charge
      Suspend
    • Battery Detection
    • Reverse-Protection Input FET
    • Programmable Safety Timer
    • Charge Overcurrent Protection
    • Battery Short Protection
    • Battery Overvoltage Protection
    • Thermal Shutdown
  • Status Outputs
    • Adapter Present
    • Charger Operation Status
  • Charge Enable Pin
  • 6-V Gate Drive for Synchronous Buck Converter
  • 30-ns Driver Dead-Time and 99.5% Maximum
    Effective Duty Cycle
  • Energy Star Low Quiescent Current Iq
    • < 15-µA Off-State Battery Discharge Current
    • < 1.5-mA Off-State Input Quiescent Current
  • APPLICATIONS
    • Tablet PCs
    • Smart Phones
    • Portable Media Players, Navigation Devices,
      Notebooks and Ultra-Mobile PCs
    • Personal Digital Assistants
    • Handheld Terminals
    • Industrial and Medical Equipment

All other trademarks are the property of their respective owners

Number of series cells1, 2, 3, 4, 5, 6
Charge current (max) (A)10
Vin (max) (V)28
Cell chemistryLi-Ion/Li-Polymer
Battery charge voltage (min) (V)2.1
Battery charge voltage (max) (V)26
Absolute max Vin (max) (V)33
Control topologySwitch-Mode Buck
Control interfaceStandalone (RC-Settable)
FeaturesBAT temp thermistor monitoring (hot/cold profile), IINDPM (Input current limit), Power Path
Vin (min) (V)4.7
RatingCatalog
Operating temperature range (°C)-40 to 85
VQFN (RGE)2416 mm² 4 x 4
产品购买
  • 商品型号
  • 封装
  • 工作温度
  • 包装
  • 价格
  • 现货库存
  • 操作
10s
温馨提示:
订单商品问题请移至我的售后服务提交售后申请,其他需投诉问题可移至我的投诉提交,我们将在第一时间给您答复
返回顶部