h1_key

TI(德州仪器) TPS386000-Q1
德州仪器 (TI) 全系列产品在线购买
  • TI(德州仪器) TPS386000-Q1
  • TI(德州仪器) TPS386000-Q1
  • TI(德州仪器) TPS386000-Q1
  • TI(德州仪器) TPS386000-Q1
  • TI(德州仪器) TPS386000-Q1
  • TI(德州仪器) TPS386000-Q1
立即查看
您当前的位置: 首页 > 电源管理 > 监控器和复位 IC > TPS386000-Q1
TPS386000-Q1

TPS386000-Q1

正在供货

具有可编程延迟和看门狗计时器的汽车类四通道电源电压监控器

产品详情
  • 说明
  • 特性
  • 参数
  • 封装 | 引脚 | 尺寸

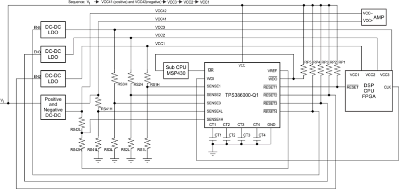
The TPS386000-Q1 family of voltage supervisors can monitor four power rails that are greater than 0.4 V and one power rail less than 0.4 V (including negative voltage) with a 0.25% (typical) threshold accuracy. Each of the four supervisory circuits (SVS-n) assert a RESETn or RESETn output signal when the SENSEm input voltage drops below the programmed threshold. With external resistors, the threshold of each SVS-n can be programmed (where n = 1, 2, 3, 4 and m = 1, 2, 3, 4L, 4H).

Each SVS-n has a programmable delay before releasing RESETn or RESETn. The delay time can be set from 1.4 ms to 10 s through the CTn pin connection. Only SVS-1 has an active-low manual reset (MR) input; a logic-low input to MR asserts RESET1 or RESET1.

SVS-4 monitors the threshold window using two comparators. The extra comparator can be configured as a fifth SVS to monitor negative voltage with voltage reference output VREF.

The TPS386000-Q1 device has a very low quiescent current of 12 µA (typical) and is available in a small, 4-mm × 4-mm, VQFN-20 package.

  • Qualified for Automotive Applications
  • AEC Q100 Test Guidance With the Following
    Results:
    • Device Temperature Grade 1: –40°C to 125°C
      Ambient Operating Temperature Range
    • Device HBM ESD Classification Level H2
    • Device CDM ESD Classification Level C4B
  • Four Complete SVS Modules on one Silicon
    Platform
  • Programmable Delay Time: 1.4 ms to 10 s
  • Very Low Quiescent Current: 12 µA Typical
  • Threshold Accuracy: 0.25% Typical
  • SVS-1: Manual Reset (MR) Input
  • SVS-1, 2, 3: Adjustable Threshold Down to 0.4 V
  • SVS-4:
    • Adjustable Threshold at Any Positive or
      Negative Voltage with VREF (1.2 V)
    • Window Comparator
  • Watchdog Timer with Dedicated Output
  • Well-Controlled RESETn Output During Power-Up
  • Open-Drain RESETn and WDO
  • Package: 4-mm × 4-mm, 20-pin VQFN
Number of supplies monitored3, 4
Threshold voltage 1 (typ) (V)0.4
FeaturesManual reset capable, Negative voltage monitoring, Timeout watchdog, Undervoltage and overvoltage monitor, Watchdog timer
Reset threshold accuracy (%)0.5
Iq (typ) (mA)0.012
Output driver type/reset outputActive-low, Open-drain
Time delay (ms)20, 300
Supply voltage (min) (V)1.8
Supply voltage (max) (V)6.5
RatingAutomotive
Watchdog timer WDI (s)0.6
Operating temperature range (°C)-40 to 125
VQFN (RGP)2016 mm² 4 x 4
产品购买
  • 商品型号
  • 封装
  • 工作温度
  • 包装
  • 价格
  • 现货库存
  • 操作
10s
温馨提示:
订单商品问题请移至我的售后服务提交售后申请,其他需投诉问题可移至我的投诉提交,我们将在第一时间给您答复
返回顶部