h1_key

TI(德州仪器) LM5119
德州仪器 (TI) 全系列产品在线购买
  • TI(德州仪器) LM5119
  • TI(德州仪器) LM5119
  • TI(德州仪器) LM5119
  • TI(德州仪器) LM5119
  • TI(德州仪器) LM5119
  • TI(德州仪器) LM5119
立即查看
您当前的位置: 首页 > 电源管理 > 直流/直流开关稳压器 > 降压稳压器 > LM5119
LM5119

LM5119

正在供货

5.5V 至 65V 宽输入电压、电流模式双通道同步降压控制器

产品详情
  • 说明
  • 特性
  • 参数
  • 封装 | 引脚 | 尺寸

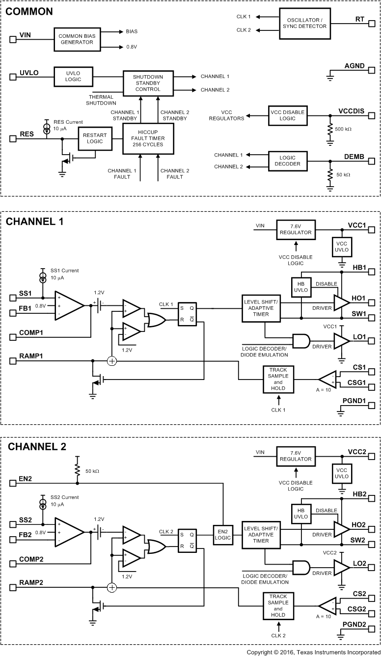
LM5119 器件是一款双路同步降压控制器,适用于 高压 电源或变化范围较大的输入电源的降压稳压器应用。此控制方法基于采用仿真电流斜坡的电流模式控制。电流模式控制可提供内部线路前馈、逐周期电流限制和简化的环路补偿。通过使用仿真电流斜坡可降低脉宽调制电路的噪声灵敏度,从而对高输入电压应用中所需的极小占空比进行可靠 控制。开关频率可设定在 50kHz 至 750kHz 范围内。LM5119 器件可驱动支持自适应死区时间控制的外部高侧和低侧 NMOS 功率开关。用户可选二极管仿真模式可实现断续模式运行,从而提高轻负载条件下的效率。凭借高压偏置稳压器以及自动切换至外部偏置的功能,可以进一步提高效率。其他 功能 包括:热关断、频率同步、逐周期和断续模式电流限制以及可调节线路欠压锁定。该器件采用功耗增强型 32 引脚无引线 WQFN 封装,并且配有利于散热的外露芯片连接焊盘。

  • 仿真峰值电流模式控制
  • 宽工作电压范围(5.5V 至 65V)
  • 可轻松配置为双路输出或交错单路输出
  • 稳健耐用的 3.3A 峰值栅极驱动
  • 开关频率最高可通过编程设定为 750kHz
  • 可选二极管仿真模式
  • 可编程输出(基准电压为 0.8V)
  • 精度为 1.5% 的基准电压
  • 可编程电流限制
  • 断续模式过载保护
  • 可编程软启动
  • 可编程线路欠压锁定
  • 自动切换至外部偏置电源
  • 通道 2 使能逻辑输入
  • 热关断
  • 32 引脚超薄型四方扁平无引线 (WQFN) 封装
Vin (min) (V)5.5
Vin (max) (V)65
Vout (min) (V)0.8
Vout (max) (V)64
Iout (max) (A)15
Iq (typ) (mA)6
Switching frequency (min) (kHz)50
Switching frequency (max) (kHz)750
FeaturesAdjustable current limit, Enable, Frequency synchronization, Light Load Efficiency, Synchronous Rectification, UVLO adjustable
Operating temperature range (°C)-40 to 125
Regulated outputs (#)2
Number of phases2
RatingCatalog
Control modecurrent mode
TypeController
WQFN (RTV)3225 mm² 5 x 5
产品购买
  • 商品型号
  • 封装
  • 工作温度
  • 包装
  • 价格
  • 现货库存
  • 操作
10s
温馨提示:
订单商品问题请移至我的售后服务提交售后申请,其他需投诉问题可移至我的投诉提交,我们将在第一时间给您答复
返回顶部