h1_key

TI(德州仪器) BQ25046
德州仪器 (TI) 全系列产品在线购买
  • TI(德州仪器) BQ25046
  • TI(德州仪器) BQ25046
  • TI(德州仪器) BQ25046
  • TI(德州仪器) BQ25046
  • TI(德州仪器) BQ25046
  • TI(德州仪器) BQ25046
立即查看
您当前的位置: 首页 > 电源管理 > 电池管理 IC > 电池充电器 IC > BQ25046
BQ25046

BQ25046

正在供货

用于非接触式充电应用的第一代 1.1A、单输入 5V 电源 IC

产品详情
  • 说明
  • 特性
  • 参数
  • 封装 | 引脚 | 尺寸

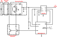
The bq25046 is a highly integrated linear power supply IC targeted at both wired and wireless power applications. With an accurate 5-V regulated output and integrated 3.3-V LDO, the bq25046 is an ideal solution for wireless power supply solutions up to 5 W.

The bq25046 integrates several functions which enable a wireless charging solution within a small area and low component count. These include a 3.3-V LDO which drives an MSP430BQ1010 wireless controller, high-accuracy current sense for calculating receiver-side power usage, 100mA/400mA current limits enable robust communication at all load current levels, and integrated pass FET acts as load disconnect switch and 5-V regulator to protect downstream circuitry. In addition, the bq25046 has an absolute maximum input voltage of 30 V and an OVP threshold of 15 V, which enables safe and robust operation in inductive power transfer systems that use either resistive or capacitive load modulation.

  • 30V Input Rating, with 15V Over-Voltage Protection
    (OVP) Threshold
  • Integrated Charge Current Sense for Wireless Power Transfer
    Efficiency Monitoring
  • 3.3V, 15mA integrated Low Dropout Linear Regulator (VDD3.3)
    Supplies Power to MSP430BQ1010 Directly
  • 2% Output Voltage Regulation
  • Pin Selectable 100mA and 400mA Current Limit Enables Robust Communication
    in Wireless Power Systems at any Output Current Level
  • Soft-Start Feature to Reduce Inrush Current
  • Status Indication – Power Good (PG) and Output Enabled (CHG)
  • Available in Small 2mm × 3mm DFN-10 Package
  • APPLICATIONS
    • Wireless Power Applications
    • Smart Phones
    • PDAs
    • MP3 Players
    • Low-Power Handheld Devices

Number of series cells1
Charge current (max) (A)1.1
Vin (max) (V)9
Cell chemistryLi-Ion/Li-Polymer
Battery charge voltage (min) (V)3.3
Battery charge voltage (max) (V)3.3
Absolute max Vin (max) (V)30
Control topologyLinear
Control interfaceStandalone (RC-Settable)
FeaturesIC thermal regulation, Integrated LDO
Vin (min) (V)3.3
RatingCatalog
Operating temperature range (°C)-40 to 85
WSON (DQC)106 mm² 3 x 2
产品购买
  • 商品型号
  • 封装
  • 工作温度
  • 包装
  • 价格
  • 现货库存
  • 操作
10s
温馨提示:
订单商品问题请移至我的售后服务提交售后申请,其他需投诉问题可移至我的投诉提交,我们将在第一时间给您答复
返回顶部