h1_key

TI(德州仪器) TLV710
德州仪器 (TI) 全系列产品在线购买
  • TI(德州仪器) TLV710
  • TI(德州仪器) TLV710
  • TI(德州仪器) TLV710
  • TI(德州仪器) TLV710
  • TI(德州仪器) TLV710
  • TI(德州仪器) TLV710
立即查看
您当前的位置: 首页 > 电源管理 > 线性和低压降 (LDO) 稳压器 > TLV710
TLV710

TLV710

正在供货

具有使能功能的 200mA、低 IQ、高 PSRR、双通道低压降稳压器

产品详情
  • 说明
  • 特性
  • 参数
  • 封装 | 引脚 | 尺寸

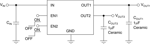
TLV710 和 TLV711 系列双通道、低压降 (LDO) 线性稳压器是具有卓越的线路输入电压及负载瞬态响应性能的低静态电流器件。 这些 LDO 专门针对功耗敏感型应用而设计。 这些器件在整个温度范围内提供了2% 的典型准确度。

TLV711系列提供了一种有源下拉电路,以对输出进行快速放电。

此外,TLV711-D 器件系列还在 EN 引脚上布设了下拉电阻器。 这种设计有助于在信号驱动 EN 引脚处于一种微弱、不确定状态(例如:在启动期间有可能为三态的处理器 GPIO)时停用器件。 该下拉电阻器可将至 EN 引脚的电压拉低至 0V,从而停用器件。

TLV710 和 TLV711系列采用 1.5mm x 1.5mm SON-6 封装,而且非常适合于手持式应用。

  • 超低的压降:
    • 150mV(在 IOUT =200mA 和 VOUT = 2.8V 时)
    • 75mV(在 IOUT =100mA 和 VOUT = 2.8V时)
    • 40mV(在 IOUT =50mA 和 VOUT = 2.8V时)
  • 在整个温度范围内可提供 2% 的准确度
  • 低IQ:每个稳压器为 35μA
  • 可提供多种固定输出电压组合:1.2V至4.8V
  • 高PSRR:70dB(在 1kHz 频率下)
  • 可在采用 0.1μF 的有效电容时保持稳定(1)
  • 过流和热保护
  • 用于每个输出的专用 VREF 最大限度地降低了串扰
  • 采用1.5mm x 1.5mm SON-6 封装请参见 部分中的
Output optionsDual output, Fixed Output
Iout (max) (A)0.2
Vin (max) (V)5.5
Vin (min) (V)2
Vout (max) (V)2.8
Vout (min) (V)1.8
Fixed output options (V)1.8, 2.8, 3.3
Noise (µVrms)48
Iq (typ) (mA)0.07
Thermal resistance θJA (°C/W)170
RatingCatalog
Load capacitance (min) (µF)0.1
Regulated outputs (#)2
FeaturesEnable, Soft start
Accuracy (%)2
PSRR at 100 KHz (dB)50
Dropout voltage (Vdo) (typ) (mV)150
Operating temperature range (°C)-40 to 125
WSON (DSE)62.25 mm² 1.5 x 1.5
产品购买
  • 商品型号
  • 封装
  • 工作温度
  • 包装
  • 价格
  • 现货库存
  • 操作
10s
温馨提示:
订单商品问题请移至我的售后服务提交售后申请,其他需投诉问题可移至我的投诉提交,我们将在第一时间给您答复
返回顶部