h1_key

TI(德州仪器) LM2936Q-Q1
德州仪器 (TI) 全系列产品在线购买
  • TI(德州仪器) LM2936Q-Q1
  • TI(德州仪器) LM2936Q-Q1
  • TI(德州仪器) LM2936Q-Q1
  • TI(德州仪器) LM2936Q-Q1
  • TI(德州仪器) LM2936Q-Q1
  • TI(德州仪器) LM2936Q-Q1
立即查看
您当前的位置: 首页 > 电源管理 > 线性和低压降 (LDO) 稳压器 > LM2936Q-Q1
LM2936Q-Q1

LM2936Q-Q1

正在供货

具有反向电压保护功能的汽车类 50mA、电池供电运行 (60V)、低压降稳压器

产品详情
  • 说明
  • 特性
  • 参数
  • 封装 | 引脚 | 尺寸

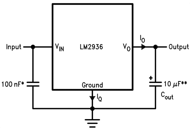
The LM2936Q ultralow quiescent-current regulator features low dropout voltage and low current in the standby mode. With less than 15-μA quiescent current at a 100-μA load, the LM2936Q is ideally suited for automotive and other battery-operated systems. The LM2936Q retains all of the features that are common to low-dropout regulators including a low dropout PNP pass device, short-circuit protection, reverse battery protection, and thermal shutdown. The LM2936Q has a 40-V maximum operating voltage limit, a −40°C to +125°C operating temperature range, and ±3% output voltage tolerance over the entire output current, input voltage, and temperature range. The LM2936Q is available in
8-pin SOIC and VSSOP packages, a 4-pin SOT–223 package, as well as a 3-pin TO-252 surface mount package.

For all available packages, see the orderable addendum at the end of the data sheet.

  • Qualified for Automotive Applications
  • AEC Q100-Qualified With the Following Results
    • Device Temperature Grade 1: –40°C to +125°C Ambient Operating Temperature Range
  • Operating Input Voltage: 5.5 V to 40 V
  • Ultralow Quiescent Current (IQ ≤ 15 μA for IOUT = 100 μA)
  • Fixed 3-V, 3.3-V or 5-V With 50-mA Output
  • ±2% Initial Output Tolerance
  • ±3% Output Tolerance Over Line, Load, and Temperature
  • Dropout Voltage Typically 200 mV at IOUT = 50 mA
  • Reverse Battery Protection
  • –50-V Input Transient Protection
  • Internal Short Circuit Current Limit
  • Internal Thermal Shutdown Protection
  • 40-V Operating Voltage Limit
  • Shutdown Pin Available with LM2936QBM Package
Output optionsFixed Output
Iout (max) (A)0.05
Vin (max) (V)60
Vin (min) (V)5.5
Vout (max) (V)5
Vout (min) (V)3
Fixed output options (V)3, 3.3, 5
Noise (µVrms)500
Iq (typ) (mA)0.015
Thermal resistance θJA (°C/W)51
RatingAutomotive
Load capacitance (min) (µF)10
Regulated outputs (#)1
FeaturesReverse voltage protection
Accuracy (%)4
PSRR at 100 KHz (dB)35
Dropout voltage (Vdo) (typ) (mV)200
Operating temperature range (°C)-40 to 125
SOIC (D)829.4 mm² 4.9 x 6
SOT-223 (DCY)445.5 mm² 6.5 x 7
TO-252 (NDP)365.2078 mm² 6.58 x 9.91
VSSOP (DGK)814.7 mm² 3 x 4.9
产品购买
  • 商品型号
  • 封装
  • 工作温度
  • 包装
  • 价格
  • 现货库存
  • 操作
10s
温馨提示:
订单商品问题请移至我的售后服务提交售后申请,其他需投诉问题可移至我的投诉提交,我们将在第一时间给您答复
返回顶部